第84页
- 第1页
- 第2页
- 第3页
- 第4页
- 第5页
- 第6页
- 第7页
- 第8页
- 第9页
- 第10页
- 第11页
- 第12页
- 第13页
- 第14页
- 第15页
- 第16页
- 第17页
- 第18页
- 第19页
- 第20页
- 第21页
- 第22页
- 第23页
- 第24页
- 第25页
- 第26页
- 第27页
- 第28页
- 第29页
- 第30页
- 第31页
- 第32页
- 第33页
- 第34页
- 第35页
- 第36页
- 第37页
- 第38页
- 第39页
- 第40页
- 第41页
- 第42页
- 第43页
- 第44页
- 第45页
- 第46页
- 第47页
- 第48页
- 第49页
- 第50页
- 第51页
- 第52页
- 第53页
- 第54页
- 第55页
- 第56页
- 第57页
- 第58页
- 第59页
- 第60页
- 第61页
- 第62页
- 第63页
- 第64页
- 第65页
- 第66页
- 第67页
- 第68页
- 第69页
- 第70页
- 第71页
- 第72页
- 第73页
- 第74页
- 第75页
- 第76页
- 第77页
- 第78页
- 第79页
- 第80页
- 第81页
- 第82页
- 第83页
- 第84页
- 第85页
- 第86页
- 第87页
1. (母题)小王用如图所示的电路做实验,检查完电路后,接通电源,当闭合开关后,发现灯泡不亮,但保险丝没有熔断,用测电笔测试导线接头 $ A $、$ B $、$ C $、$ D $ 四处,氖管都发光,测试 $ E $ 处氖管不亮,则故障是(

A.开关 $ B $、$ C $ 间开路
B.灯泡 $ C $、$ D $ 间开路
C.导线 $ D $、$ E $ 间开路
D.进入插头的火线开路
C
)A.开关 $ B $、$ C $ 间开路
B.灯泡 $ C $、$ D $ 间开路
C.导线 $ D $、$ E $ 间开路
D.进入插头的火线开路
答案:
C
2. (变式题)(2024·芜湖镜湖八中质检)在如图所示的家庭电路中,将电饭锅的插头插入三孔插座,闭合其开关,电饭锅不工作;闭合开关 $ S $,灯泡不亮;保持控制灯泡的开关闭合,拔出电饭锅插头,用测电笔分别测试插座左、右两孔及 $ B $、$ C $ 两点时,氖管均发光. 若电路中只有一处故障,则电路中可能存在的问题是(

A.进户的零线被烧断
B.进户的火线被烧断
C.灯泡的灯丝被烧断
D.进户的地线被烧断
A
)A.进户的零线被烧断
B.进户的火线被烧断
C.灯泡的灯丝被烧断
D.进户的地线被烧断
答案:
A
3. (母题)如图所示,为检验家庭电路有无故障,在进户线的干路上串联一只普通白炽灯 $ L_{2} $ 作为校验灯,闭合开关 $ S $ 进行检验,下列说法中正确的有(

A.①③
B.①④
C.②④
D.②③
B
)\n①若 $ L_{2} $ 发光较暗,则该电路无故障;②若 $ L_{2} $ 发光正常,则该电路无故障;③若 $ L_{2} $ 发光正常,若此时用测电笔检测 $ A $ 点,氖管会发光;④若 $ L_{2} $ 发光正常,若此时用测电笔检测 $ A $ 点,氖管不会发光.A.①③
B.①④
C.②④
D.②③
答案:
B
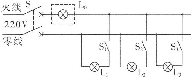
4. (2024·临沂蒙阴育秀中学期末)电工师傅常用一只额定电压为 $ 220 \mathrm{~V} $ 的灯泡 $ L_{0} $ (检验灯泡)取代保险丝来检查新安装的照明电路中每个支路的情况,如图所示. 当 $ S $ 闭合后,再分别闭合 $ S_{1} $、$ S_{2} $、$ S_{3} $ (每次只能闭合其中之一)时,可能出现以下三种情况,试判断:(均选填“短路”“开路”或“正常”)\n(1)$ L_{0} $ 不亮,说明该支路

开路
.\n(2)$ L_{0} $ 正常发光,说明该支路短路
.\n(3)$ L_{0} $ 发光呈暗红色,说明该支路正常
.
答案:
(1)开路
(2)短路
(3)正常
(1)开路
(2)短路
(3)正常
5. (母题)如图是小园家家庭电路的一部分. 他闭合开关时灯泡正常发光,再将电饭锅的插头插入插座中时,灯泡突然熄灭,检查时发现保险丝熔断了,原因可能是(

A.电饭锅开路
B.灯泡的灯丝开路
C.开关短路
D.电饭锅的插头短路
D
)A.电饭锅开路
B.灯泡的灯丝开路
C.开关短路
D.电饭锅的插头短路
答案:
D
6. (2024·安阳汤阴向阳中学月考)小明家中的几盏亮着的灯突然全部熄灭了. 经检查,空气开关并未跳闸,在电灯开关闭合状态下用测电笔分别接触火线和零线,测电笔氖管均发光,则电路故障原因是(
A.进户线的零线开路
B.进户线的火线开路
C.室内用电器发生了开路
D.室内用电器发生了短路
A
)A.进户线的零线开路
B.进户线的火线开路
C.室内用电器发生了开路
D.室内用电器发生了短路
答案:
A
查看更多完整答案,请扫码查看