第77页
- 第1页
- 第2页
- 第3页
- 第4页
- 第5页
- 第6页
- 第7页
- 第8页
- 第9页
- 第10页
- 第11页
- 第12页
- 第13页
- 第14页
- 第15页
- 第16页
- 第17页
- 第18页
- 第19页
- 第20页
- 第21页
- 第22页
- 第23页
- 第24页
- 第25页
- 第26页
- 第27页
- 第28页
- 第29页
- 第30页
- 第31页
- 第32页
- 第33页
- 第34页
- 第35页
- 第36页
- 第37页
- 第38页
- 第39页
- 第40页
- 第41页
- 第42页
- 第43页
- 第44页
- 第45页
- 第46页
- 第47页
- 第48页
- 第49页
- 第50页
- 第51页
- 第52页
- 第53页
- 第54页
- 第55页
- 第56页
- 第57页
- 第58页
- 第59页
- 第60页
- 第61页
- 第62页
- 第63页
- 第64页
- 第65页
- 第66页
- 第67页
- 第68页
- 第69页
- 第70页
- 第71页
- 第72页
- 第73页
- 第74页
- 第75页
- 第76页
- 第77页
- 第78页
- 第79页
- 第80页
- 第81页
- 第82页
- 第83页
- 第84页
- 第85页
- 第86页
- 第87页
4. 小安同学在学习电路的串、并联特点后,设计了如图甲所示的实验原理图,来测量某一定值电阻 $ R_x $ 的阻值. 实验操作如下:

(1)为了保证电路安全,在闭合开关 $ S $ 前,滑动变阻器滑片应移到最
(2)闭合开关 $ S $,将单刀双掷开关拨到 $ 1 $,调节滑动变阻器,使电流表指针指到某一数值,如图乙,电流表读数为
(3)保持(2)中滑动变阻器滑片位置不变,将单刀双掷开关拨到 $ 2 $,调节电阻箱 $ R $,当阻值为 $ 10 \Omega $ 时,电流表示数与(2)中显示数值相同,则被测电阻 $ R_x $ 的阻值为
(1)为了保证电路安全,在闭合开关 $ S $ 前,滑动变阻器滑片应移到最
右
(选填“左”或“右”)端.(2)闭合开关 $ S $,将单刀双掷开关拨到 $ 1 $,调节滑动变阻器,使电流表指针指到某一数值,如图乙,电流表读数为
0.3
$ A $.(3)保持(2)中滑动变阻器滑片位置不变,将单刀双掷开关拨到 $ 2 $,调节电阻箱 $ R $,当阻值为 $ 10 \Omega $ 时,电流表示数与(2)中显示数值相同,则被测电阻 $ R_x $ 的阻值为
10
$ \Omega $.
答案:
4.
(1)右
(2)0.3
(3)10
(1)右
(2)0.3
(3)10
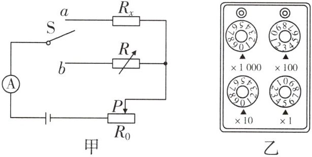
5. 小明同学利用电流表 $ A $、单刀双掷开关 $ S $、电阻箱 $ R $、滑动变阻器 $ R_0 $ 和电源测量未知电阻 $ R_x $ 的阻值,实验电路图如图甲所示. 实验操作如下:

①移动滑动变阻器的滑片 $ P $,使滑动变阻器接入电路的阻值最大. 将 $ S $ 拨至 $ a $ 处,再次移动滑片 $ P $,使滑动变阻器的部分阻值接入电路,读出电流表的示数 $ I_1 $.
②保持滑片 $ P $ 位置不变,将电阻箱阻值调到最大,再将 $ S $ 从 $ a $ 处拨至 $ b $ 处,调节电阻箱使电流表的示数为 $ I_2 $,此时电阻箱的示数为 $ R' $.
(1)若 $ I_1 = I_2 $,则待测电阻 $ R_x $
(2)若 $ I_1 > I_2 $,则待测电阻 $ R_x $
(3)图乙所示电阻箱的示数为
①移动滑动变阻器的滑片 $ P $,使滑动变阻器接入电路的阻值最大. 将 $ S $ 拨至 $ a $ 处,再次移动滑片 $ P $,使滑动变阻器的部分阻值接入电路,读出电流表的示数 $ I_1 $.
②保持滑片 $ P $ 位置不变,将电阻箱阻值调到最大,再将 $ S $ 从 $ a $ 处拨至 $ b $ 处,调节电阻箱使电流表的示数为 $ I_2 $,此时电阻箱的示数为 $ R' $.
(1)若 $ I_1 = I_2 $,则待测电阻 $ R_x $
=
$ R' $(选填“$ > $”“$ < $”或“$ = $”).(2)若 $ I_1 > I_2 $,则待测电阻 $ R_x $
<
$ \frac{I_2}{I_1}R' $(选填“$ > $”“$ < $”或“$ = $”).(3)图乙所示电阻箱的示数为
305
$ \Omega $.
答案:
5.
(1)=
(2)<
(3)305
(1)=
(2)<
(3)305
6. 利用如图甲所示电路测量小灯泡正常发光时的电阻. 已知电源电压为 $ 6 V $, $ R_0 $ 的阻值为 $ 10 \Omega $,小灯泡正常发光时两端电压为 $ 2.5 V $.

(1)请用笔画线表示导线,将图甲中的电路正确连接.(要求:导线不交叉;向右移动滑片,小灯泡变亮)
(2)闭合开关,移动滑片,发现小灯泡不发光,电压表 $ V_1 $ 示数接近电源电压,电压表 $ V_2 $ 无示数,故障原因可能是______.
(3)排除故障后,闭合开关,移动滑片至某位置时,电压表 $ V_2 $ 示数如图乙所示,为______ $ V $,此时通过小灯泡的电流为______ $ A $.
(4)继续移动滑片,当电压表 $ V_1 $ 示数为 $ 5 V $ 时,小灯泡正常发光,此时小灯泡的电阻为______ $ \Omega $.
(1)请用笔画线表示导线,将图甲中的电路正确连接.(要求:导线不交叉;向右移动滑片,小灯泡变亮)
(2)闭合开关,移动滑片,发现小灯泡不发光,电压表 $ V_1 $ 示数接近电源电压,电压表 $ V_2 $ 无示数,故障原因可能是______.
(3)排除故障后,闭合开关,移动滑片至某位置时,电压表 $ V_2 $ 示数如图乙所示,为______ $ V $,此时通过小灯泡的电流为______ $ A $.
(4)继续移动滑片,当电压表 $ V_1 $ 示数为 $ 5 V $ 时,小灯泡正常发光,此时小灯泡的电阻为______ $ \Omega $.
答案:
6.
(1)如图所示.

(2)小灯泡开路
(3)1.5 0.15
(4)10
6.
(1)如图所示.
(2)小灯泡开路
(3)1.5 0.15
(4)10
查看更多完整答案,请扫码查看