第57页
- 第1页
- 第2页
- 第3页
- 第4页
- 第5页
- 第6页
- 第7页
- 第8页
- 第9页
- 第10页
- 第11页
- 第12页
- 第13页
- 第14页
- 第15页
- 第16页
- 第17页
- 第18页
- 第19页
- 第20页
- 第21页
- 第22页
- 第23页
- 第24页
- 第25页
- 第26页
- 第27页
- 第28页
- 第29页
- 第30页
- 第31页
- 第32页
- 第33页
- 第34页
- 第35页
- 第36页
- 第37页
- 第38页
- 第39页
- 第40页
- 第41页
- 第42页
- 第43页
- 第44页
- 第45页
- 第46页
- 第47页
- 第48页
- 第49页
- 第50页
- 第51页
- 第52页
- 第53页
- 第54页
- 第55页
- 第56页
- 第57页
- 第58页
- 第59页
- 第60页
- 第61页
- 第62页
- 第63页
- 第64页
- 第65页
- 第66页
- 第67页
- 第68页
- 第69页
- 第70页
- 第71页
- 第72页
- 第73页
- 第74页
- 第75页
- 第76页
- 第77页
- 第78页
- 第79页
- 第80页
- 第81页
- 第82页
- 第83页
- 第84页
- 第85页
- 第86页
- 第87页
1. (母题)学习了第十五章后,小彭对电表的使用做了如下总结,其中说法正确的是(
A.使用电压表时,它的两个接线柱不允许直接与电源两极相连
B.电流可以从电表的负接线柱流入,从正接线柱流出
C.使用时,电流表要与被测电路并联,电压表要与被测电路串联
D.使用电流表和电压表时,为选择合适的量程可以采用“试触法”
D
)A.使用电压表时,它的两个接线柱不允许直接与电源两极相连
B.电流可以从电表的负接线柱流入,从正接线柱流出
C.使用时,电流表要与被测电路并联,电压表要与被测电路串联
D.使用电流表和电压表时,为选择合适的量程可以采用“试触法”
答案:
D
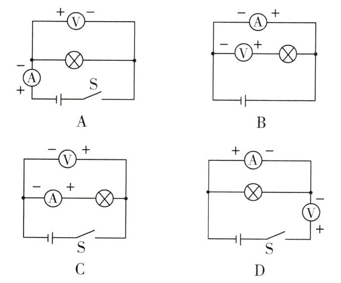
2. (2024·济南市中经纬中学质检)学会正确使用电压表和电流表是学好电学的基础. 下列各电路图中,电表使用均正确的是 (

C
)
答案:
C
3. 模型构建 如图甲所示的电流表所选量程对应的分度值是

0.1
A,示数是2.4
A. 图乙所示电压表若选择的量程是 0~3 V,则示数为2.6
V;若选择的量程是 0~15 V,则分度值为0.5
V.
答案:
0.1 2.4 2.6 0.5
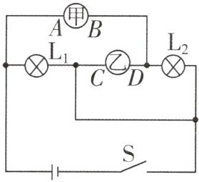
4. (母题)如图所示的电路中,甲、乙是两个电表,开关 S 闭合后,小灯泡$ L_1、$$L_2 $均正常发光,两个电表都有示数,则下列说法正确的是(

A.甲是电压表,B 端是正接线柱
B.甲是电流表,A 端是正接线柱
C.乙是电流表,C 端是负接线柱
D.乙是电压表,C 端是正接线柱
B
)A.甲是电压表,B 端是正接线柱
B.甲是电流表,A 端是正接线柱
C.乙是电流表,C 端是负接线柱
D.乙是电压表,C 端是正接线柱
答案:
B
5. (2024·安阳汤阴五中月考)在学习了电压表、电流表的正确使用方法之后,小青设计了如图所示的电路. 若在闭合开关 S 后,两个灯泡串联且都能正常发光,则下列判断正确的是(

A.甲为电流表,乙、丙为电压表
B.乙为电流表,甲、丙为电压表
C.甲为电压表,乙、丙为电流表
D.乙为电压表,甲、丙为电流表
B
)A.甲为电流表,乙、丙为电压表
B.乙为电流表,甲、丙为电压表
C.甲为电压表,乙、丙为电流表
D.乙为电压表,甲、丙为电流表
答案:
B
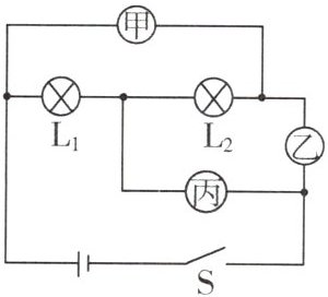
6. (2024·黄山徽州期中模拟)如图所示的实物电路中,由电源、开关、两个灯泡和甲、乙、丙三个电表(电流表或电压表)组成. 要使$ L_1、$$L_2 $都能发光. 下列关于开关 S 和甲、乙、丙三个电表的判断正确的是(

A.开关 S 闭合,甲、乙是电流表,丙是电压表
B.开关 S 闭合,甲是电压表,乙、丙是电流表
C.开关 S 断开,甲是电流表,乙、丙是电压表
D.开关 S 断开,甲、乙、丙都是电流表
D
)A.开关 S 闭合,甲、乙是电流表,丙是电压表
B.开关 S 闭合,甲是电压表,乙、丙是电流表
C.开关 S 断开,甲是电流表,乙、丙是电压表
D.开关 S 断开,甲、乙、丙都是电流表
答案:
D
查看更多完整答案,请扫码查看