第79页
- 第1页
- 第2页
- 第3页
- 第4页
- 第5页
- 第6页
- 第7页
- 第8页
- 第9页
- 第10页
- 第11页
- 第12页
- 第13页
- 第14页
- 第15页
- 第16页
- 第17页
- 第18页
- 第19页
- 第20页
- 第21页
- 第22页
- 第23页
- 第24页
- 第25页
- 第26页
- 第27页
- 第28页
- 第29页
- 第30页
- 第31页
- 第32页
- 第33页
- 第34页
- 第35页
- 第36页
- 第37页
- 第38页
- 第39页
- 第40页
- 第41页
- 第42页
- 第43页
- 第44页
- 第45页
- 第46页
- 第47页
- 第48页
- 第49页
- 第50页
- 第51页
- 第52页
- 第53页
- 第54页
- 第55页
- 第56页
- 第57页
- 第58页
- 第59页
- 第60页
- 第61页
- 第62页
- 第63页
- 第64页
- 第65页
- 第66页
- 第67页
- 第68页
- 第69页
- 第70页
- 第71页
- 第72页
- 第73页
- 第74页
- 第75页
- 第76页
- 第77页
- 第78页
- 第79页
- 第80页
- 第81页
- 第82页
- 第83页
- 第84页
- 第85页
- 第86页
- 第87页
1. (母题)如图所示,电源电压保持不变,电阻 $ R_1 $ 和 $ R_2 $ 为定值电阻. 闭合开关 $ S_1 $、$ S_2 $,当甲、乙两表均为电压表时,两表的指针偏转的幅度相同,此时甲、乙两表的示数分别为 $ U_{甲} $ 和 $ U_{乙} $,定值电阻 $ R_1 $ 和 $ R_2 $ 两端的电压分别为 $ U_1 $ 和 $ U_2 $;断开开关 $ S_1 $、$ S_2 $,将甲、乙两电压表均更换为电流表,然后仅闭合开关 $ S_1 $,此时甲、乙两电流表的示数分别为 $ I_{甲} $ 和 $ I_{乙} $. 下列等式中正确的是(

A.$ U_{甲} : U_{乙} = 4 : 1 $
B.$ U_1 : U_2 = 5 : 1 $
C.$ R_1 : R_2 = 5 : 1 $
D.$ I_{甲} : I_{乙} = 4 : 5 $
D
)A.$ U_{甲} : U_{乙} = 4 : 1 $
B.$ U_1 : U_2 = 5 : 1 $
C.$ R_1 : R_2 = 5 : 1 $
D.$ I_{甲} : I_{乙} = 4 : 5 $
答案:
D
2. (变式题)(2024·大庆肇源七中月考)如图所示,电源电压恒为 $ 6 \, V $,$ R_1 = 10 \, \Omega $,$ R_2 = 20 \, \Omega $,$ R_3 = 30 \, \Omega $.

(1) 只闭合 $ S $ 时,电流表 $ A_1 $ 的示数为
(2) 闭合 $ S $、$ S_1 $、$ S_2 $ 时,$ A_1 $ 和 $ A_2 $ 的示数之比为
(1) 只闭合 $ S $ 时,电流表 $ A_1 $ 的示数为
0.15
$ A $,电压表 $ V_1 $、$ V_2 $ 示数之比为1:4
.(2) 闭合 $ S $、$ S_1 $、$ S_2 $ 时,$ A_1 $ 和 $ A_2 $ 的示数之比为
2:3
;$ V_1 $、$ V_2 $ 示数之比为1:1
.
答案:
(1)0.15 1:4
(2)2:3 1:1
(1)0.15 1:4
(2)2:3 1:1
3. (母题)小灯泡 $ L $ 和定值电阻 $ R $ 接在如图甲所示的电路中,两者的 $ I - U $ 关系图像如图乙,下列说法中正确的是(

A.图乙中曲线 $ A $ 表示定值电阻 $ R $ 的 $ I - U $ 关系图像
B.电阻 $ R $ 的阻值为 $ 20 \, \Omega $
C.当电源电压为 $ 4 \, V $ 时,小灯泡的电流为 $ 0.4 \, A $
D.当电流表示数为 $ 0.25 \, A $ 时,电源电压为 $ 2 \, V $
D
)A.图乙中曲线 $ A $ 表示定值电阻 $ R $ 的 $ I - U $ 关系图像
B.电阻 $ R $ 的阻值为 $ 20 \, \Omega $
C.当电源电压为 $ 4 \, V $ 时,小灯泡的电流为 $ 0.4 \, A $
D.当电流表示数为 $ 0.25 \, A $ 时,电源电压为 $ 2 \, V $
答案:
D
4. (变式一)(2024·临沂中考)闭合如图甲所示电路的开关,将滑动变阻器的滑片由最右端移到最左端的过程中,电压表与电流表的示数变化的图像如图乙所示. 则定值电阻 $ R_0 $ 的阻值为
]

3
$ \Omega $,电源电压为______1.5
$ V $.]
答案:
3 1.5
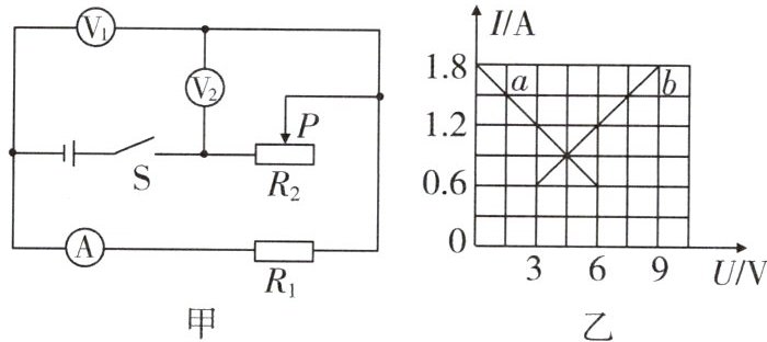
5. (变式二)(2024·济宁微山昭阳中学期中)如图甲所示电路,电源电压保持不变. 闭合开关,当滑动变阻器的滑片 $ P $ 从一端滑到另一端的过程中,两个电阻的 $ I - U $ 关系图像如乙图所示,其中图像 $ a $ 为电阻______
]

R₂
(选填“$ R_1 $”或“$ R_2 $”)的 $ I - U $ 关系图像;电源电压为______ 9
$ V $.]
答案:
R₂ 9
6. (母题)如图所示,电源电压保持不变,$ R_1 = 10 \, \Omega $,当闭合开关 $ S $,滑动变阻器滑片 $ P $ 从 $ a $ 端移到 $ b $ 端时,两电表示数变化关系用图乙中线段 $ AB $ 表示,则电源电压和滑动变阻器的最大阻值分别为(

A.$ 6 \, V $ $ 20 \, \Omega $
B.$ 4 \, V $ $ 20 \, \Omega $
C.$ 6 \, V $ $ 10 \, \Omega $
D.$ 4 \, V $ $ 10 \, \Omega $
A
)A.$ 6 \, V $ $ 20 \, \Omega $
B.$ 4 \, V $ $ 20 \, \Omega $
C.$ 6 \, V $ $ 10 \, \Omega $
D.$ 4 \, V $ $ 10 \, \Omega $
答案:
A
查看更多完整答案,请扫码查看