第82页
- 第1页
- 第2页
- 第3页
- 第4页
- 第5页
- 第6页
- 第7页
- 第8页
- 第9页
- 第10页
- 第11页
- 第12页
- 第13页
- 第14页
- 第15页
- 第16页
- 第17页
- 第18页
- 第19页
- 第20页
- 第21页
- 第22页
- 第23页
- 第24页
- 第25页
- 第26页
- 第27页
- 第28页
- 第29页
- 第30页
- 第31页
- 第32页
- 第33页
- 第34页
- 第35页
- 第36页
- 第37页
- 第38页
- 第39页
- 第40页
- 第41页
- 第42页
- 第43页
- 第44页
- 第45页
- 第46页
- 第47页
- 第48页
- 第49页
- 第50页
- 第51页
- 第52页
- 第53页
- 第54页
- 第55页
- 第56页
- 第57页
- 第58页
- 第59页
- 第60页
- 第61页
- 第62页
- 第63页
- 第64页
- 第65页
- 第66页
- 第67页
- 第68页
- 第69页
- 第70页
- 第71页
- 第72页
- 第73页
- 第74页
- 第75页
- 第76页
- 第77页
- 第78页
- 第79页
- 第80页
- 第81页
- 第82页
- 第83页
- 第84页
- 第85页
- 第86页
- 第87页
5. 新课标》如图所示的家庭电路中,有两个器件连接错误,它们是(

A.闸刀开关和带开关的灯泡
B.带开关的灯泡和带熔丝的双孔插座
C.带开关的灯泡和三孔插座
D.闸刀开关和三孔插座
C
)A.闸刀开关和带开关的灯泡
B.带开关的灯泡和带熔丝的双孔插座
C.带开关的灯泡和三孔插座
D.闸刀开关和三孔插座
答案:
C
6. (2024·内江中考)掌握安全用电常识,是当代每个公民必备的素养. 下列四个图中符合安全用电原则的是(

A.图甲中,站在地上的人用手去接触裸露的火线
B.图乙中,手握住测电笔笔尖金属体去检验插座中的火线
C.图丙中,电水壶的外壳与地线相连接
D.图丁中,小孩靠近高压设备嬉戏、玩耍
C
)A.图甲中,站在地上的人用手去接触裸露的火线
B.图乙中,手握住测电笔笔尖金属体去检验插座中的火线
C.图丙中,电水壶的外壳与地线相连接
D.图丁中,小孩靠近高压设备嬉戏、玩耍
答案:
C
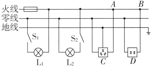
7. 学习家庭电路相关知识后,小明对如图所示设计的家庭电路的认识正确的是(

A.图中两盏灯与其对应控制开关的连接都是正确的
B.使用洗衣机时应选择插座 C
C.灯 $L_{1}$、$L_{2}$ 是串联的
D.若图中 $AB$ 之间发生开路,则用测电笔检查插座 $C$ 的各个插孔,测电笔的氖管都不发光
B
)A.图中两盏灯与其对应控制开关的连接都是正确的
B.使用洗衣机时应选择插座 C
C.灯 $L_{1}$、$L_{2}$ 是串联的
D.若图中 $AB$ 之间发生开路,则用测电笔检查插座 $C$ 的各个插孔,测电笔的氖管都不发光
答案:
B
8. 如图所示的家庭电路,当闭合开关时,发现电灯不亮. 若原因是图中画“×”的位置发生了开路,则在开关闭合的情况下,用测电笔测试电路中 $A$ 点时,测电笔氖管

会
(选填“会”或“不会”)发光.
答案:
会
9. 教室中有一台空调和多盏标有“220 V 18 W”的电灯,其中黑板前方的电灯 $L_{1}$ 和 $L_{2}$ 由一个开关 $S$ 单独控制,如图所示. 请用笔画线表示导线,将电灯 $L_{1}$、$L_{2}$ 和开关 $S$ 接入电路中,使两灯都正常发光.

答案:
9. 如图所示.
9. 如图所示.
查看更多完整答案,请扫码查看