第58页
- 第1页
- 第2页
- 第3页
- 第4页
- 第5页
- 第6页
- 第7页
- 第8页
- 第9页
- 第10页
- 第11页
- 第12页
- 第13页
- 第14页
- 第15页
- 第16页
- 第17页
- 第18页
- 第19页
- 第20页
- 第21页
- 第22页
- 第23页
- 第24页
- 第25页
- 第26页
- 第27页
- 第28页
- 第29页
- 第30页
- 第31页
- 第32页
- 第33页
- 第34页
- 第35页
- 第36页
- 第37页
- 第38页
- 第39页
- 第40页
- 第41页
- 第42页
- 第43页
- 第44页
- 第45页
- 第46页
- 第47页
- 第48页
- 第49页
- 第50页
- 第51页
- 第52页
- 第53页
- 第54页
- 第55页
- 第56页
- 第57页
- 第58页
- 第59页
- 第60页
- 第61页
- 第62页
- 第63页
- 第64页
- 第65页
- 第66页
- 第67页
- 第68页
- 第69页
- 第70页
- 第71页
- 第72页
- 第73页
- 第74页
- 第75页
- 第76页
- 第77页
- 第78页
- 第79页
- 第80页
- 第81页
- 第82页
- 第83页
- 第84页
- 第85页
- 第86页
- 第87页
- 第88页
- 第89页
- 第90页
- 第91页
- 第92页
- 第93页
- 第94页
- 第95页
- 第96页
- 第97页
- 第98页
- 第99页
- 第100页
- 第101页
1. 电阻$R_{1}= 30\ \Omega$、$R_{2}= 50\ \Omega$。若将$R_{1}$、$R_{2}$串联起来接在电源上,则$R_{1}$、$R_{2}$两端的电压之比为
$3:5$
,通过$R_{1}$、$R_{2}$的电流之比为$1:1$
。若将它们并联起来接在同一电源上,则通过$R_{1}$、$R_{2}$的电流之比为$5:3$
,$R_{1}$、$R_{2}$两端的电压之比为$1:1$
。
答案:
电阻$R_{1}= 30\ \Omega$、$R_{2}= 50\ \Omega$。若将$R_{1}$、$R_{2}$串联起来接在电源上,则$R_{1}$、$R_{2}$两端的电压之比为$3:5$,通过$R_{1}$、$R_{2}$的电流之比为$1:1$。若将它们并联起来接在同一电源上,则通过$R_{1}$、$R_{2}$的电流之比为$5:3$,$R_{1}$、$R_{2}$两端的电压之比为$1:1$。
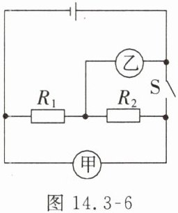
2. 如图14.3-6所示,当开关S闭合时,甲、乙两表均为电压表,两表示数之比为$4:3$,则$R_{1}$、$R_{2}$电阻之比为
$1:3$
;当开关S断开时,两表均为电流表,甲、乙两表示数之比为$1:4$
。
答案:
如图14.3-6所示,当开关S闭合时,甲、乙两表均为电压表,两表示数之比为$4:3$,则$R_{1}$、$R_{2}$电阻之比为$1:3$;当开关S断开时,两表均为电流表,甲、乙两表示数之比为$1:4$。
3. 某实验小组用图14.3-7所示的电路来测量未知电阻$R_{x}$的阻值,$R_{0}$的阻值已知。将实验过程补充完整:
(1)对照电路图连接好电路,断开开关时,读出电流表的示数为$I_{0}$;
(2)
(3)用测量所得的物理量和已知量符号表示出待测电阻:$R_{x}=$


(1)对照电路图连接好电路,断开开关时,读出电流表的示数为$I_{0}$;
(2)
闭合开关
时,读出电流表的示数为I;(3)用测量所得的物理量和已知量符号表示出待测电阻:$R_{x}=$
$\frac{I_{0}R_{0}}{I - I_{0}}$
。
答案:
(1)对照电路图连接好电路,断开开关时,读出电流表的示数为$I_{0}$;
(2)闭合开关时,读出电流表的示数为I;
(3)用测量所得的物理量和已知量符号表示出待测电阻:$R_{x}=\frac{I_{0}R_{0}}{I - I_{0}}$。
(1)对照电路图连接好电路,断开开关时,读出电流表的示数为$I_{0}$;
(2)闭合开关时,读出电流表的示数为I;
(3)用测量所得的物理量和已知量符号表示出待测电阻:$R_{x}=\frac{I_{0}R_{0}}{I - I_{0}}$。
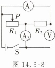
4. (多选)在图14.3-8所示的电路中,闭合开关S后,将滑动变阻器的滑片P向右移动。下列说法正确的是(

A.电流表$A_{2}$的示数变大
B.电压表的示数变大
C.电压表与电流表$A_{1}$的示数的比值不变
D.电流表$A_{2}与A_{1}$的示数之差不变
AC
)A.电流表$A_{2}$的示数变大
B.电压表的示数变大
C.电压表与电流表$A_{1}$的示数的比值不变
D.电流表$A_{2}与A_{1}$的示数之差不变
答案:
AC
5. (多选)如图14.3-9所示,电源电压保持不变,闭合开关$S_{1}$、$S_{2}$,断开开关$S_{3}$,当滑片P向左滑动时(

A.灯泡$L_{1}$亮度不变,电压表示数变大
B.灯泡$L_{1}$亮度变亮,电流表示数变大
C.电流表示数不变,电压表示数变大
D.电流表示数变小,电压表示数不变
AC
)A.灯泡$L_{1}$亮度不变,电压表示数变大
B.灯泡$L_{1}$亮度变亮,电流表示数变大
C.电流表示数不变,电压表示数变大
D.电流表示数变小,电压表示数不变
答案:
AC
6. (多选)图14.3-10是体重测试仪的工作原理图。下列说法正确的是(

A.体重示数计是用电流表改装而成的
B.体重越大,体重示数计的示数越大
C.电阻$R_{1}$在电路中没有作用,可以去掉
D.该体重测试仪电路由于缺少开关,始终处于通路状态
AB
)A.体重示数计是用电流表改装而成的
B.体重越大,体重示数计的示数越大
C.电阻$R_{1}$在电路中没有作用,可以去掉
D.该体重测试仪电路由于缺少开关,始终处于通路状态
答案:
AB
查看更多完整答案,请扫码查看