第87页
- 第1页
- 第2页
- 第3页
- 第4页
- 第5页
- 第6页
- 第7页
- 第8页
- 第9页
- 第10页
- 第11页
- 第12页
- 第13页
- 第14页
- 第15页
- 第16页
- 第17页
- 第18页
- 第19页
- 第20页
- 第21页
- 第22页
- 第23页
- 第24页
- 第25页
- 第26页
- 第27页
- 第28页
- 第29页
- 第30页
- 第31页
- 第32页
- 第33页
- 第34页
- 第35页
- 第36页
- 第37页
- 第38页
- 第39页
- 第40页
- 第41页
- 第42页
- 第43页
- 第44页
- 第45页
- 第46页
- 第47页
- 第48页
- 第49页
- 第50页
- 第51页
- 第52页
- 第53页
- 第54页
- 第55页
- 第56页
- 第57页
- 第58页
- 第59页
- 第60页
- 第61页
- 第62页
- 第63页
- 第64页
- 第65页
- 第66页
- 第67页
- 第68页
- 第69页
- 第70页
- 第71页
- 第72页
- 第73页
- 第74页
- 第75页
- 第76页
- 第77页
- 第78页
- 第79页
- 第80页
- 第81页
- 第82页
- 第83页
- 第84页
- 第85页
- 第86页
- 第87页
- 第88页
- 第89页
- 第90页
- 第91页
- 第92页
- 第93页
- 第94页
- 第95页
- 第96页
- 第97页
- 第98页
- 第99页
- 第100页
- 第101页
- 第102页
- 第103页
- 第104页
- 第105页
- 第106页
- 第107页
- 第108页
- 第109页
- 第110页
- 第111页
- 第112页
- 第113页
- 第114页
- 第115页
- 第116页
- 第117页
- 第118页
- 第119页
- 第120页
- 第121页
- 第122页
- 第123页
- 第124页
8. 图17-4-3是一款电子握力计的电路原理图,$M$、$N$均为金属板,$N$固定不动,当握力$F$增大时,下列判断正确的是(

A.滑动变阻器$R$接入电路中的阻值变小
B.电压表示数增大
C.电路中的电流增大
D.电阻$R_{0}$两端的电压增大
B
)。A.滑动变阻器$R$接入电路中的阻值变小
B.电压表示数增大
C.电路中的电流增大
D.电阻$R_{0}$两端的电压增大
答案:
B
9. 图17-4-4是一种测定油箱内油量的装置。其中$R$是滑动变阻器的电阻片,杠杆的右端是滑动变阻器的滑片,杠杆左端固定着一个浮子,油箱内油量变化时,滑片就在电阻片$R$两端之间滑动。下列说法错误的是(

A.定值电阻$R_{0}$和滑动变阻器是串联的
B.油量减少时,滑动变阻器接入电路的电阻变大
C.油量增加时,电流表示数变大
D.油箱中没有油时,电流表示数为零
D
)。A.定值电阻$R_{0}$和滑动变阻器是串联的
B.油量减少时,滑动变阻器接入电路的电阻变大
C.油量增加时,电流表示数变大
D.油箱中没有油时,电流表示数为零
答案:
D
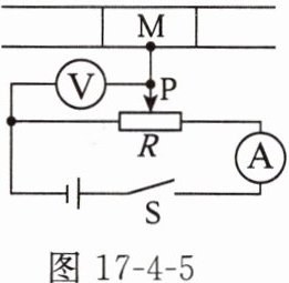
10. 计算机鼠标内装有自动控制传感器,其工作原理电路如图17-4-5所示。物体$M$在导轨上左右移动时,可带动与之相连的滑动变阻器滑片$P$左右移动,电压表示数的变化可反映出物体$M$移动的距离。当物体$M$向右移动时,下列选项正确的是(

A.电流表示数不变,电压表示数变小
B.电流表示数变大,电压表示数变大
C.电压表示数和电流表示数的比值变大
D.电压表示数和电流表示数的比值不变
C
)。A.电流表示数不变,电压表示数变小
B.电流表示数变大,电压表示数变大
C.电压表示数和电流表示数的比值变大
D.电压表示数和电流表示数的比值不变
答案:
C
查看更多完整答案,请扫码查看