第64页
- 第1页
- 第2页
- 第3页
- 第4页
- 第5页
- 第6页
- 第7页
- 第8页
- 第9页
- 第10页
- 第11页
- 第12页
- 第13页
- 第14页
- 第15页
- 第16页
- 第17页
- 第18页
- 第19页
- 第20页
- 第21页
- 第22页
- 第23页
- 第24页
- 第25页
- 第26页
- 第27页
- 第28页
- 第29页
- 第30页
- 第31页
- 第32页
- 第33页
- 第34页
- 第35页
- 第36页
- 第37页
- 第38页
- 第39页
- 第40页
- 第41页
- 第42页
- 第43页
- 第44页
- 第45页
- 第46页
- 第47页
- 第48页
- 第49页
- 第50页
- 第51页
- 第52页
- 第53页
- 第54页
- 第55页
- 第56页
- 第57页
- 第58页
- 第59页
- 第60页
- 第61页
- 第62页
- 第63页
- 第64页
- 第65页
- 第66页
- 第67页
- 第68页
- 第69页
- 第70页
- 第71页
- 第72页
- 第73页
- 第74页
- 第75页
- 第76页
- 第77页
- 第78页
- 第79页
- 第80页
- 第81页
- 第82页
- 第83页
- 第84页
- 第85页
- 第86页
- 第87页
- 第88页
- 第89页
- 第90页
- 第91页
- 第92页
- 第93页
- 第94页
- 第95页
- 第96页
- 第97页
- 第98页
- 第99页
- 第100页
- 第101页
- 第102页
- 第103页
- 第104页
- 第105页
- 第106页
- 第107页
- 第108页
- 第109页
- 第110页
- 第111页
- 第112页
- 第113页
- 第114页
- 第115页
- 第116页
- 第117页
- 第118页
- 第119页
- 第120页
- 第121页
- 第122页
- 第123页
- 第124页
1. 在电阻一定的情况下,通过导体的电流与导体两端的电压成
正比
。定值电阻的$I - U$图像是一条过原点的倾斜的直线
。
答案:
正比 倾斜的直线
2. 在电压一定时,通过导体的电流与导体的电阻成
反比
。
答案:
反比
3. 在“探究电流跟电压的关系”实验时,小聪第一次用了一节干电池,第二次用了两节干电池,第三次用了三节干电池,他这样做的目的是
改变电阻两端的电压
。
答案:
改变电阻两端的电压
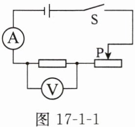
4. 图17-1-1是小李同学为探究“电流与电压的关系”设计的电路图,他准备根据此电路图连接好实物电路并进行实验。实验时,应该控制

电阻
不变;若在实验前检查仪器时,发现电流表的指针在零刻度线左侧,则他接下来的操作是将电流表指针调零
。
答案:
电阻 将电流表指针调零
5. 某同学在做“探究通过导体的电流与电压、电阻的关系”的实验,实验开始时,应将滑动变阻器滑片移至
阻值最大处
,作用是保护电路
。
答案:
阻值最大处 保护电路
6. 如图17-1-2所示,在“探究电流跟电压的关系”实验中,下列说法不正确的是(

A.用导线连接电路的过程中,开关$S$必须处于断开的状态
B.滑动变阻器可以起到改变定值电阻两端电压的作用
C.实验的结论是电流跟电压成反比
D.多次实验是为了得到电流跟电压之间的定量关系
C
)。A.用导线连接电路的过程中,开关$S$必须处于断开的状态
B.滑动变阻器可以起到改变定值电阻两端电压的作用
C.实验的结论是电流跟电压成反比
D.多次实验是为了得到电流跟电压之间的定量关系
答案:
C
查看更多完整答案,请扫码查看