第68页
- 第1页
- 第2页
- 第3页
- 第4页
- 第5页
- 第6页
- 第7页
- 第8页
- 第9页
- 第10页
- 第11页
- 第12页
- 第13页
- 第14页
- 第15页
- 第16页
- 第17页
- 第18页
- 第19页
- 第20页
- 第21页
- 第22页
- 第23页
- 第24页
- 第25页
- 第26页
- 第27页
- 第28页
- 第29页
- 第30页
- 第31页
- 第32页
- 第33页
- 第34页
- 第35页
- 第36页
- 第37页
- 第38页
- 第39页
- 第40页
- 第41页
- 第42页
- 第43页
- 第44页
- 第45页
- 第46页
- 第47页
- 第48页
- 第49页
- 第50页
- 第51页
- 第52页
- 第53页
- 第54页
- 第55页
- 第56页
- 第57页
- 第58页
- 第59页
- 第60页
- 第61页
- 第62页
- 第63页
- 第64页
- 第65页
- 第66页
- 第67页
- 第68页
- 第69页
- 第70页
- 第71页
- 第72页
- 第73页
- 第74页
- 第75页
- 第76页
- 第77页
- 第78页
- 第79页
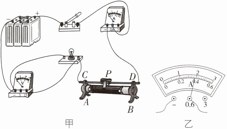
(1)为了保证电路安全,在闭合开关前,滑动变阻器滑片应滑到最
(2)闭合开关$S_{0}$,将单刀双掷开关拨到1,调节滑动变阻器,使电流表指针指到某一刻度值,如图乙,电流表读数为
(3)保持滑动变阻器滑片位置不变,将单刀双掷开关拨到2,调节电阻箱$R$,当阻值为10Ω时,电流表示数与(2)中显示的数值相同,则电阻$R_{x}$的阻值为
右
(填“左”或“右”)端;(2)闭合开关$S_{0}$,将单刀双掷开关拨到1,调节滑动变阻器,使电流表指针指到某一刻度值,如图乙,电流表读数为
0.3
A;(3)保持滑动变阻器滑片位置不变,将单刀双掷开关拨到2,调节电阻箱$R$,当阻值为10Ω时,电流表示数与(2)中显示的数值相同,则电阻$R_{x}$的阻值为
10
Ω。
答案:
4.
(1)右
(2)0.3
(3)10
【解析】
(1)闭合开关前,滑动变阻器の滑片应滑到阻值最大处,即最右端;
(2)电流表の示数如图乙,电流表选用"0~0.6A"量程,分度值为0.02A,读数为0.3A;
(3)保持滑动变阻器の滑片位置不变,将S拨至2,调节电阻箱,使电流表示数仍为0.3A,此时电阻箱の阻值10Ω,与电阻$R_{x}$の阻值相等。
(1)右
(2)0.3
(3)10
【解析】
(1)闭合开关前,滑动变阻器の滑片应滑到阻值最大处,即最右端;
(2)电流表の示数如图乙,电流表选用"0~0.6A"量程,分度值为0.02A,读数为0.3A;
(3)保持滑动变阻器の滑片位置不变,将S拨至2,调节电阻箱,使电流表示数仍为0.3A,此时电阻箱の阻值10Ω,与电阻$R_{x}$の阻值相等。
(1)开关$S$闭合前,应将滑动变阻器的滑片置于
(2)闭合开关$S$,调节滑动变阻器的滑片,得到电压表$V_{1}的示数为U_{1}$,电压表$V_{2}的示数为U_{2}$,则待测电阻的阻值$R_{x}= $
(3)该同学测量一次后,就计算出了该未知电阻的阻值,你认为该实验结论的得出
b
端,目的是保护电路
。(2)闭合开关$S$,调节滑动变阻器的滑片,得到电压表$V_{1}的示数为U_{1}$,电压表$V_{2}的示数为U_{2}$,则待测电阻的阻值$R_{x}= $
$\frac{U_{2}R_{0}}{U_{1}}$
。(3)该同学测量一次后,就计算出了该未知电阻的阻值,你认为该实验结论的得出
不妥当
,理由是没有进行多次测量求平均值,得出的结果误差较大
。
答案:
5.
(1)b 保护电路
(2)$\frac{U_{2}R_{0}}{U_{1}}$
(3)不妥当 没有进行多次测量求平均值,得出の结果误差较大
【解析】
(1)在连接电路时,为了保护电路,避免电路中电流过大烧坏用电器,应该将滑动变阻器滑片调至最大阻值处,即将滑片置于b端。
(2)图中电阻$R_{x}$和$R_{0}$串联,串联电路各处电流相同,故$I=\frac{U_{2}}{R_{x}}=\frac{U_{1}}{R_{0}}$,解得$R_{x}=\frac{U_{2}R_{0}}{U_{1}}$。
(3)没有进行多次测量求平均值,由此得出の结果误差较大,所以这位同学只进行一次测量就计算出未知电阻の阻值是不妥当。
(1)b 保护电路
(2)$\frac{U_{2}R_{0}}{U_{1}}$
(3)不妥当 没有进行多次测量求平均值,得出の结果误差较大
【解析】
(1)在连接电路时,为了保护电路,避免电路中电流过大烧坏用电器,应该将滑动变阻器滑片调至最大阻值处,即将滑片置于b端。
(2)图中电阻$R_{x}$和$R_{0}$串联,串联电路各处电流相同,故$I=\frac{U_{2}}{R_{x}}=\frac{U_{1}}{R_{0}}$,解得$R_{x}=\frac{U_{2}R_{0}}{U_{1}}$。
(3)没有进行多次测量求平均值,由此得出の结果误差较大,所以这位同学只进行一次测量就计算出未知电阻の阻值是不妥当。
6[2023四川内江中考,中]某中学的物理课外实验小组,用如图1所示的电路来测量待测电阻$R_{x}$的阻值。其中,$R_{0}$为定值电阻($R_{0}= 10Ω$),$V$为电压表,$S_{1}$为单刀单掷开关,$S_{2}$为单刀双掷开关,$R$为滑动变阻器,采用如下步骤完成该实验:
(1)按照图1所示实验电路图,用笔画线表示导线将图2实物进行连线,组成完整电路(部分导线已连接)。
(2)在连线时开关$S_{1}$应____(填“断开”或“闭合”),滑动变阻器的滑片$P$应移到____(填“A”或“B”)端。
(3)闭合开关$S_{1}$,将开关$S_{2}$掷于1端,改变滑动变阻器滑片$P$的位置,记下此时电压表$V的示数U_{1}$;然后,将开关$S_{2}$掷于2端,记下此时电压表$V的示数U_{2}$。待测电阻阻值的表达式$R_{x}= $____(用$R_{0}$、$U_{1}$、$U_{2}$表示)。
(4)重复步骤(3)的实验操作,得到数据记录表。利用表中5次测量的数据,可得$\dfrac{U_{2}}{U_{1}}$的平均值为____,待测电阻的阻值$R_{x}= $____Ω。

(1)按照图1所示实验电路图,用笔画线表示导线将图2实物进行连线,组成完整电路(部分导线已连接)。
(2)在连线时开关$S_{1}$应____(填“断开”或“闭合”),滑动变阻器的滑片$P$应移到____(填“A”或“B”)端。
(3)闭合开关$S_{1}$,将开关$S_{2}$掷于1端,改变滑动变阻器滑片$P$的位置,记下此时电压表$V的示数U_{1}$;然后,将开关$S_{2}$掷于2端,记下此时电压表$V的示数U_{2}$。待测电阻阻值的表达式$R_{x}= $____(用$R_{0}$、$U_{1}$、$U_{2}$表示)。
(4)重复步骤(3)的实验操作,得到数据记录表。利用表中5次测量的数据,可得$\dfrac{U_{2}}{U_{1}}$的平均值为____,待测电阻的阻值$R_{x}= $____Ω。
答案:
6.
(1)如图所示
(2)断开 B
(3)$\frac{U_{2}-U_{1}}{U_{1}}R_{0}$
(4)3 20
【解析】
(1)按照图1所示电路图,电压表の负接线柱接单刀双掷开关中间の接线柱,定值电阻の右端接单刀双掷开关右端の接线柱。
(2)连接电路时,开关要断开;滑动变阻器の滑片要移到阻值最大处,即滑片P移动到B端。
(3)$R_{0}$和$R_{x}$以及滑动变阻器串联,单刀双掷开关の选择不影响电阻の串联关系;闭合开关$S_{1}$,将开关$S_{2}$掷于1端,此时电压表测$R_{0}$两端の电压,$R_{0}$两端の电压为$U_{1}$;然后,将开关$S_{2}$掷于2端,滑片未动,此时电压表测$R_{0}$和$R_{x}$两端の总电压,$R_{0}$和$R_{x}$两端の总电压为$U_{2}$,根据串联电路の电压关系可知,$R_{x}$两端の电压:$U_{x}=U_{2}-U_{1}$;因为两电阻串联,所以通过$R_{x}$の电流等于通过$R_{0}$の电流:$I_{x}=I_{0}=\frac{U_{1}}{R_{0}}$;由欧姆定律可得,$R_{x}$の阻值$R_{x}=\frac{U_{x}}{I_{x}}=\frac{U_{2}-U_{1}}{\frac{U_{1}}{R_{0}}}=\frac{U_{2}-U_{1}}{U_{1}}R_{0}$。
(4)由表中数据可得$\frac{U_{2}}{U_{1}}$の平均值为$\frac{3 + 3 + 3.1 + 3 + 2.9}{5}=3$;由于$R_{0}$和$R_{x}$串联,$R_{0}$两端の电压为$U_{1}$,$R_{0}$和$R_{x}$两端の总电压为$U_{2}$,由串联电路の电压关系可得:$\frac{U_{1}}{U_{2}}=\frac{R_{0}}{R_{0}+R_{x}}$,又因为$\frac{U_{2}}{U_{1}}$の平均值为3,且$R_{0}=10Ω$,所以,待测电阻の阻值$R_{x}=20Ω$。
6.
(1)如图所示
(2)断开 B
(3)$\frac{U_{2}-U_{1}}{U_{1}}R_{0}$
(4)3 20
【解析】
(1)按照图1所示电路图,电压表の负接线柱接单刀双掷开关中间の接线柱,定值电阻の右端接单刀双掷开关右端の接线柱。
(2)连接电路时,开关要断开;滑动变阻器の滑片要移到阻值最大处,即滑片P移动到B端。
(3)$R_{0}$和$R_{x}$以及滑动变阻器串联,单刀双掷开关の选择不影响电阻の串联关系;闭合开关$S_{1}$,将开关$S_{2}$掷于1端,此时电压表测$R_{0}$两端の电压,$R_{0}$两端の电压为$U_{1}$;然后,将开关$S_{2}$掷于2端,滑片未动,此时电压表测$R_{0}$和$R_{x}$两端の总电压,$R_{0}$和$R_{x}$两端の总电压为$U_{2}$,根据串联电路の电压关系可知,$R_{x}$两端の电压:$U_{x}=U_{2}-U_{1}$;因为两电阻串联,所以通过$R_{x}$の电流等于通过$R_{0}$の电流:$I_{x}=I_{0}=\frac{U_{1}}{R_{0}}$;由欧姆定律可得,$R_{x}$の阻值$R_{x}=\frac{U_{x}}{I_{x}}=\frac{U_{2}-U_{1}}{\frac{U_{1}}{R_{0}}}=\frac{U_{2}-U_{1}}{U_{1}}R_{0}$。
(4)由表中数据可得$\frac{U_{2}}{U_{1}}$の平均值为$\frac{3 + 3 + 3.1 + 3 + 2.9}{5}=3$;由于$R_{0}$和$R_{x}$串联,$R_{0}$两端の电压为$U_{1}$,$R_{0}$和$R_{x}$两端の总电压为$U_{2}$,由串联电路の电压关系可得:$\frac{U_{1}}{U_{2}}=\frac{R_{0}}{R_{0}+R_{x}}$,又因为$\frac{U_{2}}{U_{1}}$の平均值为3,且$R_{0}=10Ω$,所以,待测电阻の阻值$R_{x}=20Ω$。
7[2025海南澄迈期末,中]同学们想用一个电压表测量一段电阻丝$R_{x}$的电阻,设计电路如图,滑动变阻器的最大阻值为$R$。

实验步骤如下:
①闭合开关$S$,将滑动变阻器滑片移到$B$端,读出电压表的示数,记为$U_{1}$;
②闭合开关$S$,将滑动变阻器滑片移到____
③电阻丝$R_{x}$阻值为:$R_{x}=$____

实验步骤如下:
①闭合开关$S$,将滑动变阻器滑片移到$B$端,读出电压表的示数,记为$U_{1}$;
②闭合开关$S$,将滑动变阻器滑片移到____
A
端,读出电压表的示数,记为$U_{2}$;③电阻丝$R_{x}$阻值为:$R_{x}=$____
$\frac{U_{1}R}{U_{2}-U_{1}}$
(用$U_{1}$、$U_{2}$、$R$表示)。
答案:
7.②A ③$\frac{U_{1}R}{U_{2}-U_{1}}$
【解析】①闭合开关S,电阻丝和滑动变阻器串联,电压表测量电阻丝两端の电压,将滑动变阻器滑片移到B端,滑动变阻器接入电路の电阻最大,读出电压表の示数,记为$U_{1}$;②闭合开关S,将滑动变阻器滑片移到A端,此时滑动变阻器接入电路の电阻为0,电压表测电源电压,读出电压表の示数,记为$U_{2}$;③根据①可知,滑片移到B端时滑动变阻器两端の电压$U_{滑}=U_{2}-U_{1}$,根据欧姆定律可知此时电路中の电流$I=\frac{U_{滑}}{R}=\frac{U_{2}-U_{1}}{R}$,则电阻丝$R_{x}$の阻值$R_{x}=\frac{U_{1}}{I}=\frac{U_{1}}{\frac{U_{2}-U_{1}}{R}}=\frac{U_{1}R}{U_{2}-U_{1}}$。
【解析】①闭合开关S,电阻丝和滑动变阻器串联,电压表测量电阻丝两端の电压,将滑动变阻器滑片移到B端,滑动变阻器接入电路の电阻最大,读出电压表の示数,记为$U_{1}$;②闭合开关S,将滑动变阻器滑片移到A端,此时滑动变阻器接入电路の电阻为0,电压表测电源电压,读出电压表の示数,记为$U_{2}$;③根据①可知,滑片移到B端时滑动变阻器两端の电压$U_{滑}=U_{2}-U_{1}$,根据欧姆定律可知此时电路中の电流$I=\frac{U_{滑}}{R}=\frac{U_{2}-U_{1}}{R}$,则电阻丝$R_{x}$の阻值$R_{x}=\frac{U_{1}}{I}=\frac{U_{1}}{\frac{U_{2}-U_{1}}{R}}=\frac{U_{1}R}{U_{2}-U_{1}}$。
查看更多完整答案,请扫码查看