第53页
- 第1页
- 第2页
- 第3页
- 第4页
- 第5页
- 第6页
- 第7页
- 第8页
- 第9页
- 第10页
- 第11页
- 第12页
- 第13页
- 第14页
- 第15页
- 第16页
- 第17页
- 第18页
- 第19页
- 第20页
- 第21页
- 第22页
- 第23页
- 第24页
- 第25页
- 第26页
- 第27页
- 第28页
- 第29页
- 第30页
- 第31页
- 第32页
- 第33页
- 第34页
- 第35页
- 第36页
- 第37页
- 第38页
- 第39页
- 第40页
- 第41页
- 第42页
- 第43页
- 第44页
- 第45页
- 第46页
- 第47页
- 第48页
- 第49页
- 第50页
- 第51页
- 第52页
- 第53页
- 第54页
- 第55页
- 第56页
- 第57页
- 第58页
- 第59页
- 第60页
- 第61页
- 第62页
- 第63页
- 第64页
- 第65页
- 第66页
- 第67页
- 第68页
- 第69页
- 第70页
- 第71页
- 第72页
- 第73页
- 第74页
- 第75页
- 第76页
- 第77页
- 第78页
- 第79页
二、填空题(每空4分,共28分)
7[中]如图所示是实验室的验电器,它的工作原理是同种电荷

7[中]如图所示是实验室的验电器,它的工作原理是同种电荷
相互排斥
,带电体所带的电荷越多,金属箔的张角越大
,验电器不能
(填“能”或“不能”)直接检验物体带哪种电荷。
答案:
相互排斥 越大 不能 【解析】对物体进行检验时,使物体接触验电器的金属球,若物体带电,则金属箔就会带上电荷,因为带上同种电荷互相排斥,所以金属箔会张开。带电体所带的电荷越多,金属箔的张角就越大。验电器能检验物体是否带电,但不能直接检验物体带哪种电荷。
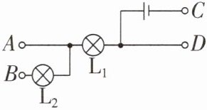
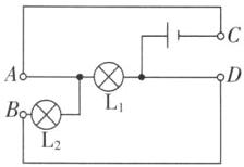
8[中]如图所示,A、B、C、D是四个接线柱,要使$L_1、$$L_2$并联,应用导线分别连接______两接线柱和连接______两接线柱。

答案:
A、C B、D 【解析】若把接线柱 A 与 C 连接,接线柱 B 与 D 连接,则电路中电流的路径有两条,此时$L_{1}$、$L_{2}$并联,如图所示。
A、C B、D 【解析】若把接线柱 A 与 C 连接,接线柱 B 与 D 连接,则电路中电流的路径有两条,此时$L_{1}$、$L_{2}$并联,如图所示。
9[2025安徽六安期中,中]小红在实验时连接了如图所示的电路。闭合开关后,她发现两灯都不亮,电压表示数为0。她将电压表接在灯$L_1$两端,电压表示数接近电源电压,则故障原因可能是

$L_{1}$断路
;若闭合开关后发现灯$L_1$亮,灯$L_2$不亮,电压表无示数,则故障原因可能是$L_{2}$短路
。
答案:
$L_{1}$断路 $L_{2}$短路 【解析】由电路图可知,两灯串联,若两灯都不亮,则电路中可能出现断路情况,将电压表接在灯$L_{1}$两端,电压表示数接近电源电压,则说明电压表与电源连通,将电压表接在灯$L_{2}$两端时,电压表示数为0,说明电压表并联的电路之外存在断路,则故障原因可能是灯$L_{1}$断路;若灯$L_{1}$亮,灯$L_{2}$不亮,两灯串联,所以电路不可能是断路,电压表无示数,则可能是灯$L_{2}$短路。
10[中]如图是小晶所连的电路,她要测量小灯泡$L_2$两端的电压。

(1)图中有一根导线连接错误,请你找出那根连错的导线,在这根导线上画“×”,并用笔画线代替导线将电路连接正确。
(2)在方框里画出连线正确后的电路图。
(1)图中有一根导线连接错误,请你找出那根连错的导线,在这根导线上画“×”,并用笔画线代替导线将电路连接正确。
(2)在方框里画出连线正确后的电路图。
答案:
(1)如图甲所示
(2)如图乙所示
【解析】
(1)从题图中可以看出,电压表并联在灯泡$L_{1}$、$L_{2}$两端,测量$L_{1}$、$L_{2}$两端的总电压,故连接错误,需将电压表并联在$L_{2}$两端。
(2)两灯泡串联,开关控制整个电路,电压表测$L_{2}$两端电压。
(1)如图甲所示
(2)如图乙所示
【解析】
(1)从题图中可以看出,电压表并联在灯泡$L_{1}$、$L_{2}$两端,测量$L_{1}$、$L_{2}$两端的总电压,故连接错误,需将电压表并联在$L_{2}$两端。
(2)两灯泡串联,开关控制整个电路,电压表测$L_{2}$两端电压。
(1)如图甲是他们设计的电路图,图乙是他们测量电流时连接的实验电路,此时电流表测量的是
(2)分别测出图甲中A、B、C三处的电流I_A、I_B、I_C后可以得出初步结论
(3)二人继续探究“串联电路的电压关系”,实验电路如图丙所示,若某次实验用电压表测得U_AB = 1.3V,U_BC = 1.7V,U_AC = 3V,则他们初步得到的串联电路的电压规律是
B
(填“A”“B”或“C”)处的电流;(2)分别测出图甲中A、B、C三处的电流I_A、I_B、I_C后可以得出初步结论
I_{C}=I_{A}+I_{B}
(只写表达式),为了得到更普遍的规律,操作方法是:换用不同规格的灯泡多次实验
;(3)二人继续探究“串联电路的电压关系”,实验电路如图丙所示,若某次实验用电压表测得U_AB = 1.3V,U_BC = 1.7V,U_AC = 3V,则他们初步得到的串联电路的电压规律是
串联电路的总电压等于各用电器两端的电压之和
(用文字表达)。
答案:
(1)B
(2)$I_{C}=I_{A}+I_{B}$ 换用不同规格的灯泡多次实验
(3)串联电路的总电压等于各用电器两端的电压之和
【解析】
(1)由图乙可知,$L_{1}$与$L_{2}$并联,电流表与$L_{2}$在一条支路上,故电流表测量的是通过$L_{2}$的电流,即图甲中 B处的电流。
(2)图甲为并联电路,并联电路中干路电流等于各支路电流之和。故实验结论为$I_{C}=I_{A}+I_{B}$。为了得到普遍规律,需要进行多次测量,因此需要更换不同规格的灯泡进行多次实验。
(3)由测得的数据可得$1.3V+1.7V=3V$,即$U_{AB}+U_{BC}=U_{AC}$,可知串联电路的总电压等于各用电器两端的电压之和。
(1)B
(2)$I_{C}=I_{A}+I_{B}$ 换用不同规格的灯泡多次实验
(3)串联电路的总电压等于各用电器两端的电压之和
【解析】
(1)由图乙可知,$L_{1}$与$L_{2}$并联,电流表与$L_{2}$在一条支路上,故电流表测量的是通过$L_{2}$的电流,即图甲中 B处的电流。
(2)图甲为并联电路,并联电路中干路电流等于各支路电流之和。故实验结论为$I_{C}=I_{A}+I_{B}$。为了得到普遍规律,需要进行多次测量,因此需要更换不同规格的灯泡进行多次实验。
(3)由测得的数据可得$1.3V+1.7V=3V$,即$U_{AB}+U_{BC}=U_{AC}$,可知串联电路的总电压等于各用电器两端的电压之和。
12[2025河北唐山期中,中]如图所示电路,电源电压为6V。
(1)若只闭合$S_2$和$S_4$时,电压表的示数为3.6V,则$L_1$和$L_2$两端的电压各为多少?
(2)若只闭合$S_1$和$S_3$时,电流表$A_1$和$A_2$的示数分别为0.24A和0.5A,则通过灯$L_1$和$L_2$的电流分别为多少?
(3)若将$S_1、$$S_2、$$S_3$和$S_4$同时闭合,此时通过灯$L_1$的电流为多少?电压表示数为多少?

(1)若只闭合$S_2$和$S_4$时,电压表的示数为3.6V,则$L_1$和$L_2$两端的电压各为多少?
(2)若只闭合$S_1$和$S_3$时,电流表$A_1$和$A_2$的示数分别为0.24A和0.5A,则通过灯$L_1$和$L_2$的电流分别为多少?
(3)若将$S_1、$$S_2、$$S_3$和$S_4$同时闭合,此时通过灯$L_1$的电流为多少?电压表示数为多少?
答案:
【解】
(1)只闭合$S_{2}$和$S_{4}$时,$L_{1}$和$L_{2}$串联,电压表测$L_{1}$两端电压,$U_{1}=3.6V$,由串联电路的电压特点可得,$L_{2}$两端的电压$U_{2}=U-U_{1}=6V-3.6V=2.4V;$
(2)只闭合$S_{1}$和$S_{3}$时,$L_{1}$和$L_{2}$并联,电流表$A_{1}$测通过$L_{1}$的电流,$I_{1}=0.24A$,$A_{2}$测干路中的电流,$I=0.5A$,由并联电路的电流特点可得,通过$L_{2}$的电流$I_{2}=I-I_{1}=0.5A-0.24A=0.26A;$
(3)若将$S_{1}$、$S_{2}$、$S_{3}$和$S_{4}$同时闭合,电源两极会被导线直接相连,造成电源短路,此时通过灯$L_{1}$的电流为0 A,电压表也被短路,示数为0 V。
(1)只闭合$S_{2}$和$S_{4}$时,$L_{1}$和$L_{2}$串联,电压表测$L_{1}$两端电压,$U_{1}=3.6V$,由串联电路的电压特点可得,$L_{2}$两端的电压$U_{2}=U-U_{1}=6V-3.6V=2.4V;$
(2)只闭合$S_{1}$和$S_{3}$时,$L_{1}$和$L_{2}$并联,电流表$A_{1}$测通过$L_{1}$的电流,$I_{1}=0.24A$,$A_{2}$测干路中的电流,$I=0.5A$,由并联电路的电流特点可得,通过$L_{2}$的电流$I_{2}=I-I_{1}=0.5A-0.24A=0.26A;$
(3)若将$S_{1}$、$S_{2}$、$S_{3}$和$S_{4}$同时闭合,电源两极会被导线直接相连,造成电源短路,此时通过灯$L_{1}$的电流为0 A,电压表也被短路,示数为0 V。
查看更多完整答案,请扫码查看