第96页
- 第1页
- 第2页
- 第3页
- 第4页
- 第5页
- 第6页
- 第7页
- 第8页
- 第9页
- 第10页
- 第11页
- 第12页
- 第13页
- 第14页
- 第15页
- 第16页
- 第17页
- 第18页
- 第19页
- 第20页
- 第21页
- 第22页
- 第23页
- 第24页
- 第25页
- 第26页
- 第27页
- 第28页
- 第29页
- 第30页
- 第31页
- 第32页
- 第33页
- 第34页
- 第35页
- 第36页
- 第37页
- 第38页
- 第39页
- 第40页
- 第41页
- 第42页
- 第43页
- 第44页
- 第45页
- 第46页
- 第47页
- 第48页
- 第49页
- 第50页
- 第51页
- 第52页
- 第53页
- 第54页
- 第55页
- 第56页
- 第57页
- 第58页
- 第59页
- 第60页
- 第61页
- 第62页
- 第63页
- 第64页
- 第65页
- 第66页
- 第67页
- 第68页
- 第69页
- 第70页
- 第71页
- 第72页
- 第73页
- 第74页
- 第75页
- 第76页
- 第77页
- 第78页
- 第79页
- 第80页
- 第81页
- 第82页
- 第83页
- 第84页
- 第85页
- 第86页
- 第87页
- 第88页
- 第89页
- 第90页
- 第91页
- 第92页
- 第93页
- 第94页
- 第95页
- 第96页
- 第97页
- 第98页
- 第99页
- 第100页
- 第101页
- 第102页
- 第103页
- 第104页
- 第105页
- 第106页
- 第107页
- 第108页
- 第109页
- 第110页
- 第111页
- 第112页
- 第113页
- 第114页
- 第115页
- 第116页
- 第117页
- 第118页
- 第119页
- 第120页
- 第121页
- 第122页
- 第123页
- 第124页
5. (2024株洲一模)如图所示是A、B两定值电阻的U - I图像,由图像中信息可知:RA______RB(选填“>”“=”或“<”);若将A、B两电阻并联接在4V电源的两端,RA和RB的电功率之比为______,1min内A电阻产生的热量为______J。

答案:
5.答案 > 1 : 2 48
解析 由图可知,在电流相同时,A电阻两端的电压大,根据$R=\frac{U}{I}$可知,$R_A>R_B$;若将A、B两电阻并联接在4V电源的两端,电阻两端的电压相同,通过$R_A$和$R_B$的电流分别为0.2A和0.4A,根据$P = UI$可知,$R_A$和$R_B$的电功率之比$P_A : P_B = UI_A : UI_B = 0.2A : 0.4A = 1 : 2$;1min内A电阻产生的热量$Q = W = UI_At = 4V×0.2A×60s = 48J$。
解析 由图可知,在电流相同时,A电阻两端的电压大,根据$R=\frac{U}{I}$可知,$R_A>R_B$;若将A、B两电阻并联接在4V电源的两端,电阻两端的电压相同,通过$R_A$和$R_B$的电流分别为0.2A和0.4A,根据$P = UI$可知,$R_A$和$R_B$的电功率之比$P_A : P_B = UI_A : UI_B = 0.2A : 0.4A = 1 : 2$;1min内A电阻产生的热量$Q = W = UI_At = 4V×0.2A×60s = 48J$。
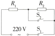
6. (2024长沙一模)如图是某电加热器的工作电路图,电加热器有“高温”和“低温”两挡,其中R1 = 44Ω,R2 = 176Ω。当开关S1、S2都闭合时是______挡,电加热器在该挡位下正常工作5min产生的热量是______J。

答案:
6.答案 高温 3.3×10⁵
解析 当开关$S_1$、$S_2$都闭合时,只有$R_1$工作,电路中的总电阻最小,由$P=\frac{U^2}{R}$可知此时总功率最大,电加热器处于高温挡。电加热器在该挡位下正常工作5min产生的热量$Q=\frac{U^2}{R_1}t=\frac{(220V)^2}{44Ω}×5×60s = 3.3×10^5J$。
解析 当开关$S_1$、$S_2$都闭合时,只有$R_1$工作,电路中的总电阻最小,由$P=\frac{U^2}{R}$可知此时总功率最大,电加热器处于高温挡。电加热器在该挡位下正常工作5min产生的热量$Q=\frac{U^2}{R_1}t=\frac{(220V)^2}{44Ω}×5×60s = 3.3×10^5J$。
7. (2024娄底二模)某型号的电炖盅有“高温”和“低温”两个挡位,其简化电路如图所示,部分参数如表所示。同时闭合开关S、S1,电炖盅处于______挡;1kW·h电能可供电炖盅在“高温”挡正常工作______h;R2 = ______Ω。

答案:
7.答案 高温 0.5 100
解析 由电路图可知,同时闭合开关S、$S_1$时,电阻$R_1$、$R_2$并联,电路中的总电阻最小,由$P=\frac{U^2}{R}$可知,此时总功率最大,电炖盅为高温挡;由表中数据可知电炖盅在“高温”挡正常工作的电功率$P_{高} = 2000W = 2kW$,由$P=\frac{W}{t}$可得,1kW·h电能可供电炖盅在“高温”挡正常工作的时间$t=\frac{W}{P_{高}}=\frac{1kW·h}{2kW}= 0.5h$;只闭合开关S时,电路为$R_2$的简单电路,电路中的总电阻最大,由$P=\frac{U^2}{R}$可知,此时总功率最小,电炖盅为“低温”挡;由表中数据可知,$R_2=\frac{U^2}{P_{低}}=\frac{(220V)^2}{484W}= 100Ω$。
解析 由电路图可知,同时闭合开关S、$S_1$时,电阻$R_1$、$R_2$并联,电路中的总电阻最小,由$P=\frac{U^2}{R}$可知,此时总功率最大,电炖盅为高温挡;由表中数据可知电炖盅在“高温”挡正常工作的电功率$P_{高} = 2000W = 2kW$,由$P=\frac{W}{t}$可得,1kW·h电能可供电炖盅在“高温”挡正常工作的时间$t=\frac{W}{P_{高}}=\frac{1kW·h}{2kW}= 0.5h$;只闭合开关S时,电路为$R_2$的简单电路,电路中的总电阻最大,由$P=\frac{U^2}{R}$可知,此时总功率最小,电炖盅为“低温”挡;由表中数据可知,$R_2=\frac{U^2}{P_{低}}=\frac{(220V)^2}{484W}= 100Ω$。
三、实验探究题
8. (2024广西)小明用标有“2.5V”字样的小灯泡做“测量小灯泡的电功率”实验,设计了如图甲所示的电路图。


(1)闭合开关前,应将滑动变阻器的滑片置于______(选填“a”或“b”)端,闭合开关后,发现小灯泡不亮,则电路故障可能是滑动变阻器______(选填“短路”或“断路”);
(2)排除故障后,某次实验电压表的示数如图乙所示,为______V;小明测得多组数据,并画出如图丙所示的图像,由图像可知小灯泡正常发光时的电阻为______Ω,小灯泡的额定功率为______W;
(3)图丙的图像是一条曲线的原因是小灯泡的电阻随温度升高而______(选填“增大”或“减小”)。
(4)受到上述实验的启发,为测量高温物体的温度,小明将图甲电路改装成一个简易的温度传感器。思路如下:将图甲中的小灯泡换成与灯丝同种材料的电阻丝,选择图中一个电表改装为温度显示仪。你建议他选哪个电表?请说明理由(从电表的示数随待测物体的温度变化关系进行阐述)。
答:______________________________
8. (2024广西)小明用标有“2.5V”字样的小灯泡做“测量小灯泡的电功率”实验,设计了如图甲所示的电路图。
(1)闭合开关前,应将滑动变阻器的滑片置于______(选填“a”或“b”)端,闭合开关后,发现小灯泡不亮,则电路故障可能是滑动变阻器______(选填“短路”或“断路”);
(2)排除故障后,某次实验电压表的示数如图乙所示,为______V;小明测得多组数据,并画出如图丙所示的图像,由图像可知小灯泡正常发光时的电阻为______Ω,小灯泡的额定功率为______W;
(3)图丙的图像是一条曲线的原因是小灯泡的电阻随温度升高而______(选填“增大”或“减小”)。
(4)受到上述实验的启发,为测量高温物体的温度,小明将图甲电路改装成一个简易的温度传感器。思路如下:将图甲中的小灯泡换成与灯丝同种材料的电阻丝,选择图中一个电表改装为温度显示仪。你建议他选哪个电表?请说明理由(从电表的示数随待测物体的温度变化关系进行阐述)。
答:______________________________
答案:
8.答案
(1)b 断路
(2)1.2 6.25 1
(3)增大
(4)电压表,物体的温度越高,电压表的示数越大。(或电流表,物体的温度越高,电流表示数越小。)
解析
(1)闭合开关前,滑动变阻器的滑片要移到接入电路阻值最大的一端,目的是让电路中通过的电流最小,起到保护电路的作用,由题图可知滑片移到b端时接入电路的阻值最大。闭合开关后,小灯泡不亮,说明电路断路或电流过小,故电路故障可能为滑动变阻器断路。
(2)由题图可知电压表量程为0~3V,分度值为0.1V,所以此时电压表读数为1.2V,由图丙可以看出,当小灯泡达到额定电压2.5V时,电流为0.4A,则此时小灯泡的电阻$R=\frac{U_{额}}{I_{额}}=\frac{2.5V}{0.4A}= 6.25Ω$,额定功率$P_{额} = U_{额}I_{额} = 2.5V×0.4A = 1W$。
(3)由图丙中的数据可知,通过小灯泡的电流增大时,温度升高,小灯泡的电阻阻值不断增大,因此小灯泡的电阻与温度有关,温度越高,电阻越大。
(4)把图甲中的小灯泡换成与灯丝同种材料的电阻丝,待测物体温度升高,电阻丝的温度随之升高,电阻变大,保持滑动变阻器滑片位置不变,则电路中电流表示数减小,电压表示数增大,可以把电压表或电流表的刻度改成相对应的温度值,从而把电表改装成温度显示仪。
(1)b 断路
(2)1.2 6.25 1
(3)增大
(4)电压表,物体的温度越高,电压表的示数越大。(或电流表,物体的温度越高,电流表示数越小。)
解析
(1)闭合开关前,滑动变阻器的滑片要移到接入电路阻值最大的一端,目的是让电路中通过的电流最小,起到保护电路的作用,由题图可知滑片移到b端时接入电路的阻值最大。闭合开关后,小灯泡不亮,说明电路断路或电流过小,故电路故障可能为滑动变阻器断路。
(2)由题图可知电压表量程为0~3V,分度值为0.1V,所以此时电压表读数为1.2V,由图丙可以看出,当小灯泡达到额定电压2.5V时,电流为0.4A,则此时小灯泡的电阻$R=\frac{U_{额}}{I_{额}}=\frac{2.5V}{0.4A}= 6.25Ω$,额定功率$P_{额} = U_{额}I_{额} = 2.5V×0.4A = 1W$。
(3)由图丙中的数据可知,通过小灯泡的电流增大时,温度升高,小灯泡的电阻阻值不断增大,因此小灯泡的电阻与温度有关,温度越高,电阻越大。
(4)把图甲中的小灯泡换成与灯丝同种材料的电阻丝,待测物体温度升高,电阻丝的温度随之升高,电阻变大,保持滑动变阻器滑片位置不变,则电路中电流表示数减小,电压表示数增大,可以把电压表或电流表的刻度改成相对应的温度值,从而把电表改装成温度显示仪。
查看更多完整答案,请扫码查看