第79页
- 第1页
- 第2页
- 第3页
- 第4页
- 第5页
- 第6页
- 第7页
- 第8页
- 第9页
- 第10页
- 第11页
- 第12页
- 第13页
- 第14页
- 第15页
- 第16页
- 第17页
- 第18页
- 第19页
- 第20页
- 第21页
- 第22页
- 第23页
- 第24页
- 第25页
- 第26页
- 第27页
- 第28页
- 第29页
- 第30页
- 第31页
- 第32页
- 第33页
- 第34页
- 第35页
- 第36页
- 第37页
- 第38页
- 第39页
- 第40页
- 第41页
- 第42页
- 第43页
- 第44页
- 第45页
- 第46页
- 第47页
- 第48页
- 第49页
- 第50页
- 第51页
- 第52页
- 第53页
- 第54页
- 第55页
- 第56页
- 第57页
- 第58页
- 第59页
- 第60页
- 第61页
- 第62页
- 第63页
- 第64页
- 第65页
- 第66页
- 第67页
- 第68页
- 第69页
- 第70页
- 第71页
- 第72页
- 第73页
- 第74页
- 第75页
- 第76页
- 第77页
- 第78页
- 第79页
- 第80页
- 第81页
- 第82页
- 第83页
- 第84页
- 第85页
- 第86页
- 第87页
- 第88页
- 第89页
- 第90页
- 第91页
- 第92页
- 第93页
- 第94页
- 第95页
- 第96页
- 第97页
- 第98页
- 第99页
- 第100页
- 第101页
- 第102页
- 第103页
- 第104页
- 第105页
- 第106页
- 第107页
- 第108页
- 第109页
- 第110页
- 第111页
- 第112页
- 第113页
- 第114页
- 第115页
- 第116页
- 第117页
- 第118页
- 第119页
- 第120页
- 第121页
- 第122页
- 第123页
- 第124页
- 第125页
- 第126页
- 第127页
- 第128页
- 第129页
- 第130页
- 第131页
- 第132页
- 第133页
- 第134页
- 第135页
- 第136页
- 第137页
- 第138页
- 第139页
- 第140页
- 第141页
- 第142页
- 第143页
22. 小安用测电笔检查家庭电路如图所示,电路中画“×”处表示该处断路,开关$S$闭合后,用测电笔测试电路中的$A$点,测电笔氖管

会
(选填“会”或“不会”)发光。在触摸冰箱时,他感到“麻手”,产生这种现象的原因除了冰箱内部相线绝缘皮破损外,另一个原因是其金属外壳没有接地
(选填“相线”或“保护线”),如果此时正确使用测电笔测试金属外壳,测电笔氖管会
(选填“会”或“不会”)发光。
答案:
22.会 地 会
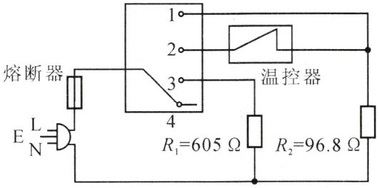
23. 一种煲汤用的电热锅工作原理如图所示,其中温控器的作用是当水沸腾后能自动断电一段时间。电热锅的部分参数如表所示。


(1)三脚插头上标着$E$的导线和
(2)调节切换开关可以使电热锅处于“关闭、高温、自动、保温”四种工作状态,则原理图中的切换开关连接触点“
(3)该电热锅处于高温挡正常工作时,使$4.5\ L$的水温升高$54\ \degree C$需要$42\ min$,那么电热锅的效率为多少?[$c_{水}=4.2×10^{3}\ J/( kg· \degree C)$]
(1)三脚插头上标着$E$的导线和
电热锅的金属外壳
相连;插座上相应的导线和大地
相连。(2)调节切换开关可以使电热锅处于“关闭、高温、自动、保温”四种工作状态,则原理图中的切换开关连接触点“
3
”时为保温挡。小瑾发现,当电热锅处于保温挡正常工作时,不论加热多长时间,都不能使锅内的汤水沸腾,原因可能是保温功率小于(或等于)散热功率
。(3)该电热锅处于高温挡正常工作时,使$4.5\ L$的水温升高$54\ \degree C$需要$42\ min$,那么电热锅的效率为多少?[$c_{水}=4.2×10^{3}\ J/( kg· \degree C)$]
答案:
23.
(1)电热锅的金属外壳 大地
(2)3 保温功率小于(或等于)散热功率
(3)V=4.5 L=4.5×10⁻³ m³,
m=ρV=1.0×10³ kg/m³×4.5×10⁻³ m³=4.5 kg,
水吸收的热量 Q=cₖmΔt=4.2×
10³ J/(kg·℃)×4.5 kg×54 ℃=1.020 6×
10⁶ J,加热功率 P=500 W,工作 42 min 消耗
电能 W=Pt=500 W×42×60 s=1.26×
10⁶ J,
η=Q/W×100%=1.020 6×10⁶ J/1.26×10⁶ J×100%=
81%。
(1)电热锅的金属外壳 大地
(2)3 保温功率小于(或等于)散热功率
(3)V=4.5 L=4.5×10⁻³ m³,
m=ρV=1.0×10³ kg/m³×4.5×10⁻³ m³=4.5 kg,
水吸收的热量 Q=cₖmΔt=4.2×
10³ J/(kg·℃)×4.5 kg×54 ℃=1.020 6×
10⁶ J,加热功率 P=500 W,工作 42 min 消耗
电能 W=Pt=500 W×42×60 s=1.26×
10⁶ J,
η=Q/W×100%=1.020 6×10⁶ J/1.26×10⁶ J×100%=
81%。
查看更多完整答案,请扫码查看