2026年突唯中考中考总复习九年级物理全一册通用版河南专版
注:目前有些书本章节名称可能整理的还不是很完善,但都是按照顺序排列的,请同学们按照顺序仔细查找。练习册 2026年突唯中考中考总复习九年级物理全一册通用版河南专版 答案主要是用来给同学们做完题方便对答案用的,请勿直接抄袭。
第119页
- 第1页
- 第2页
- 第3页
- 第4页
- 第5页
- 第6页
- 第7页
- 第8页
- 第9页
- 第10页
- 第11页
- 第12页
- 第13页
- 第14页
- 第15页
- 第16页
- 第17页
- 第18页
- 第19页
- 第20页
- 第21页
- 第22页
- 第23页
- 第24页
- 第25页
- 第26页
- 第27页
- 第28页
- 第29页
- 第30页
- 第31页
- 第32页
- 第33页
- 第34页
- 第35页
- 第36页
- 第37页
- 第38页
- 第39页
- 第40页
- 第41页
- 第42页
- 第43页
- 第44页
- 第45页
- 第46页
- 第47页
- 第48页
- 第49页
- 第50页
- 第51页
- 第52页
- 第53页
- 第54页
- 第55页
- 第56页
- 第57页
- 第58页
- 第59页
- 第60页
- 第61页
- 第62页
- 第63页
- 第64页
- 第65页
- 第66页
- 第67页
- 第68页
- 第69页
- 第70页
- 第71页
- 第72页
- 第73页
- 第74页
- 第75页
- 第76页
- 第77页
- 第78页
- 第79页
- 第80页
- 第81页
- 第82页
- 第83页
- 第84页
- 第85页
- 第86页
- 第87页
- 第88页
- 第89页
- 第90页
- 第91页
- 第92页
- 第93页
- 第94页
- 第95页
- 第96页
- 第97页
- 第98页
- 第99页
- 第100页
- 第101页
- 第102页
- 第103页
- 第104页
- 第105页
- 第106页
- 第107页
- 第108页
- 第109页
- 第110页
- 第111页
- 第112页
- 第113页
- 第114页
- 第115页
- 第116页
- 第117页
- 第118页
- 第119页
- 第120页
- 第121页
- 第122页
- 第123页
- 第124页
- 第125页
- 第126页
- 第127页
- 第128页
- 第129页
- 第130页
- 第131页
- 第132页
- 第133页
- 第134页
- 第135页
- 第136页
- 第137页
- 第138页
- 第139页
- 第140页
- 第141页
- 第142页
- 第143页
- 第144页
- 第145页
- 第146页
- 第147页
- 第148页
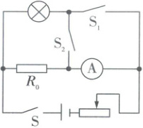
1. 用如图所示的电路测量小灯泡的额定功率。
已知小灯泡的额定电压为$U_额$,定值电阻的阻值为$R_0$,电源电压保持不变。实验步骤如下:

(1)闭合开关$S$、$S_1$,断开$S_2$,调节滑动变阻器的滑片,使电流表示数为
(2)
(3)小灯泡的额定功率$P_额$ =
已知小灯泡的额定电压为$U_额$,定值电阻的阻值为$R_0$,电源电压保持不变。实验步骤如下:
(1)闭合开关$S$、$S_1$,断开$S_2$,调节滑动变阻器的滑片,使电流表示数为
$\frac{U_{额}}{R_{0}}$
。(2)
闭合开关S、$S_{2},$断开$S_{1},$保持滑动变阻器的滑片位置不动
,记录电流表的示数为$I$。(3)小灯泡的额定功率$P_额$ =
$U_{额}(I - \frac{U_{额}}{R_{0}})$
。
答案:
$1.(1)\frac{U_{额}}{R_{0}} (2)$闭合开关S、$S_{2},$断开$S_{1},$保持滑动变阻器的滑片位置不动$ (3)U_{额}(I - \frac{U_{额}}{R_{0}})$
【解析】由题图可知,闭合开关S、$S_{1},$断开$S_{2},$定值电阻与小灯泡并联,电流表测量定值电阻的电流,调节滑动变阻器的滑片,使电流表的示数为$\frac{U_{额}}{R_{0}},$此时小灯泡两端为额定电压;闭合开关S、$S_{2},$断开$S_{1},$定值电阻与小灯泡并联,电流表测量干路电流,保持滑动变阻器的滑片位置不动,电流表的示数为I,根据各支路电流之和等于干路电流,所以小灯泡的电流为$I_{L}=I - \frac{U_{额}}{R_{0}},$小灯泡的额定电压为$U_{额},$所以小灯泡的额定功率表达式为$P_{额}=U_{额}(I - \frac{U_{额}}{R_{0}})。$
【解析】由题图可知,闭合开关S、$S_{1},$断开$S_{2},$定值电阻与小灯泡并联,电流表测量定值电阻的电流,调节滑动变阻器的滑片,使电流表的示数为$\frac{U_{额}}{R_{0}},$此时小灯泡两端为额定电压;闭合开关S、$S_{2},$断开$S_{1},$定值电阻与小灯泡并联,电流表测量干路电流,保持滑动变阻器的滑片位置不动,电流表的示数为I,根据各支路电流之和等于干路电流,所以小灯泡的电流为$I_{L}=I - \frac{U_{额}}{R_{0}},$小灯泡的额定电压为$U_{额},$所以小灯泡的额定功率表达式为$P_{额}=U_{额}(I - \frac{U_{额}}{R_{0}})。$
2. 如图所示是小辉同学测小灯泡额定功率的实验电路图。已知小灯泡的额定电流为$I_额$,定值电阻的阻值为$R_0$。

(1)闭合开关
(2)
(3)通过$R_0$的电流为
(1)闭合开关
$S、S_{1}$
,断开开关$S_{2}$
,调节滑动变阻器的滑片$P$使电流表示数为$I_额$。(2)
保持滑片P不动
,闭合开关$S、S_{2}$
,断开开关$S_{1}$
,记录电流表示数$I$。(3)通过$R_0$的电流为
$I - I_{额}$
,此时小灯泡两端的电压为$(I - I_{额})R_{0}$
,小灯泡额定功率$P_额$ = $I_{额}R_{0}(I - I_{额})$
。
答案:
2.
(1)S、$S_{1} S_{2} (2)$保持滑片P不动 S、$S_{2} S_{1} (3)I - I_{额} (I - I_{额})R_{0} I_{额}R_{0}(I - I_{额})$
【解析】
(1)闭合开关S、$S_{1},$断开$S_{2},$定值电阻和小灯泡并联,电流表测量小灯泡的电流,所以调节滑动变阻器的滑片P使电流表示数为$I_{额};$
(2)闭合开关S、$S_{2},$断开$S_{1},$定值电阻和小灯泡并联,电流表测量干路的电流,保持滑片P不动,记录电流表示数为I;
(3)根据各支路电流之和等于干路电流,所以通过$R_{0}$的电流为$I_{0}=I - I_{额},$小灯泡两端电压为$U_{L}=U_{0}=I_{0}R_{0}=(I - I_{额})R_{0},$则小灯泡的额定功率$P = U_{L}I_{额}=(I - I_{额})R_{0}I_{额}。$
(1)S、$S_{1} S_{2} (2)$保持滑片P不动 S、$S_{2} S_{1} (3)I - I_{额} (I - I_{额})R_{0} I_{额}R_{0}(I - I_{额})$
【解析】
(1)闭合开关S、$S_{1},$断开$S_{2},$定值电阻和小灯泡并联,电流表测量小灯泡的电流,所以调节滑动变阻器的滑片P使电流表示数为$I_{额};$
(2)闭合开关S、$S_{2},$断开$S_{1},$定值电阻和小灯泡并联,电流表测量干路的电流,保持滑片P不动,记录电流表示数为I;
(3)根据各支路电流之和等于干路电流,所以通过$R_{0}$的电流为$I_{0}=I - I_{额},$小灯泡两端电压为$U_{L}=U_{0}=I_{0}R_{0}=(I - I_{额})R_{0},$则小灯泡的额定功率$P = U_{L}I_{额}=(I - I_{额})R_{0}I_{额}。$
3. 小丹同学在缺少电压表的情况下,为了测量一个额定电流为$0.25\ A$的小灯泡的额定功率,设计了如图所示的电路。电源电压(未知)保持不变。请完成实验步骤:

(1)闭合开关,移动滑动变阻器的滑片$P$,使电流表示数为$0.25\ A$。
(2)断开开关,用$5\ \Omega$的定值电阻替换灯泡,滑动变阻器的滑片$P$
(3)将滑动变阻器滑片$P$移到最左端,电流表示数为$0.9\ A$,可得电源电压为
(4)小灯泡的额定功率为
(1)闭合开关,移动滑动变阻器的滑片$P$,使电流表示数为$0.25\ A$。
(2)断开开关,用$5\ \Omega$的定值电阻替换灯泡,滑动变阻器的滑片$P$
保持不动
(选填“向左移动”“向右移动”或“保持不动”)。闭合开关,电流表的示数为$0.3\ A$。(3)将滑动变阻器滑片$P$移到最左端,电流表示数为$0.9\ A$,可得电源电压为
$4.5$
$V$。(4)小灯泡的额定功率为
$0.5$
$W$。
答案:
3.
(2)保持不动
(3)4.5
(4)0.5
【解析】将滑动变阻器滑片P移到最左端,电流表示数为0.9A,可得电源电压为$U_{总}=I_{3}R_{定}=0.9A×5Ω = 4.5V。$在灯泡与滑动变阻器串联使用的过程中要把滑动变阻器当定值电阻来使用,所以用5Ω的定值电阻替换灯泡,必须让滑动变阻器滑片P保持不动,闭合开关,电流表的示数为0.3A。此时总电阻为$R_{总}=\frac{U}{I_{2}}=\frac{4.5V}{0.3A}=15Ω,$变阻器接入的电阻为$R_{变}=R_{总}-R_{定}=15Ω - 5Ω = 10Ω,$在
(1)步骤中闭合开关,移动滑动变阻器滑片P,使电流表示数为0.25A,此时总电阻为$R_{总}'=\frac{U}{I_{1}}=\frac{4.5V}{0.25A}=18Ω,$小灯泡的电阻为$R_{灯}=R_{总}'-R_{变}=18Ω - 10Ω = 8Ω,$则灯泡的额定功率为$P_{额}=I_{额}^{2}R_{灯}=(0.25A)^{2}×8Ω = 0.5W。$
(2)保持不动
(3)4.5
(4)0.5
【解析】将滑动变阻器滑片P移到最左端,电流表示数为0.9A,可得电源电压为$U_{总}=I_{3}R_{定}=0.9A×5Ω = 4.5V。$在灯泡与滑动变阻器串联使用的过程中要把滑动变阻器当定值电阻来使用,所以用5Ω的定值电阻替换灯泡,必须让滑动变阻器滑片P保持不动,闭合开关,电流表的示数为0.3A。此时总电阻为$R_{总}=\frac{U}{I_{2}}=\frac{4.5V}{0.3A}=15Ω,$变阻器接入的电阻为$R_{变}=R_{总}-R_{定}=15Ω - 5Ω = 10Ω,$在
(1)步骤中闭合开关,移动滑动变阻器滑片P,使电流表示数为0.25A,此时总电阻为$R_{总}'=\frac{U}{I_{1}}=\frac{4.5V}{0.25A}=18Ω,$小灯泡的电阻为$R_{灯}=R_{总}'-R_{变}=18Ω - 10Ω = 8Ω,$则灯泡的额定功率为$P_{额}=I_{额}^{2}R_{灯}=(0.25A)^{2}×8Ω = 0.5W。$
查看更多完整答案,请扫码查看