第79页
- 第1页
- 第2页
- 第3页
- 第4页
- 第5页
- 第6页
- 第7页
- 第8页
- 第9页
- 第10页
- 第11页
- 第12页
- 第13页
- 第14页
- 第15页
- 第16页
- 第17页
- 第18页
- 第19页
- 第20页
- 第21页
- 第22页
- 第23页
- 第24页
- 第25页
- 第26页
- 第27页
- 第28页
- 第29页
- 第30页
- 第31页
- 第32页
- 第33页
- 第34页
- 第35页
- 第36页
- 第37页
- 第38页
- 第39页
- 第40页
- 第41页
- 第42页
- 第43页
- 第44页
- 第45页
- 第46页
- 第47页
- 第48页
- 第49页
- 第50页
- 第51页
- 第52页
- 第53页
- 第54页
- 第55页
- 第56页
- 第57页
- 第58页
- 第59页
- 第60页
- 第61页
- 第62页
- 第63页
- 第64页
- 第65页
- 第66页
- 第67页
- 第68页
- 第69页
- 第70页
- 第71页
- 第72页
- 第73页
- 第74页
- 第75页
- 第76页
- 第77页
- 第78页
- 第79页
- 第80页
- 第81页
- 第82页
- 第83页
- 第84页
- 第85页
- 第86页
- 第87页
- 第88页
- 第89页
- 第90页
- 第91页
- 第92页
- 第93页
- 第94页
- 第95页
- 第96页
- 第97页
- 第98页
- 第99页
- 第100页
- 第101页
- 第102页
- 第103页
- 第104页
- 第105页
- 第106页
- 第107页
- 第108页
- 第109页
- 第110页
- 第111页
- 第112页
- 第113页
- 第114页
- 第115页
- 第116页
- 第117页
- 第118页
- 第119页
- 第120页
- 第121页
- 第122页
- 第123页
- 第124页
- 第125页
- 第126页
- 第127页
- 第128页
- 第129页
- 第130页
- 第131页
- 第132页
- 第133页
- 第134页
- 第135页
- 第136页
- 第137页
- 第138页
- 第139页
- 第140页
- 第141页
- 第142页
- 第143页
- 第144页
- 第145页
- 第146页
- 第147页
- 第148页
4. 如图 Z - 2 - 4 所示,电源电压不变,开关 S 由闭合到断开的过程中,电流表 A 和电压表 V 的示数变化情况是(

A.A、V 的示数均变大
B.A、V 的示数均变小
C.V 的示数变大,A 的示数变小
D.V 的示数变小,A 的示数变大

D
)。A.A、V 的示数均变大
B.A、V 的示数均变小
C.V 的示数变大,A 的示数变小
D.V 的示数变小,A 的示数变大
答案:
D
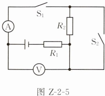
5. 如图 Z - 2 - 5 所示,电源电压不变,R₁、R₂ 为定值电阻。只闭合开关 S₁ 时,电流表的示数为 I,电压表的示数为 U,电路总电阻为 R;再闭合开关 S₂ 时,电流表的示数为 I',电压表的示数为 U',电路总电阻为 R'。下列判断正确的是(
A.I>I'
B.R<R'
C.U = U'
D.U>U'
D
)。A.I>I'
B.R<R'
C.U = U'
D.U>U'
答案:
D
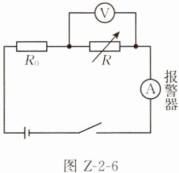
6. 电梯勿超载,其超载报警电路如图 Z - 2 - 6 所示。电源电压不变,R₀ 为保护电阻,R 为力敏电阻,其阻值随电梯所受压力的增大而减小,电流表的示数超过临界值就会自动报警。电梯正常工作时,当有人进入电梯后(

A.电流表的示数减小
B.电压表的示数增大
C.电压表与电流表的示数之比减小
D.因为电阻 R₀ 是定值电阻,所以它两端的电压和通过的电流不变

C
)。A.电流表的示数减小
B.电压表的示数增大
C.电压表与电流表的示数之比减小
D.因为电阻 R₀ 是定值电阻,所以它两端的电压和通过的电流不变
答案:
C
7. 图 Z - 2 - 7 是烟雾报警器的简化原理图,电源电压不变,R₀ 为定值电阻,光敏电阻 R 的阻值随光照强度的增大而减小。闭合开关 S,逐渐增大烟雾浓度,则(
A.光敏电阻 R 的阻值减小
B.电流表、电压表的示数均增大
C.电压表与电流表的示数之比不变
D.定值电阻 R₀ 两端的电压和通过的电流均变小
D
)。A.光敏电阻 R 的阻值减小
B.电流表、电压表的示数均增大
C.电压表与电流表的示数之比不变
D.定值电阻 R₀ 两端的电压和通过的电流均变小
答案:
D
查看更多完整答案,请扫码查看