第61页
- 第1页
- 第2页
- 第3页
- 第4页
- 第5页
- 第6页
- 第7页
- 第8页
- 第9页
- 第10页
- 第11页
- 第12页
- 第13页
- 第14页
- 第15页
- 第16页
- 第17页
- 第18页
- 第19页
- 第20页
- 第21页
- 第22页
- 第23页
- 第24页
- 第25页
- 第26页
- 第27页
- 第28页
- 第29页
- 第30页
- 第31页
- 第32页
- 第33页
- 第34页
- 第35页
- 第36页
- 第37页
- 第38页
- 第39页
- 第40页
- 第41页
- 第42页
- 第43页
- 第44页
- 第45页
- 第46页
- 第47页
- 第48页
- 第49页
- 第50页
- 第51页
- 第52页
- 第53页
- 第54页
- 第55页
- 第56页
- 第57页
- 第58页
- 第59页
- 第60页
- 第61页
- 第62页
- 第63页
- 第64页
- 第65页
- 第66页
- 第67页
- 第68页
- 第69页
- 第70页
- 第71页
- 第72页
- 第73页
- 第74页
1. 如图所示的电路中,闭合开关,下列说法正确的是 ( )

A.电流表测干路中的电流
B.小灯泡$L_1、$$L_2$是串联的
C.电流表测通过小灯泡$L_1$的电流
D.开关只能控制小灯泡$L_2$
A.电流表测干路中的电流
B.小灯泡$L_1、$$L_2$是串联的
C.电流表测通过小灯泡$L_1$的电流
D.开关只能控制小灯泡$L_2$
答案:
C 解析由图可知,小灯泡L₁、L₂并联,电流表测量通过小灯泡L₁的电流,开关接在干路中,控制整个电路。故选C。
2. 如图所示的电路中,下列关于电表测量对象的说法正确的是 ( )

A.电流表测量通过灯$L_1$的电流
B.电流表测量通过灯$L_2$的电流
C.电压表测量开关两端的电压
D.电压表测量灯$L_1$两端的电压
A.电流表测量通过灯$L_1$的电流
B.电流表测量通过灯$L_2$的电流
C.电压表测量开关两端的电压
D.电压表测量灯$L_1$两端的电压
答案:
D 解析由图可知,两灯并联,电流表测量干路中的电流,电压表测量并联电路两端的电压,既测量L₁两端的电压,也测量L₂两端的电压和电源两端的电压,但不测量开关两端的电压,故选D。
3. 如图所示的电路中,闭合开关后,两灯均发光,下列说法正确的是 ( )

A.灯$L_1$和$L_2$两端的电压一定相等
B.通过两灯的电流不相等
C.电压表测量灯$L_1$两端的电压
D.电压表测量灯$L_2$两端的电压
A.灯$L_1$和$L_2$两端的电压一定相等
B.通过两灯的电流不相等
C.电压表测量灯$L_1$两端的电压
D.电压表测量灯$L_2$两端的电压
答案:
C 解析由图可知,灯L₁、L₂串联,电压表并联在灯L₁两端,则电压表测量灯L₁两端的电压,C正确,D错误;根据串联电路的电流规律可知,通过两灯的电流一定相等,B错误;两灯的规格不一定相同,所以两灯两端的电压不一定相等,A错误。
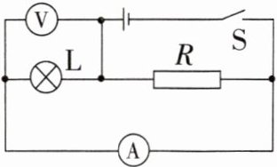
4. 如图所示的电路中,闭合开关S后,下列说法正确的是 ( )

A.灯L和电阻R串联
B.电压表测量电源两端的电压
C.电流表测量通过电阻R的电流
D.电流表测量总电流
A.灯L和电阻R串联
B.电压表测量电源两端的电压
C.电流表测量通过电阻R的电流
D.电流表测量总电流
答案:
B 解析由图可知,灯L和电阻R并联,电流表测量通过灯L的电流,电压表同时测量灯L两端的电压、电阻R两端的电压和电源两端的电压。B正确。
5. 如图所示的电路中,当开关S闭合后,下列说法正确的是 ( )

A.小灯泡$L_1$被短路
B.电流表$A_1$测通过小灯泡$L_1$的电流
C.电流表$A_2$测通过小灯泡$L_1$的电流
D.电压表可测出小灯泡$L_1$两端的电压
A.小灯泡$L_1$被短路
B.电流表$A_1$测通过小灯泡$L_1$的电流
C.电流表$A_2$测通过小灯泡$L_1$的电流
D.电压表可测出小灯泡$L_1$两端的电压
答案:
D 解析当开关S闭合后,电流从电源正极流出后分为两条路径,一条路径经过小灯泡L₁、电流表A₁回到电源负极,另一条路径经过小灯泡L₂、电流表A₂、电流表A₁回到电源负极,所以该电路是并联电路,电流表A₁测干路中的电流,电流表A₂测通过小灯泡L₂的电流,电压表V测L₁、L₂或电源两端的电压。故选D。
6. 如图所示的电路中,闭合开关$S_1、$$S_2,$灯$L_1$和$L_2$均正常发光,电流表和电压表均有示数。下列说法正确的是 ( )

A.灯$L_1$与$L_2$串联
B.电流表测电路的总电流
C.电压表测灯$L_2$两端的电压
D.断开开关$S_1,$灯$L_1$仍正常发光
A.灯$L_1$与$L_2$串联
B.电流表测电路的总电流
C.电压表测灯$L_2$两端的电压
D.断开开关$S_1,$灯$L_1$仍正常发光
答案:
C 解析由图知,闭合开关S₁、S₂,两灯并联,电流表串联在灯L₂所在的支路,则电流表测通过灯L₂的电流,A、B错误;两灯并联,电压表并联在灯L₁的两端,既测灯L₁两端的电压,也测灯L₂两端的电压,C正确;因为并联电路中各支路独立工作、互不影响,所以,只断开开关S₁时,灯L₁不能发光,灯L₂仍正常发光,D错误。
7. 如图所示的电路中,电源电压不变,闭合$S_1$和$S_2,$小灯泡$L_1$和$L_2$均能正常发光,电流表和电压表均有示数。下列说法正确的是 ( )

A.只闭合$S_1,$电压表可以测量出电源两端的电压
B.只闭合$S_1,$电流表可以测量出通过灯$L_2$的电流
C.先闭合$S_1,$再闭合$S_2,$灯$L_1$的亮度变亮
D.先闭合$S_1,$再闭合$S_2,$电流表的示数不变,电压表的示数变小
A.只闭合$S_1,$电压表可以测量出电源两端的电压
B.只闭合$S_1,$电流表可以测量出通过灯$L_2$的电流
C.先闭合$S_1,$再闭合$S_2,$灯$L_1$的亮度变亮
D.先闭合$S_1,$再闭合$S_2,$电流表的示数不变,电压表的示数变小
答案:
A 解析只闭合S₁,电流表与灯L₁串联,测的是通过灯L₁的电流,电压表测电源两端的电压,A正确,B错误;先闭合S₁,再闭合S₂,灯L₁与L₂并联,电流表与L₁串联,测的是通过灯L₁的电流,根据并联电路相互不影响的特点,通过灯L₁的电流不变,电流表的示数不变,灯L₁的亮度不变,电压表测电源两端的电压,示数不变,C、D错误。
查看更多完整答案,请扫码查看