2024年智学酷提优精练九年级物理全一册人教版广东专版
注:目前有些书本章节名称可能整理的还不是很完善,但都是按照顺序排列的,请同学们按照顺序仔细查找。练习册 2024年智学酷提优精练九年级物理全一册人教版广东专版 答案主要是用来给同学们做完题方便对答案用的,请勿直接抄袭。
第78页
- 第1页
- 第2页
- 第3页
- 第4页
- 第5页
- 第6页
- 第7页
- 第8页
- 第9页
- 第10页
- 第11页
- 第12页
- 第13页
- 第14页
- 第15页
- 第16页
- 第17页
- 第18页
- 第19页
- 第20页
- 第21页
- 第22页
- 第23页
- 第24页
- 第25页
- 第26页
- 第27页
- 第28页
- 第29页
- 第30页
- 第31页
- 第32页
- 第33页
- 第34页
- 第35页
- 第36页
- 第37页
- 第38页
- 第39页
- 第40页
- 第41页
- 第42页
- 第43页
- 第44页
- 第45页
- 第46页
- 第47页
- 第48页
- 第49页
- 第50页
- 第51页
- 第52页
- 第53页
- 第54页
- 第55页
- 第56页
- 第57页
- 第58页
- 第59页
- 第60页
- 第61页
- 第62页
- 第63页
- 第64页
- 第65页
- 第66页
- 第67页
- 第68页
- 第69页
- 第70页
- 第71页
- 第72页
- 第73页
- 第74页
- 第75页
- 第76页
- 第77页
- 第78页
- 第79页
1. 小红的妈妈从市场上买了一个廉价的台灯,装上“220 V 25 W”的灯泡后,在台灯开关断开的情况下,把台灯的插头插入插座时,室内灯全部熄灭,保险丝熔断,发生这一现象的原因可能是 ( )
A. 台灯的功率太大
B. 台灯开关处被短接
C. 台灯灯座处被短接
D. 台灯插头处被短接
A. 台灯的功率太大
B. 台灯开关处被短接
C. 台灯灯座处被短接
D. 台灯插头处被短接
答案:
D解析:灯泡额定功率为25W,且台灯开关断开,保险丝熔断不可能是由于台灯的功率过大引起的,故A错误;台灯开关处被短接,则电路是接通的,台灯会正常发光,故B错误;台灯灯座处被短接,当把台灯的插头插入插座时,由于台灯开关没有闭合,台灯没有接入电路,不会发生短路现象,故C错误;原来室内电灯正常发光,当插头插入时,若插头处被短接而使保险丝熔断,则室内灯全部熄灭,故D正确。
2.(2023·武汉)小强同学放学回家后,打开电灯,接入电热水壶,两者均正常工作,接着启动微波炉加热食品时,发现微波炉不工作,电热水壶突然停止工作,但是电灯仍然正常发光,如图所示。他对故障作了下列四种判断,其中正确的是 ( )

A. 零线上ab间断路
B. 零线上bc间断路
C. 微波炉所在支路be间短路
D. 电热水壶所在支路cd间短路
A. 零线上ab间断路
B. 零线上bc间断路
C. 微波炉所在支路be间短路
D. 电热水壶所在支路cd间短路
答案:
A 解析:若微波炉所在支路be间短路或电热水壶所在支路cd间短路,则保险丝熔断,所有用电器都不可能有电流通过,灯不能正常发光,故C、D错误。电热水壶和微波炉不工作,电灯正常发光,电路中发生断路;若零线上bc间断路,则微波炉仍可以工作,B 错误。
3.(2023·营口)家庭电路的部分电路图如图所示(电路连接正确)。根据电路图可以判断甲、乙两根进户线中________是火线。只闭合开关S₁,灯L₁正常发光,此时用试电笔接触a点,试电笔的氖管________(选填“发光”或“不发光”);再闭合开关S₂,灯L₁马上熄灭,则故障原因可能是灯L₂________(选填“被短接”或“断路”)。
答案:
甲 不发光 被短接
解析:根据题图可知,S₁与L₁串联,能控制此灯,根据家庭电路的要求,开关应该接在火线和用电器之间,故甲是火线;只闭合开关S₁,灯L₁正常发光(灯泡两端的电压等于家庭电路的电压),此时用试电笔接触a点,因a点与零线相连,a点与大地间的电压为0,所以此时试电笔的氖管不发光;根据题图可知,再闭合开关S₂,灯L₁马上熄灭,则故障原因可能是灯L₂被短接,L₂断路对L₁没有影响。
解析:根据题图可知,S₁与L₁串联,能控制此灯,根据家庭电路的要求,开关应该接在火线和用电器之间,故甲是火线;只闭合开关S₁,灯L₁正常发光(灯泡两端的电压等于家庭电路的电压),此时用试电笔接触a点,因a点与零线相连,a点与大地间的电压为0,所以此时试电笔的氖管不发光;根据题图可知,再闭合开关S₂,灯L₁马上熄灭,则故障原因可能是灯L₂被短接,L₂断路对L₁没有影响。
4.(2023·天津)如图所示电路,开关闭合后,灯不发光。用试电笔接触a、b、c三处,氖管都发光;接触d处,氖管不发光。则故障可能是 ( )

A. 灯丝断了
B. 灯被短接了
C. 开关处断路
D. cd间断路
A. 灯丝断了
B. 灯被短接了
C. 开关处断路
D. cd间断路
答案:
D 解析:开关闭合后,灯不亮,用试电笔测试a、b、c三点,氖管都发光,这说明从火线到a、b、c点之间的电路都是完好的,没有断路;而用试电笔测试d点时,氖管不发光,这说明c 点到d点之间的导线出现了断路。
5.(2023·常州)如图所示的家庭电路中,正常发光的灯L突然熄灭,电工用试电笔分别测试a、b、c、d四点,发现a、b两点氖管都发光,c、d两点氖管都不发光,若电路只有一处故障,则可能是 ( )

A. 火线上保险丝断了
B. 开关S处断路
C. 灯泡灯丝断了
D. 导线c、d间断路
A. 火线上保险丝断了
B. 开关S处断路
C. 灯泡灯丝断了
D. 导线c、d间断路
答案:
C 解析:用试电笔测试火线上的a点时氖管发光,说明火线正常;测试b点时氖管发光,说明开关S正常;测试零线上的d点时氖管不发光,说明零线正常;用试电笔测试c点时,氖管不发光,说明c没有与火线相连,可能是灯泡灯丝断了,故C正确。
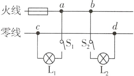
6. 家庭电路中的某一部分如图所示,电工师傅按下面的顺序进行检测:①闭合S₁,灯L₁亮;②断开S₁,闭合S₂,灯L₂不亮;③再用试电笔测a、b、c、d四个接线点,发现只有在c点氖管不发光。若电路中只有一处故障,则是________两点间________路;若将电路维修好后闭合S₁、S₂,再用试电笔测试四个接线点,氖管发光情况改变的是________点。
答案:
c、d 断 d
解析:闭合S₁,灯L₁亮,说明L₁支路为通路,则从保险丝→a→S₁→L₁→c→c点左侧的零线都没有断路;断开S₁,闭合S₂,灯L₂不亮,说明电路中存在断路故障(不可能是短路,否则保险丝熔断);再用试电笔测a、b、c、d四个接线点,发现只有在c点氖管不发光,则试电笔接触d点时氖管会发光,说明d点通过灯泡L₂与火线相连,则L₂是完好的;而L₂不亮,说明灯泡L₂与零线不能构成通路,所以是c、d两点间断路;若将电路维修好后闭合S₁、S₂,电路为通路,a、b两点在火线上,则用试电笔接触这两点时氖管都会发光;c、d两点在零线上,则用试电笔接触这两点时氖管均不发光,故氖管发光情况改变的是d点。
解析:闭合S₁,灯L₁亮,说明L₁支路为通路,则从保险丝→a→S₁→L₁→c→c点左侧的零线都没有断路;断开S₁,闭合S₂,灯L₂不亮,说明电路中存在断路故障(不可能是短路,否则保险丝熔断);再用试电笔测a、b、c、d四个接线点,发现只有在c点氖管不发光,则试电笔接触d点时氖管会发光,说明d点通过灯泡L₂与火线相连,则L₂是完好的;而L₂不亮,说明灯泡L₂与零线不能构成通路,所以是c、d两点间断路;若将电路维修好后闭合S₁、S₂,电路为通路,a、b两点在火线上,则用试电笔接触这两点时氖管都会发光;c、d两点在零线上,则用试电笔接触这两点时氖管均不发光,故氖管发光情况改变的是d点。
查看更多完整答案,请扫码查看