2025年红对勾练吧九年级物理上册教科版
注:目前有些书本章节名称可能整理的还不是很完善,但都是按照顺序排列的,请同学们按照顺序仔细查找。练习册 2025年红对勾练吧九年级物理上册教科版 答案主要是用来给同学们做完题方便对答案用的,请勿直接抄袭。
第77页
- 第1页
- 第2页
- 第3页
- 第4页
- 第5页
- 第6页
- 第7页
- 第8页
- 第9页
- 第10页
- 第11页
- 第12页
- 第13页
- 第14页
- 第15页
- 第16页
- 第17页
- 第18页
- 第19页
- 第20页
- 第21页
- 第22页
- 第23页
- 第24页
- 第25页
- 第26页
- 第27页
- 第28页
- 第29页
- 第30页
- 第31页
- 第32页
- 第33页
- 第34页
- 第35页
- 第36页
- 第37页
- 第38页
- 第39页
- 第40页
- 第41页
- 第42页
- 第43页
- 第44页
- 第45页
- 第46页
- 第47页
- 第48页
- 第49页
- 第50页
- 第51页
- 第52页
- 第53页
- 第54页
- 第55页
- 第56页
- 第57页
- 第58页
- 第59页
- 第60页
- 第61页
- 第62页
- 第63页
- 第64页
- 第65页
- 第66页
- 第67页
- 第68页
- 第69页
- 第70页
- 第71页
- 第72页
- 第73页
- 第74页
- 第75页
- 第76页
- 第77页
- 第78页
- 第79页
- 第80页
- 第81页
- 第82页
- 第83页
- 第84页
- 第85页
- 第86页
- 第87页
4. 某同学家中有一台电热饮水机,铭牌上部分信息如图1所示,饮水机加热电阻不受温度影响。关闭家中其他用电器,只让该饮水机单独工作,电能表转盘转了50转用时60s,电能表参数如图2所示,则该饮水机在这段时间内消耗的电能为
]

$6×10^{4}$
J,此时家中的实际电压为200
V。]
答案:
$6×10^{4} 200$
5. (2023通辽中考)小华利用如图甲所示的电路来测量小灯泡的电功率。已知电源电压3V且保持不变,小灯泡的额定电压为2.5V。
(1)请在图甲中用笔画线代替导线,将实物图连接完整(要求:滑片P向右端移动时,灯变亮)。
(2)闭合开关后,小华发现小灯泡不发光,电流表示数几乎为零,电压表示数接近3V,则电路故障可能是______。
(3)排除电路故障后,重新开始实验,小华从滑动变阻器连入电路阻值最大时开始记录数据,得到小灯泡的I - U图像如图乙所示,则小灯泡的额定功率为______W。
(4)测出小灯泡的额定功率后,小华又把小灯泡两端的电压调为其额定电压的一半,发现测得的实际功率不等于其额定功率的$\frac{1}{4},$此时它的实际功率P实______(选填“大于”或“小于$”)\frac{1}{4}P$额,原因是______。
(5)实验中,有甲“15Ω 2A”、乙“25Ω 2A”、丙“30Ω 2A”三种规格的滑动变阻器供选择,小华在该实验中选用的是______。
(2)闭合开关后,小华发现小灯泡不发光,电流表示数几乎为零,电压表示数接近3V,则电路故障可能是______。
(3)排除电路故障后,重新开始实验,小华从滑动变阻器连入电路阻值最大时开始记录数据,得到小灯泡的I - U图像如图乙所示,则小灯泡的额定功率为______W。
(4)测出小灯泡的额定功率后,小华又把小灯泡两端的电压调为其额定电压的一半,发现测得的实际功率不等于其额定功率的$\frac{1}{4},$此时它的实际功率P实______(选填“大于”或“小于$”)\frac{1}{4}P$额,原因是______。
(5)实验中,有甲“15Ω 2A”、乙“25Ω 2A”、丙“30Ω 2A”三种规格的滑动变阻器供选择,小华在该实验中选用的是______。
答案:
(1)如图
所示:
(2)小灯泡断路
(3)0.75
(4)大于 小灯泡的电阻随电压的减小而减小
(5)乙
(1)如图
(2)小灯泡断路
(3)0.75
(4)大于 小灯泡的电阻随电压的减小而减小
(5)乙
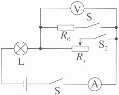
6. (科学思维)如图所示的电路中,电源电压恒定,小灯泡L标有“6V 3.6W”字样(忽略温度变化对灯丝电阻的影响),滑动变阻器R.x标有“200Ω 1.25A”字样,定值电阻R₀阻值为20Ω,电流表的测量范围为0~3A,电压表的测量范围为0~15V。
(1)求小灯泡的额定电流。
(2)求小灯泡的电阻。
(3)只闭合开关S、$S_1,$小灯泡恰好正常发光,求电源电压。
(4)只闭合开关S、$S_2,$在保证电路元件安全的前提下,求滑动变阻器接入电路的阻值范围。

(1)求小灯泡的额定电流。
(2)求小灯泡的电阻。
(3)只闭合开关S、$S_1,$小灯泡恰好正常发光,求电源电压。
(4)只闭合开关S、$S_2,$在保证电路元件安全的前提下,求滑动变阻器接入电路的阻值范围。
答案:
解:
(1)根据电功率的公式$P=UI$,可以得到小灯泡的额定电流为$I_{L}=\frac{P_{L}}{U_{L}}=\frac{3.6\ W}{6\ V}=0.6\ A$。
(2)小灯泡的电阻$R_{L}=\frac{U_{L}}{I_{L}}=\frac{6\ V}{0.6\ A}=10\ \Omega$。
(3)当只闭合开关S、$S_{1}$时,小灯泡L与定值电阻$R_{0}$串联。由于小灯泡恰好正常发光,所以此时电路中的电流等于小灯泡的额定电流,此时定值电阻$R_{0}$两端的电压为$U_{R_{0}}=I_{L}R_{0}=0.6\ A× 20\ \Omega=12\ V$,根据串联电路的电压特点,电源电压等于各用电器两端电压之和,即电源电压为$U=U_{L}+U_{R_{0}}=6\ V+12\ V=18\ V$。
(4)当只闭合开关S、$S_{2}$时,滑动变阻器$R_{x}$与小灯泡串联。由于电流表的测量范围为0~3 A,电压表的测量范围为0~15 V,滑动变阻器允许通过的最大电流为1.25 A,小灯泡的电流不能超过0.6 A,所以电路中的最大电流为0.6 A,此时小灯泡的电压为6 V,滑动变阻器接入电路的电阻最小,则滑动变阻器两端的电压为$U_{滑}=U-U_{L}=18\ V-6\ V=12\ V$,滑动变阻器接入电路的电阻$R_{x小}=\frac{U_{滑}}{I_{大}}=\frac{12\ V}{0.6\ A}=20\ \Omega$;又因为电压表的测量范围为0~15 V,所以滑动变阻器两端的最大电压不能超过15 V,此时电路中的电流最小,根据欧姆定律和串联电路的电压特点,此时小灯泡两端的电压为$U_{L}'=U-U_{滑}'=18\ V-15\ V=3\ V$,此时电路中的电流为$I_{小}=\frac{U_{L}'}{R_{L}}=\frac{3\ V}{10\ \Omega}=0.3\ A$,所以滑动变阻器接入电路的电阻最大为$R_{x大}=\frac{U_{滑}'}{I_{小}}=\frac{15\ V}{0.3\ A}=50\ \Omega$。滑动变阻器接入电路的阻值范围为20~50 Ω。
(1)根据电功率的公式$P=UI$,可以得到小灯泡的额定电流为$I_{L}=\frac{P_{L}}{U_{L}}=\frac{3.6\ W}{6\ V}=0.6\ A$。
(2)小灯泡的电阻$R_{L}=\frac{U_{L}}{I_{L}}=\frac{6\ V}{0.6\ A}=10\ \Omega$。
(3)当只闭合开关S、$S_{1}$时,小灯泡L与定值电阻$R_{0}$串联。由于小灯泡恰好正常发光,所以此时电路中的电流等于小灯泡的额定电流,此时定值电阻$R_{0}$两端的电压为$U_{R_{0}}=I_{L}R_{0}=0.6\ A× 20\ \Omega=12\ V$,根据串联电路的电压特点,电源电压等于各用电器两端电压之和,即电源电压为$U=U_{L}+U_{R_{0}}=6\ V+12\ V=18\ V$。
(4)当只闭合开关S、$S_{2}$时,滑动变阻器$R_{x}$与小灯泡串联。由于电流表的测量范围为0~3 A,电压表的测量范围为0~15 V,滑动变阻器允许通过的最大电流为1.25 A,小灯泡的电流不能超过0.6 A,所以电路中的最大电流为0.6 A,此时小灯泡的电压为6 V,滑动变阻器接入电路的电阻最小,则滑动变阻器两端的电压为$U_{滑}=U-U_{L}=18\ V-6\ V=12\ V$,滑动变阻器接入电路的电阻$R_{x小}=\frac{U_{滑}}{I_{大}}=\frac{12\ V}{0.6\ A}=20\ \Omega$;又因为电压表的测量范围为0~15 V,所以滑动变阻器两端的最大电压不能超过15 V,此时电路中的电流最小,根据欧姆定律和串联电路的电压特点,此时小灯泡两端的电压为$U_{L}'=U-U_{滑}'=18\ V-15\ V=3\ V$,此时电路中的电流为$I_{小}=\frac{U_{L}'}{R_{L}}=\frac{3\ V}{10\ \Omega}=0.3\ A$,所以滑动变阻器接入电路的电阻最大为$R_{x大}=\frac{U_{滑}'}{I_{小}}=\frac{15\ V}{0.3\ A}=50\ \Omega$。滑动变阻器接入电路的阻值范围为20~50 Ω。
查看更多完整答案,请扫码查看