第32页
- 第1页
- 第2页
- 第3页
- 第4页
- 第5页
- 第6页
- 第7页
- 第8页
- 第9页
- 第10页
- 第11页
- 第12页
- 第13页
- 第14页
- 第15页
- 第16页
- 第17页
- 第18页
- 第19页
- 第20页
- 第21页
- 第22页
- 第23页
- 第24页
- 第25页
- 第26页
- 第27页
- 第28页
- 第29页
- 第30页
- 第31页
- 第32页
- 第33页
- 第34页
- 第35页
- 第36页
- 第37页
- 第38页
- 第39页
- 第40页
- 第41页
- 第42页
- 第43页
- 第44页
- 第45页
- 第46页
- 第47页
- 第48页
- 第49页
- 第50页
- 第51页
- 第52页
- 第53页
- 第54页
- 第55页
- 第56页
- 第57页
- 第58页
- 第59页
- 第60页
- 第61页
- 第62页
- 第63页
- 第64页
- 第65页
- 第66页
- 第67页
- 第68页
- 第69页
- 第70页
- 第71页
- 第72页
- 第73页
- 第74页
- 第75页
- 第76页
- 第77页
- 第78页
- 第79页
- 第80页
- 第81页
- 第82页
- 第83页
- 第84页
- 第85页
- 第86页
- 第87页
- 第88页
- 第89页
- 第90页
- 第91页
- 第92页
- 第93页
- 第94页
- 第95页
- 第96页
- 第97页
- 第98页
- 第99页
- 第100页
- 第101页
- 第102页
- 第103页
- 第104页
- 第105页
- 第106页
- 第107页
- 第108页
- 第109页
- 第110页
- 第111页
- 第112页
- 第113页
- 第114页
- 第115页
- 第116页
- 第117页
- 第118页
- 第119页
- 第120页
- 第121页
- 第122页
- 第123页
- 第124页
- 第125页
- 第126页
- 第127页
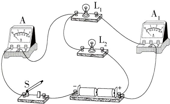
1.新考法·分析论证(2024黑龙江杜尔伯特期末)某小组同学设计了如图甲所示的电路探究串联电路电流的特点。(P9302003)


(1)为了得出普遍规律,选择两个小灯泡的规格是________的(选填“相同”或“不同”)。
(2)实验开始前要注意检查实验仪器。若小强发现电流表未接入电路时指针位置如图乙所示,则需要对电流表进行的操作是____。小强调整正确后连接好电路,闭合开关,发现指针偏转到如图乙位置,则需要对电流表进行的操作是________________。
(3)闭合开关,细心的小铭发现L₁比L₂亮,于是,他认为通过L₁的电流大于L₂的电流。小铭的这个判断________(选填“正确”或“不正确”)。
(4)小兰同学在测量电流时,发现电流表的指针偏转如图丙所示,原因是电流表________。
(1)为了得出普遍规律,选择两个小灯泡的规格是________的(选填“相同”或“不同”)。
(2)实验开始前要注意检查实验仪器。若小强发现电流表未接入电路时指针位置如图乙所示,则需要对电流表进行的操作是____。小强调整正确后连接好电路,闭合开关,发现指针偏转到如图乙位置,则需要对电流表进行的操作是________________。
(3)闭合开关,细心的小铭发现L₁比L₂亮,于是,他认为通过L₁的电流大于L₂的电流。小铭的这个判断________(选填“正确”或“不正确”)。
(4)小兰同学在测量电流时,发现电流表的指针偏转如图丙所示,原因是电流表________。
答案:
答案
(1)不同
(2)调零 将电流表正负接线柱上的导线对调
(3)不正确
(4)选择的量程过大
解析
(1)探究串联电路电流的特点时,为了得出普遍规律,选择两个小灯泡的规格是不同的;
(2)如图乙所示,指针没有正对零刻度线,则需要对电流表进行的操作是调零;小强调整正确后连接好电路,闭合开关,发现指针偏转到如图乙位置(指针反向偏转),说明电流表的正负接线柱接反了,则需要将电流表正负接线柱上的导线对调;
(3)该实验中两灯串联,根据串联电路的电流规律,通过两灯的电流相等,则小铭的这个判断不正确;
(4)如图丙所示,指针偏转角度过小,原因是电流表选择的量程过大。
(1)不同
(2)调零 将电流表正负接线柱上的导线对调
(3)不正确
(4)选择的量程过大
解析
(1)探究串联电路电流的特点时,为了得出普遍规律,选择两个小灯泡的规格是不同的;
(2)如图乙所示,指针没有正对零刻度线,则需要对电流表进行的操作是调零;小强调整正确后连接好电路,闭合开关,发现指针偏转到如图乙位置(指针反向偏转),说明电流表的正负接线柱接反了,则需要将电流表正负接线柱上的导线对调;
(3)该实验中两灯串联,根据串联电路的电流规律,通过两灯的电流相等,则小铭的这个判断不正确;
(4)如图丙所示,指针偏转角度过小,原因是电流表选择的量程过大。
2.(2024内蒙古根河校级期末)如图所示,通过L₁的电流和通过L₂的电流之比是2:1,则A₁表和A₂表的示数之比为(P9302001) ( )
A.2:3
B.2:1
C.3:2
D.3:1
A.2:3
B.2:1
C.3:2
D.3:1
答案:
D 由电路分析得,两灯并联,A₂测量的为通过L₂的电流,A₁测量干路电流;设通过L₂的电流为I,则通过L₁的电流为2I,由并联电路的电流特点可知干路电流为3I,故A₁表和A₂表的示数之比为3∶1,选D
3.新素材·现代科技 新独家原创 2023年9月4日,公牛集团宣布与国际超跑大师乔盖托·乔治亚罗达成合作,共同推出一款“公牛大师轨道插座”。轨道插座由插座和移动轨道组合而成,使用寿命长,安全性高,无需在墙面上开槽排线,直接将移动轨道安装在墙面上就可以使用了。轨道插座可以让不同的家用电器以________方式接入电路中,当接入更多用电器工作时,总电流将________。(选填“增大”或“减小”)(P9302004)
答案:
答案 并联 增大
解析 不同的家用电器可以独立工作,互不影响,因此不同的家用电器以并联方式接入电路中。并联电路中,干路电流等于各支路电流之和,所以当接入更多用电器工作时,总电流将增大。
解析 不同的家用电器可以独立工作,互不影响,因此不同的家用电器以并联方式接入电路中。并联电路中,干路电流等于各支路电流之和,所以当接入更多用电器工作时,总电流将增大。
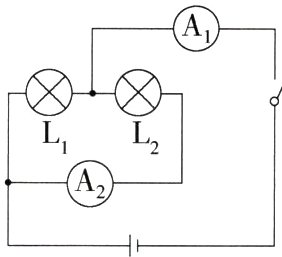
4.新课标·科学论证(2023湖北鄂州中考,20,★☆☆)如图所示的实验电路,闭合开关S后,电流表A的示数为0.5 A,电流表A₁的示数为0.3 A。下列说法正确的是(P9302002) ( )
A.L₁与L₂串联
B.开关S只控制L₁
C.L₁、L₂的电流分别是0.3 A、0.2 A
D.L₁、L₂的电流分别是0.5 A、0.3 A
A.L₁与L₂串联
B.开关S只控制L₁
C.L₁、L₂的电流分别是0.3 A、0.2 A
D.L₁、L₂的电流分别是0.5 A、0.3 A
答案:
C 由电路图可知,两灯泡并联,开关S控制整个电路,电流表A测干路的电流,电流表A₁测灯L₁的电流,故通过灯泡L₁的电流是0.3 A;因为并联电路中干路电流等于各支路电流之和,所以通过灯泡L₂的电流:I₂=I - I₁=0.5 A - 0.3 A=0.2 A,选C。
5.(2024湖南衡阳船山实验中学期中,10,★☆☆)在如图所示的电路中,开关闭合时A₁的示数为1.2 A,A₂的示数为0.5 A。下列判断正确的是( )

A.通过L₁的电流为1.2 A
B.通过L₂的电流为0.7 A
C.若L₁的灯丝烧断,电流表A₁有示数,A₂没有示数
D.若L₂的灯丝烧断,电流表A₁有示数,A₂没有示数
A.通过L₁的电流为1.2 A
B.通过L₂的电流为0.7 A
C.若L₁的灯丝烧断,电流表A₁有示数,A₂没有示数
D.若L₂的灯丝烧断,电流表A₁有示数,A₂没有示数
答案:
D 由电路图可知,两灯泡并联,电流表A₁测干路电流,电流表A₂测L₂支路的电流;由于电流表A₂测L₂支路的电流,所以通过L₂的电流为0.5 A;因并联电路中干路电流等于各支路电流之和,所以通过L₁的电流:I₁=I - I₂=1.2 A - 0.5 A=0.7 A,故A、B错误;若L₁的灯丝烧断,电路为L₂的简单电路,电流表A₁、A₂都测量电路电流,因此电流表A₁、A₂都有示数,故C错误;若L₂的灯丝烧断,电路为L₁的简单电路,电流表A₁测电路电流,电流表A₂所在支路断路,因此电流表A₁有示数,电流表A₂无示数,故D正确。故选D。
查看更多完整答案,请扫码查看