第86页
- 第1页
- 第2页
- 第3页
- 第4页
- 第5页
- 第6页
- 第7页
- 第8页
- 第9页
- 第10页
- 第11页
- 第12页
- 第13页
- 第14页
- 第15页
- 第16页
- 第17页
- 第18页
- 第19页
- 第20页
- 第21页
- 第22页
- 第23页
- 第24页
- 第25页
- 第26页
- 第27页
- 第28页
- 第29页
- 第30页
- 第31页
- 第32页
- 第33页
- 第34页
- 第35页
- 第36页
- 第37页
- 第38页
- 第39页
- 第40页
- 第41页
- 第42页
- 第43页
- 第44页
- 第45页
- 第46页
- 第47页
- 第48页
- 第49页
- 第50页
- 第51页
- 第52页
- 第53页
- 第54页
- 第55页
- 第56页
- 第57页
- 第58页
- 第59页
- 第60页
- 第61页
- 第62页
- 第63页
- 第64页
- 第65页
- 第66页
- 第67页
- 第68页
- 第69页
- 第70页
- 第71页
- 第72页
- 第73页
- 第74页
- 第75页
- 第76页
- 第77页
- 第78页
- 第79页
- 第80页
- 第81页
- 第82页
- 第83页
- 第84页
- 第85页
- 第86页
- 第87页
- 第88页
- 第89页
- 第90页
- 第91页
- 第92页
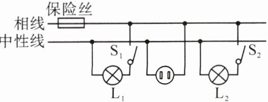
例1(2024·张店区一模)关于如图所示的家庭电路,下列说法正确的是( )

A.使用测电笔辨别相线和中性线时,手不能触碰测电笔任何金属部位
B.灯泡 $ L_1 $、$ L_2 $ 同时熄灭,保险丝却完好,用测电笔检测插座的两孔,发现氖管均发光,说明插座短路
C.电冰箱、洗衣机等带金属外壳的用电器也可以接在两孔插座中使用
D.用灯泡 $ L_0 $ 取代保险丝接入电路,只闭合 $ S_1 $,若 $ L_0 $ 和 $ L_1 $ 都发光但都比较暗,说明 $ L_1 $ 所在支路正常
思路点拨(1)用测电笔时,手必须接触笔尾的金属体;(2)两盏电灯全部熄灭但保险丝完好,说明电路中干路上有断路,用测电笔测试插座的两孔,氖管都发光,说明两孔与相线是连通的,故只可能是中性线断了;(3)有金属外壳的用电器,其外壳要接地;(4)将灯泡 $ L_0 $ 接在保险丝的两只接线柱上,是相当于把此灯串联入电路中,它会有三种状态:“校验灯”恰能正常发光,说明该支路短路,“校验灯”发光不正常(暗红色)说明该支路工作正常,“校验灯”不发光说明该支路断路。
规律总结本题考查了用测电笔和校验灯检修家庭电路的故障方法,明白家庭电路的特点、短路和断路的区别是解题的关键。
A.使用测电笔辨别相线和中性线时,手不能触碰测电笔任何金属部位
B.灯泡 $ L_1 $、$ L_2 $ 同时熄灭,保险丝却完好,用测电笔检测插座的两孔,发现氖管均发光,说明插座短路
C.电冰箱、洗衣机等带金属外壳的用电器也可以接在两孔插座中使用
D.用灯泡 $ L_0 $ 取代保险丝接入电路,只闭合 $ S_1 $,若 $ L_0 $ 和 $ L_1 $ 都发光但都比较暗,说明 $ L_1 $ 所在支路正常
思路点拨(1)用测电笔时,手必须接触笔尾的金属体;(2)两盏电灯全部熄灭但保险丝完好,说明电路中干路上有断路,用测电笔测试插座的两孔,氖管都发光,说明两孔与相线是连通的,故只可能是中性线断了;(3)有金属外壳的用电器,其外壳要接地;(4)将灯泡 $ L_0 $ 接在保险丝的两只接线柱上,是相当于把此灯串联入电路中,它会有三种状态:“校验灯”恰能正常发光,说明该支路短路,“校验灯”发光不正常(暗红色)说明该支路工作正常,“校验灯”不发光说明该支路断路。
规律总结本题考查了用测电笔和校验灯检修家庭电路的故障方法,明白家庭电路的特点、短路和断路的区别是解题的关键。
答案:
D
查看更多完整答案,请扫码查看