第87页
- 第1页
- 第2页
- 第3页
- 第4页
- 第5页
- 第6页
- 第7页
- 第8页
- 第9页
- 第10页
- 第11页
- 第12页
- 第13页
- 第14页
- 第15页
- 第16页
- 第17页
- 第18页
- 第19页
- 第20页
- 第21页
- 第22页
- 第23页
- 第24页
- 第25页
- 第26页
- 第27页
- 第28页
- 第29页
- 第30页
- 第31页
- 第32页
- 第33页
- 第34页
- 第35页
- 第36页
- 第37页
- 第38页
- 第39页
- 第40页
- 第41页
- 第42页
- 第43页
- 第44页
- 第45页
- 第46页
- 第47页
- 第48页
- 第49页
- 第50页
- 第51页
- 第52页
- 第53页
- 第54页
- 第55页
- 第56页
- 第57页
- 第58页
- 第59页
- 第60页
- 第61页
- 第62页
- 第63页
- 第64页
- 第65页
- 第66页
- 第67页
- 第68页
- 第69页
- 第70页
- 第71页
- 第72页
- 第73页
- 第74页
- 第75页
- 第76页
- 第77页
- 第78页
- 第79页
- 第80页
- 第81页
- 第82页
- 第83页
- 第84页
- 第85页
- 第86页
- 第87页
- 第88页
- 第89页
- 第90页
- 第91页
- 第92页
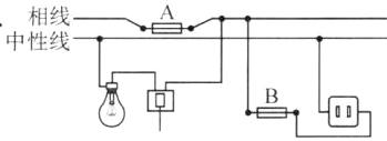
例2(2024·双城区四模)如图是安装一盏电灯和一个大功率插座的实物示意图,A、B为保险丝,请在图上画出接线。

思路点拨这是一个关于家庭电路的连接的作图题,本题想要考查的是关于家庭电路连接的操作细节,有操作规范的要求,也包含着安全用电的考虑,是一种基础题,保险丝A安装在进户线的相线上,保险丝B安装在插座的相线上。
规律总结对于电灯接线操作的基本要求是“相线中性线并排走,中性线直接进灯头,相线接在开关上,通过开关进灯头”;而对于插座的接线方法是要求“左中右相上保护”,如果电路中有保险丝,则要将保险丝接到相线上。
思路点拨这是一个关于家庭电路的连接的作图题,本题想要考查的是关于家庭电路连接的操作细节,有操作规范的要求,也包含着安全用电的考虑,是一种基础题,保险丝A安装在进户线的相线上,保险丝B安装在插座的相线上。
规律总结对于电灯接线操作的基本要求是“相线中性线并排走,中性线直接进灯头,相线接在开关上,通过开关进灯头”;而对于插座的接线方法是要求“左中右相上保护”,如果电路中有保险丝,则要将保险丝接到相线上。
答案:
查看更多完整答案,请扫码查看