第94页
- 第1页
- 第2页
- 第3页
- 第4页
- 第5页
- 第6页
- 第7页
- 第8页
- 第9页
- 第10页
- 第11页
- 第12页
- 第13页
- 第14页
- 第15页
- 第16页
- 第17页
- 第18页
- 第19页
- 第20页
- 第21页
- 第22页
- 第23页
- 第24页
- 第25页
- 第26页
- 第27页
- 第28页
- 第29页
- 第30页
- 第31页
- 第32页
- 第33页
- 第34页
- 第35页
- 第36页
- 第37页
- 第38页
- 第39页
- 第40页
- 第41页
- 第42页
- 第43页
- 第44页
- 第45页
- 第46页
- 第47页
- 第48页
- 第49页
- 第50页
- 第51页
- 第52页
- 第53页
- 第54页
- 第55页
- 第56页
- 第57页
- 第58页
- 第59页
- 第60页
- 第61页
- 第62页
- 第63页
- 第64页
- 第65页
- 第66页
- 第67页
- 第68页
- 第69页
- 第70页
- 第71页
- 第72页
- 第73页
- 第74页
- 第75页
- 第76页
- 第77页
- 第78页
- 第79页
- 第80页
- 第81页
- 第82页
- 第83页
- 第84页
- 第85页
- 第86页
- 第87页
- 第88页
- 第89页
- 第90页
- 第91页
- 第92页
- 第93页
- 第94页
- 第95页
- 第96页
- 第97页
- 第98页
- 第99页
- 第100页
- 第101页
- 第102页
- 第103页
- 第104页
- 第105页
- 第106页
- 第107页
- 第108页
- 第109页
- 第110页
- 第111页
- 第112页
- 第113页
- 第114页
- 第115页
- 第116页
- 第117页
3. 下列用电器中,利用电流的热效应工作的是(
A.计算器
B.电风扇
C.电暖气
D.电视机
C
)。A.计算器
B.电风扇
C.电暖气
D.电视机
答案:
C
4. 已知电视机、电烙铁和电风扇上都标有“220 V 120 W”的字样,若它们都在额定电压下工作相同时间,则三个用电器产生的热量最多的是(
A.电视机
B.电风扇
C.电烙铁
D.一样多
C
)。A.电视机
B.电风扇
C.电烙铁
D.一样多
答案:
C
5. 对于焦耳定律的理解,下列说法正确的是(
A.电流做了多少功就有多少电能转化为内能
B.电流通过导体产生的热量与电流成正比
C.用电器两端的电压越大,产生的热量越多
D.通过导体的电流越大,产生的热量不一定越多
D
)。A.电流做了多少功就有多少电能转化为内能
B.电流通过导体产生的热量与电流成正比
C.用电器两端的电压越大,产生的热量越多
D.通过导体的电流越大,产生的热量不一定越多
答案:
D
6. 下列事例中,属于防止电热危害的是(
A.取暖用的电褥子
B.飞行员衣服里的电热保温装置
C.电视机机壳上开有许多小孔
D.孵化家禽的电热孵卵器
C
)。A.取暖用的电褥子
B.飞行员衣服里的电热保温装置
C.电视机机壳上开有许多小孔
D.孵化家禽的电热孵卵器
答案:
C
7. 把两根电阻相同的电热丝串联接入电路,烧开一壶水所用时间为$ t_0 $。若将这两根电热丝并联接入同一电路,则烧开同一壶水(不计热量损失)所需的时间为(
A.$ t_0 $
B.$ \frac{1}{2}t_0 $
C.$ \frac{1}{4}t_0 $
D.$ 2t_0 $
C
)。A.$ t_0 $
B.$ \frac{1}{2}t_0 $
C.$ \frac{1}{4}t_0 $
D.$ 2t_0 $
答案:
C
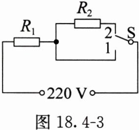
8. 某电饭锅的电路如图18.4 - 3所示,发热盘内有电阻分别为$ R_1 $、$ R_2 $的定值电阻,S是温控开关。当S接1时,电饭锅处于高温挡,电路中的电流为4 A;当温度达到一定值时,开关S自动切换到2,电饭锅处于保温挡,电路中的电流为0.25 A。求:
(1)电阻$ R_1 $。
(2)电饭锅高温挡的功率。
(3)保温16 min,电阻为$ R_2 $的定值电阻产生的热量。
]

(1)电阻$ R_1 $。
(2)电饭锅高温挡的功率。
(3)保温16 min,电阻为$ R_2 $的定值电阻产生的热量。
]
答案:
解(1)当S接1时,电饭锅处于高温挡,电路中的电流为4A,根据欧姆定律可得,电阻$ R_{1}=\frac{U}{I_{高}}=\frac{220\ V}{4\ A}=55\ \Omega $。
(2)根据$ P=UI $可得,电饭锅高温挡的功率$ P_{高}=UI_{高}=220\ V× 4\ A=880\ W $。
(3)当温度达到一定值时,开关S自动切换到2,此时两个定值电阻串联,电饭锅处于保温挡,电路中的电流为0.25A。根据串联电路的电流规律、电压规律和欧姆定律可得,电阻$ R_{2}=\frac{U-U_{1}}{I_{保}}=\frac{U-I_{保}R_{1}}{I_{保}}=\frac{220\ V-0.25\ A× 55\ \Omega }{0.25\ A}=825\ \Omega $,保温16min,电阻为$ R_{2} $的定值电阻产生的热量$ Q_{2}=I_{保}^{2}R_{2}t=(0.25\ A)^{2}× 825\ \Omega × 16× 60\ s=4.95× 10^{4}\ J $。
(2)根据$ P=UI $可得,电饭锅高温挡的功率$ P_{高}=UI_{高}=220\ V× 4\ A=880\ W $。
(3)当温度达到一定值时,开关S自动切换到2,此时两个定值电阻串联,电饭锅处于保温挡,电路中的电流为0.25A。根据串联电路的电流规律、电压规律和欧姆定律可得,电阻$ R_{2}=\frac{U-U_{1}}{I_{保}}=\frac{U-I_{保}R_{1}}{I_{保}}=\frac{220\ V-0.25\ A× 55\ \Omega }{0.25\ A}=825\ \Omega $,保温16min,电阻为$ R_{2} $的定值电阻产生的热量$ Q_{2}=I_{保}^{2}R_{2}t=(0.25\ A)^{2}× 825\ \Omega × 16× 60\ s=4.95× 10^{4}\ J $。
9. 为践行绿色低碳理念,LED灯在生活中的应用越来越广泛。现有一盏标有“24 V 12 W”的LED灯,其亮度与标有“220 V 100 W”的普通白炽灯相当。
(1)若上述LED灯和白炽灯都正常工作,则相同时间内两灯消耗的电能之比为
(2)白炽灯工作时的能量转化情况如图18.4 - 4所示,则该白炽灯工作1 min将产生
(3)LED灯的发光效率为
]

(1)若上述LED灯和白炽灯都正常工作,则相同时间内两灯消耗的电能之比为
3:25
。(2)白炽灯工作时的能量转化情况如图18.4 - 4所示,则该白炽灯工作1 min将产生
5400
J的热量。(3)LED灯的发光效率为
83.3%
。]
答案:
(1)$ 3:25 $ (2)5400 (3)83.3%
查看更多完整答案,请扫码查看