第96页
- 第1页
- 第2页
- 第3页
- 第4页
- 第5页
- 第6页
- 第7页
- 第8页
- 第9页
- 第10页
- 第11页
- 第12页
- 第13页
- 第14页
- 第15页
- 第16页
- 第17页
- 第18页
- 第19页
- 第20页
- 第21页
- 第22页
- 第23页
- 第24页
- 第25页
- 第26页
- 第27页
- 第28页
- 第29页
- 第30页
- 第31页
- 第32页
- 第33页
- 第34页
- 第35页
- 第36页
- 第37页
- 第38页
- 第39页
- 第40页
- 第41页
- 第42页
- 第43页
- 第44页
- 第45页
- 第46页
- 第47页
- 第48页
- 第49页
- 第50页
- 第51页
- 第52页
- 第53页
- 第54页
- 第55页
- 第56页
- 第57页
- 第58页
- 第59页
- 第60页
- 第61页
- 第62页
- 第63页
- 第64页
- 第65页
- 第66页
- 第67页
- 第68页
- 第69页
- 第70页
- 第71页
- 第72页
- 第73页
- 第74页
- 第75页
- 第76页
- 第77页
- 第78页
- 第79页
- 第80页
- 第81页
- 第82页
- 第83页
- 第84页
- 第85页
- 第86页
- 第87页
- 第88页
- 第89页
- 第90页
- 第91页
- 第92页
- 第93页
- 第94页
- 第95页
- 第96页
- 第97页
- 第98页
- 第99页
- 第100页
4. (2025·宣城)如图所示,电源电压恒为$6V$,敏感元件$T$的电阻随电流的增大而减小。当电压表示数为$2V$时,电流表示数为$0.2A$,当电压表示数为$2.4V$时,电流表示数可能是(

A.小于$0.18A$
B.等于$0.18A$
C.大于$0.18A$,小于$0.2A$
D.大于$0.2A$,小于$0.24A$
A
)A.小于$0.18A$
B.等于$0.18A$
C.大于$0.18A$,小于$0.2A$
D.大于$0.2A$,小于$0.24A$
答案:
A
5. 如图甲所示的电路,电源电压恒定。闭合开关,调节滑动变阻器滑片,在电路安全情况下,电流表示数和滑动变阻器连入电路的电阻变化的关系图像如图乙所示。当电流表示数为$0.2A$,电压表的示数是

8
$V$。
答案:
8
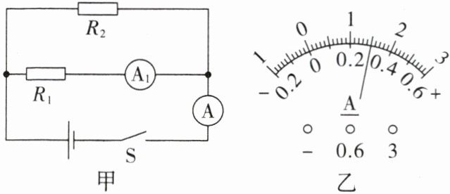
6. 如图甲所示的电路中,电源电压恒定,定值电阻$R_1的阻值为30\Omega$。闭合开关时,整个电路正常工作,电流表$A_1的示数为0.3A$,电流表$A$的示数如图乙所示。

(1)求电源电压$U$。
(2)求定值电阻$R_2$的阻值。
(3)现用一个未知阻值的电阻$R_x$,替换$R_1$、$R_2$中某一个电阻后,有一个电流表的示数减少了$0.3A$,另一个电流表的示数不变,求未知电阻$R_x$的阻值。
(1)求电源电压$U$。
(2)求定值电阻$R_2$的阻值。
(3)现用一个未知阻值的电阻$R_x$,替换$R_1$、$R_2$中某一个电阻后,有一个电流表的示数减少了$0.3A$,另一个电流表的示数不变,求未知电阻$R_x$的阻值。
答案:
(1)9V
(2)7.5Ω
(3)10Ω 解析:由电路图甲可知,闭合开关时,$R_{1}$、$R_{2}$并联,电流表A测干路电流,电流表$A_{1}$测通过$R_{1}$的电流。
(1)由$I=\frac{U}{R}$可得,电源电压$U=I_{1}R_{1}=0.3A×30\Omega=9V$。
(2)当$R_{1}$、$R_{2}$都工作时,由并联电路电流规律可知,干路电流大于支路电流,通过$R_{1}$的电流,即电流表$A_{1}$的示数为0.3A,则电流表A选用的是大量程,由图乙可知,干路电流$I=1.5A$;通过$R_{2}$的电流$I_{2}=I-I_{1}=1.5A-0.3A=1.2A$;由$I=\frac{U}{R}$可得,$R_{2}$的阻值$R_{2}=\frac{U}{I_{2}}=\frac{9V}{1.2A}=7.5\Omega$。
(3)现用一个未知阻值的电阻$R_{x}$替换电阻$R_{1}$或$R_{2}$,替换后只有一个电流表的示数发生了变化,根据并联电路的特点可知,若替换的是$R_{1}$,则两个电流表的示数均发生变化,故$R_{x}$替换的是$R_{2}$,替换后电流表示数减少了$\Delta I=0.3A$,即电流表A的示数发生了变化,电流表A的示数$I'=I-\Delta I=1.5A-0.3A=1.2A$;通过$R_{x}$的电流$I'_{2}=I'-I_{1}=1.2A-0.3A=0.9A$;$R_{x}$的阻值$R_{x}=\frac{U}{I'_{2}}=\frac{9V}{0.9A}=10\Omega$。
(1)9V
(2)7.5Ω
(3)10Ω 解析:由电路图甲可知,闭合开关时,$R_{1}$、$R_{2}$并联,电流表A测干路电流,电流表$A_{1}$测通过$R_{1}$的电流。
(1)由$I=\frac{U}{R}$可得,电源电压$U=I_{1}R_{1}=0.3A×30\Omega=9V$。
(2)当$R_{1}$、$R_{2}$都工作时,由并联电路电流规律可知,干路电流大于支路电流,通过$R_{1}$的电流,即电流表$A_{1}$的示数为0.3A,则电流表A选用的是大量程,由图乙可知,干路电流$I=1.5A$;通过$R_{2}$的电流$I_{2}=I-I_{1}=1.5A-0.3A=1.2A$;由$I=\frac{U}{R}$可得,$R_{2}$的阻值$R_{2}=\frac{U}{I_{2}}=\frac{9V}{1.2A}=7.5\Omega$。
(3)现用一个未知阻值的电阻$R_{x}$替换电阻$R_{1}$或$R_{2}$,替换后只有一个电流表的示数发生了变化,根据并联电路的特点可知,若替换的是$R_{1}$,则两个电流表的示数均发生变化,故$R_{x}$替换的是$R_{2}$,替换后电流表示数减少了$\Delta I=0.3A$,即电流表A的示数发生了变化,电流表A的示数$I'=I-\Delta I=1.5A-0.3A=1.2A$;通过$R_{x}$的电流$I'_{2}=I'-I_{1}=1.2A-0.3A=0.9A$;$R_{x}$的阻值$R_{x}=\frac{U}{I'_{2}}=\frac{9V}{0.9A}=10\Omega$。
查看更多完整答案,请扫码查看