第92页
- 第1页
- 第2页
- 第3页
- 第4页
- 第5页
- 第6页
- 第7页
- 第8页
- 第9页
- 第10页
- 第11页
- 第12页
- 第13页
- 第14页
- 第15页
- 第16页
- 第17页
- 第18页
- 第19页
- 第20页
- 第21页
- 第22页
- 第23页
- 第24页
- 第25页
- 第26页
- 第27页
- 第28页
- 第29页
- 第30页
- 第31页
- 第32页
- 第33页
- 第34页
- 第35页
- 第36页
- 第37页
- 第38页
- 第39页
- 第40页
- 第41页
- 第42页
- 第43页
- 第44页
- 第45页
- 第46页
- 第47页
- 第48页
- 第49页
- 第50页
- 第51页
- 第52页
- 第53页
- 第54页
- 第55页
- 第56页
- 第57页
- 第58页
- 第59页
- 第60页
- 第61页
- 第62页
- 第63页
- 第64页
- 第65页
- 第66页
- 第67页
- 第68页
- 第69页
- 第70页
- 第71页
- 第72页
- 第73页
- 第74页
- 第75页
- 第76页
- 第77页
- 第78页
- 第79页
- 第80页
- 第81页
- 第82页
- 第83页
- 第84页
- 第85页
- 第86页
- 第87页
- 第88页
- 第89页
- 第90页
- 第91页
- 第92页
- 第93页
- 第94页
- 第95页
- 第96页
- 第97页
- 第98页
- 第99页
- 第100页
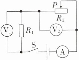
3. 如图所示的电路中,电源电压保持不变,开关$S$闭合后,将滑片$P$向左移动时,电流表$A$的示数

变大
,电压表$V_1$的示数变大
,电压表$V_2$的示数变小
,电压表$V_1的示数与电流表A$的示数之比不变
,电压表的$V_2的示数与电流表A$的示数之比变小
。(均选填“变大”“变小”或“不变”)
答案:
变大 变大 变小 不变 变小
实验一 探究电流与电压、电阻的关系

实验器材:滑动变阻器的作用是
实验方法——
(1)探究电流与电压的关系时,应保持
(2)探究电流与电阻的关系时,应保持
实验前,连接电路时开关应处于
实验时,滑动变阻器滑片的移动:
(1)若要增大定值电阻两端电压,滑片应向
(2)更换较大定值电阻后,为保持其两端电压不变,滑片应向增大电阻的方向移动
实验结论:
(1)电阻一定时,电流与电压成
(2)电压一定时,电流与电阻成
注意:
(1)连接电路时导线应接在接线柱上,避免接触不良
实验器材:滑动变阻器的作用是
改变定值电阻两端的电压,保护电路
实验方法——
控制变量法
(1)探究电流与电压的关系时,应保持
电阻
不变 (2)探究电流与电阻的关系时,应保持
电压
不变 实验前,连接电路时开关应处于
断开
状态;闭合开关前,滑动变阻器滑片应处于最大阻值
处,目的是保护电路 实验时,滑动变阻器滑片的移动:
(1)若要增大定值电阻两端电压,滑片应向
减小
电阻的方向移动 (2)更换较大定值电阻后,为保持其两端电压不变,滑片应向增大电阻的方向移动
实验结论:
(1)电阻一定时,电流与电压成
正
比 (2)电压一定时,电流与电阻成
反
比 注意:
(1)连接电路时导线应接在接线柱上,避免接触不良
答案:
实验器材:改变定值电阻两端的电压,保护电路
实验方法——控制变量法
(1)电阻
(2)电压
实验前,连接电路时开关应处于断开状态;闭合开关前,滑动变阻器滑片应处于最大阻值处,目的是保护电路
实验时,滑动变阻器滑片的移动:
(1)减小
(2)
实验结论:
(1)正
(2)反
注意:
(1)
注:因题目中部分内容排版较复杂,部分填空位置根据上下文逻辑补充,确保符合实验规范。
实验方法——控制变量法
(1)电阻
(2)电压
实验前,连接电路时开关应处于断开状态;闭合开关前,滑动变阻器滑片应处于最大阻值处,目的是保护电路
实验时,滑动变阻器滑片的移动:
(1)减小
(2)
实验结论:
(1)正
(2)反
注意:
(1)
注:因题目中部分内容排版较复杂,部分填空位置根据上下文逻辑补充,确保符合实验规范。
强化应用
某小组同学准备探究“通过导体的电流与电压、电阻的关系”,实验器材有干电池$2$节,滑动变阻器“$20\Omega$ $1A$”、电流表、电压表、开关各一个,不同阻值的定值电阻及导线若干。图甲是他们连接的实物电路图。

(1)闭合开关前,应将滑动变阻器的滑片$P$移到______(选填“$A$”或“$B$”)端,目的是______。
(2)闭合开关,他们移动滑动变阻器的滑片,发现电流表无示数,电压表示数接近于电源电压,若电路只有一处故障,则其故障是______。
(3)处理好上述故障后,他们移动滑动变阻器的滑片至某一位置,电压表示数为$0.7V$,电流表示数如图乙所示,请把示数填到表格中。

为了得到第$2$次的实验数据,他们应该把滑动变阻器的滑片向______(选填“$A$”或“$B$”)端移动。此时滑动变阻器的作用是______。
(4)图丙中$b$、$c$、$d三条I-U图线是他们换用5\Omega$、$10\Omega和20\Omega$的定值电阻后,根据测得数据所画的图像。

①单独分析图丙中每条$I-U$图线,可以得到的结论是______。
②他们换用$5\Omega$、$10\Omega和20\Omega$的定值电阻,重新做实验的目的是______。
(5)该小组同学又做了下面的实验:
①把$10\Omega$的定值电阻接入图甲,移动滑片,使电压表示数为$2.0V$,记录电流表的示数。
②保持滑片的位置不变,用$20\Omega的定值电阻替换10\Omega$的定值电阻,发现电压表的示数______(选填“大于”或“小于”)$2.0V$。
③他们将滑片向______(选填“$A$”或“$B$”)端移动,同时观察______示数,直至______。
④经多次实验后,得到下面的数据:

分析数据可得结论:______。
拓展探究

(6)同学们改进实验方案,增加了实验仪器,又设计了如图丁所示的电路图,将$5\Omega$、$10\Omega$、$20\Omega$的三个定值电阻并联接入电路中,用三个电流表分别测量各支路电流,电压表测量电路两端电压,实验数据记录见表格。通过分析实验数据,可初步得出结论:在电压一定时,电阻越大,电流越______。为了得出更具有普遍性的结论,请你为该实验方案提出优化建议:______。

某小组同学准备探究“通过导体的电流与电压、电阻的关系”,实验器材有干电池$2$节,滑动变阻器“$20\Omega$ $1A$”、电流表、电压表、开关各一个,不同阻值的定值电阻及导线若干。图甲是他们连接的实物电路图。
(1)闭合开关前,应将滑动变阻器的滑片$P$移到______(选填“$A$”或“$B$”)端,目的是______。
(2)闭合开关,他们移动滑动变阻器的滑片,发现电流表无示数,电压表示数接近于电源电压,若电路只有一处故障,则其故障是______。
(3)处理好上述故障后,他们移动滑动变阻器的滑片至某一位置,电压表示数为$0.7V$,电流表示数如图乙所示,请把示数填到表格中。
为了得到第$2$次的实验数据,他们应该把滑动变阻器的滑片向______(选填“$A$”或“$B$”)端移动。此时滑动变阻器的作用是______。
(4)图丙中$b$、$c$、$d三条I-U图线是他们换用5\Omega$、$10\Omega和20\Omega$的定值电阻后,根据测得数据所画的图像。
①单独分析图丙中每条$I-U$图线,可以得到的结论是______。
②他们换用$5\Omega$、$10\Omega和20\Omega$的定值电阻,重新做实验的目的是______。
(5)该小组同学又做了下面的实验:
①把$10\Omega$的定值电阻接入图甲,移动滑片,使电压表示数为$2.0V$,记录电流表的示数。
②保持滑片的位置不变,用$20\Omega的定值电阻替换10\Omega$的定值电阻,发现电压表的示数______(选填“大于”或“小于”)$2.0V$。
③他们将滑片向______(选填“$A$”或“$B$”)端移动,同时观察______示数,直至______。
④经多次实验后,得到下面的数据:
分析数据可得结论:______。
拓展探究
(6)同学们改进实验方案,增加了实验仪器,又设计了如图丁所示的电路图,将$5\Omega$、$10\Omega$、$20\Omega$的三个定值电阻并联接入电路中,用三个电流表分别测量各支路电流,电压表测量电路两端电压,实验数据记录见表格。通过分析实验数据,可初步得出结论:在电压一定时,电阻越大,电流越______。为了得出更具有普遍性的结论,请你为该实验方案提出优化建议:______。
答案:
(1)B 保护电路
(2)定值电阻开路
(3)0.12A 改变定值电阻两端的电压
(4)①在电阻不变时,导体中的电流与导体两端的电压成正比 ②多次实验,得出普遍规律
(5)②大于 ③B 电压表 电压表示数为2.0V ④当导体两端电压一定时,导体中的电流与导体的电阻成反比
(6)小 改变电源电压的大小,再多测几组数据
(1)B 保护电路
(2)定值电阻开路
(3)0.12A 改变定值电阻两端的电压
(4)①在电阻不变时,导体中的电流与导体两端的电压成正比 ②多次实验,得出普遍规律
(5)②大于 ③B 电压表 电压表示数为2.0V ④当导体两端电压一定时,导体中的电流与导体的电阻成反比
(6)小 改变电源电压的大小,再多测几组数据
查看更多完整答案,请扫码查看