第41页
- 第1页
- 第2页
- 第3页
- 第4页
- 第5页
- 第6页
- 第7页
- 第8页
- 第9页
- 第10页
- 第11页
- 第12页
- 第13页
- 第14页
- 第15页
- 第16页
- 第17页
- 第18页
- 第19页
- 第20页
- 第21页
- 第22页
- 第23页
- 第24页
- 第25页
- 第26页
- 第27页
- 第28页
- 第29页
- 第30页
- 第31页
- 第32页
- 第33页
- 第34页
- 第35页
- 第36页
- 第37页
- 第38页
- 第39页
- 第40页
- 第41页
- 第42页
- 第43页
- 第44页
- 第45页
- 第46页
- 第47页
- 第48页
- 第49页
- 第50页
- 第51页
- 第52页
- 第53页
- 第54页
- 第55页
- 第56页
- 第57页
- 第58页
- 第59页
- 第60页
- 第61页
- 第62页
- 第63页
- 第64页
- 第65页
- 第66页
- 第67页
- 第68页
- 第69页
- 第70页
- 第71页
- 第72页
- 第73页
- 第74页
- 第75页
- 第76页
- 第77页
- 第78页
- 第79页
- 第80页
- 第81页
- 第82页
- 第83页
- 第84页
- 第85页
1. 在探究串联电路中各处电流的关系时,小敏同学连成了如图所示的电路。
(1)在连接电路时,开关S应
(2)检查电路无误后,闭合开关S,灯$L_{1}$、$L_{2}$、$L_{3}$均发光,接着她将电流表分别连入a、b、c、d四处,测得的实验数据如表,其中错误的一处是

(3)小敏仅用这一次实验测量的数据得到结论,你认为合适吗?

(1)在连接电路时,开关S应
断开
。(2)检查电路无误后,闭合开关S,灯$L_{1}$、$L_{2}$、$L_{3}$均发光,接着她将电流表分别连入a、b、c、d四处,测得的实验数据如表,其中错误的一处是
d
处的电流;更正后,由表中的实验数据可得结论:在串联电路中,电流处处相等
。(3)小敏仅用这一次实验测量的数据得到结论,你认为合适吗?
不合适
;理由是实验次数太少,结论具有偶然性
。
答案:
1.
(1)断开
(2)d 在串联电路中,电流处处相等
(3)不合适 实验次数太少,结论具有偶然性
(1)断开
(2)d 在串联电路中,电流处处相等
(3)不合适 实验次数太少,结论具有偶然性
2. 小明同学学习了串联电路的电流特点后,连接好如图所示的电路进行观察,闭合开关,发现灯泡$L_{1}$较亮,而$L_{2}$较暗,他产生了疑惑,请你帮他判断下列说法正确的是(
A.$I_{1}>I_{2}$
B.$I_{1}<I_{2}$
C.$I_{1}=I_{2}$
D.无法确定
C
)A.$I_{1}>I_{2}$
B.$I_{1}<I_{2}$
C.$I_{1}=I_{2}$
D.无法确定
答案:
2.C
3. 创新题 新考法 如图所示,用电流表测量灯L的电流时,电流表所显示的数值实际上是通过它本身的电流值,我们将电流表所显示的数值当作通过灯L的电流值,这是因为
在串联电路中,电流处处相等
。
答案:
3.在串联电路中,电流处处相等
4. 在“探究并联电路中干路电流与各支路电流的关系”的实验中,实验电路如图所示。


(1)在连接电路时发现,刚接好最后一根导线,电流表的指针就发生了偏转,由此可知连接电路时,错误的操作是
(2)排除故障后,测得A、B、C三处的电流分别为$I_{A}$、$I_{B}$、$I_{C}$,更换多组
(3)分析实验数据可得:在并联电路中,干路电流与各支路电流的关系是
(4)本实验要进行多次实验的目的是
(1)在连接电路时发现,刚接好最后一根导线,电流表的指针就发生了偏转,由此可知连接电路时,错误的操作是
未断开开关
。(2)排除故障后,测得A、B、C三处的电流分别为$I_{A}$、$I_{B}$、$I_{C}$,更换多组
不同
(选填“相同”或“不同”)规格的灯泡重复实验,部分实验数据如表所示。(3)分析实验数据可得:在并联电路中,干路电流与各支路电流的关系是
$I_{A}=I_{B}+I_{C}$
(用$I_{A}$、$I_{B}$、$I_{C}$表示出关系式)。(4)本实验要进行多次实验的目的是
避免偶然性,寻找普遍规律
。
答案:
4.
(1)未断开开关
(2)不同
(3)$I_{A}=I_{B}+I_{C}$
(4)避免偶然性,寻找普遍规律
(1)未断开开关
(2)不同
(3)$I_{A}=I_{B}+I_{C}$
(4)避免偶然性,寻找普遍规律
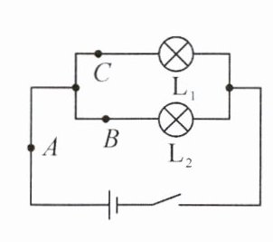
5. 如图所示电路,灯泡$L_{1}$、$L_{2}$的连接方式是
并联
。在闭合开关后,如果电流表$A_{1}$示数为0.5A,电流表$A_{2}$示数为0.3A,则通过小灯泡$L_{1}$的电流为0.2
A。
答案:
5.并联 0.2
查看更多完整答案,请扫码查看