第80页
- 第1页
- 第2页
- 第3页
- 第4页
- 第5页
- 第6页
- 第7页
- 第8页
- 第9页
- 第10页
- 第11页
- 第12页
- 第13页
- 第14页
- 第15页
- 第16页
- 第17页
- 第18页
- 第19页
- 第20页
- 第21页
- 第22页
- 第23页
- 第24页
- 第25页
- 第26页
- 第27页
- 第28页
- 第29页
- 第30页
- 第31页
- 第32页
- 第33页
- 第34页
- 第35页
- 第36页
- 第37页
- 第38页
- 第39页
- 第40页
- 第41页
- 第42页
- 第43页
- 第44页
- 第45页
- 第46页
- 第47页
- 第48页
- 第49页
- 第50页
- 第51页
- 第52页
- 第53页
- 第54页
- 第55页
- 第56页
- 第57页
- 第58页
- 第59页
- 第60页
- 第61页
- 第62页
- 第63页
- 第64页
- 第65页
- 第66页
- 第67页
- 第68页
- 第69页
- 第70页
- 第71页
- 第72页
- 第73页
- 第74页
- 第75页
- 第76页
- 第77页
- 第78页
- 第79页
- 第80页
- 第81页
- 第82页
- 第83页
- 第84页
- 第85页
7. 如图所示的电路中,电源电压保持不变,闭合开关S,将滑动变阻器的滑片P向右移动的过程中,下列说法正确的是(假定灯泡的电阻不变)(

A.电压表的示数变大
B.电流表的示数不变
C.灯泡的亮度将变暗
D.电压表示数和电流表示数的比值变大
B
)A.电压表的示数变大
B.电流表的示数不变
C.灯泡的亮度将变暗
D.电压表示数和电流表示数的比值变大
答案:
B
8. 如图所示的电路中,电源电压保持不变。闭合开关S,当滑动变阻器的滑片P向右移动时,下列四种情况中变大的是(

A.电压表V的示数
B.电流表A₁的示数
C.电流表A₂的示数
D.电压表V的示数与电流表A₂的示数的比值
D
)A.电压表V的示数
B.电流表A₁的示数
C.电流表A₂的示数
D.电压表V的示数与电流表A₂的示数的比值
答案:
D
9. 如图所示,电源电压保持不变,R₀是定值电阻,R是光敏电阻,其阻值随光照的增强而减小。闭合开关,逐渐减小R的光照强度,电表示数的变化情况是(

A.电流表和电压表示数均变大
B.电流表和电压表示数均变小
C.电流表示数变大,电压表示数变小
D.电流表示数变小,电压表示数变大
D
)A.电流表和电压表示数均变大
B.电流表和电压表示数均变小
C.电流表示数变大,电压表示数变小
D.电流表示数变小,电压表示数变大
答案:
D
10. 如图所示的煤气检测电路,电源电压不变,R为定值电阻,Q为气敏元件,其阻值随煤气浓度的升高而增大。闭合开关S,当煤气浓度升高时,下列判断正确的是(

A.电流表示数变小,输出信号电压Uₐᵦ变大
B.电流表示数变大,输出信号电压Uₐᵦ变大
C.电流表示数变小,输出信号电压Uₐᵦ不变
D.电流表示数变大,输出信号电压Uₐᵦ变小
A
)A.电流表示数变小,输出信号电压Uₐᵦ变大
B.电流表示数变大,输出信号电压Uₐᵦ变大
C.电流表示数变小,输出信号电压Uₐᵦ不变
D.电流表示数变大,输出信号电压Uₐᵦ变小
答案:
A
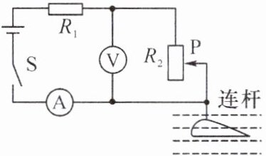
11. (2024·四川凉山改编)某学校物理兴趣小组的同学参观水文站后,设计了如图所示监测河水流速变化的装置原理图。机翼状的探头始终浸没在水中,通过连杆带动滑动变阻器的滑片P上下移动。闭合开关S,随着水流速度的变化,下列说法正确的是(

A.电压表测量定值电阻R₁两端的电压
B.当滑片P向下运动时,电压表示数变大
C.当河水流速变大时,电压表示数变大
D.当电流表示数变小时,河水流速变大
B
)A.电压表测量定值电阻R₁两端的电压
B.当滑片P向下运动时,电压表示数变大
C.当河水流速变大时,电压表示数变大
D.当电流表示数变小时,河水流速变大
答案:
B
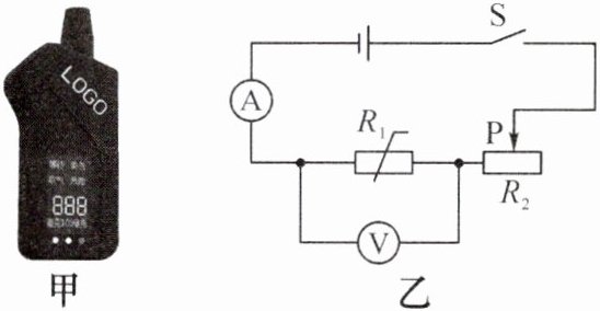
12. 如图所示,甲和乙分别是酒精测试仪与其原理图,电源电压恒定,R₁为气敏电阻(酒精浓度越大其阻值越小),闭合开关S,调节滑动变阻器R₂的滑片P在标准位置后,若某驾驶员呼出的酒精浓度越大,则电压表的示数越

小
,电流表的示数越大
。(均选填“大”或“小”)
答案:
小 大
查看更多完整答案,请扫码查看