第82页
- 第1页
- 第2页
- 第3页
- 第4页
- 第5页
- 第6页
- 第7页
- 第8页
- 第9页
- 第10页
- 第11页
- 第12页
- 第13页
- 第14页
- 第15页
- 第16页
- 第17页
- 第18页
- 第19页
- 第20页
- 第21页
- 第22页
- 第23页
- 第24页
- 第25页
- 第26页
- 第27页
- 第28页
- 第29页
- 第30页
- 第31页
- 第32页
- 第33页
- 第34页
- 第35页
- 第36页
- 第37页
- 第38页
- 第39页
- 第40页
- 第41页
- 第42页
- 第43页
- 第44页
- 第45页
- 第46页
- 第47页
- 第48页
- 第49页
- 第50页
- 第51页
- 第52页
- 第53页
- 第54页
- 第55页
- 第56页
- 第57页
- 第58页
- 第59页
- 第60页
- 第61页
- 第62页
- 第63页
- 第64页
- 第65页
- 第66页
- 第67页
- 第68页
- 第69页
- 第70页
- 第71页
- 第72页
- 第73页
- 第74页
- 第75页
- 第76页
- 第77页
- 第78页
- 第79页
- 第80页
- 第81页
- 第82页
- 第83页
- 第84页
- 第85页
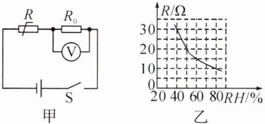
8. 小伟给学校劳动实践基地的蔬菜大棚设计了一个测量空气湿度的电路图,如图甲所示。电源电压恒为6 V,定值电阻$R_{0}$的阻值为20$\Omega$,湿敏电阻R的阻值随空气湿度RH的变化关系如图乙所示。下列分析正确的是(

A.空气湿度越大,湿敏电阻R的阻值越大
B.空气湿度越大,电压表示数越小
C.当空气湿度为40%时,电压表的示数为3.6 V
D.当电路中电流为0.15 A时,空气湿度为50%
D
)A.空气湿度越大,湿敏电阻R的阻值越大
B.空气湿度越大,电压表示数越小
C.当空气湿度为40%时,电压表的示数为3.6 V
D.当电路中电流为0.15 A时,空气湿度为50%
答案:
D
9.(2024·北京)图甲为自动气象站中的测温装置,它的测温电路可简化为图乙,其中的“恒流源”是一个特殊电源,电流大小由电源内部结构决定,当电阻R变化时,通过R的电流大小保持不变。电阻R的阻值随温度的变化规律如图丙所示,通过数字电压表的示数可反映环境的温度。某次环境温度从20℃上升到30℃,电压表的示数变化了8 mV。当温度的变化值相同时,电压表示数的变化值越大,该测温装置的灵敏度越高。下列说法正确的是(

A.每升高1℃,R的阻值增大1.65$\Omega$
B.通过R的电流为20 mA
C.环境温度为20℃时,电压表的示数为216 mV
D.若要增大该测温装置的灵敏度,可换一个电流值更小的恒流源
C
)A.每升高1℃,R的阻值增大1.65$\Omega$
B.通过R的电流为20 mA
C.环境温度为20℃时,电压表的示数为216 mV
D.若要增大该测温装置的灵敏度,可换一个电流值更小的恒流源
答案:
C
查看更多完整答案,请扫码查看