第80页
- 第1页
- 第2页
- 第3页
- 第4页
- 第5页
- 第6页
- 第7页
- 第8页
- 第9页
- 第10页
- 第11页
- 第12页
- 第13页
- 第14页
- 第15页
- 第16页
- 第17页
- 第18页
- 第19页
- 第20页
- 第21页
- 第22页
- 第23页
- 第24页
- 第25页
- 第26页
- 第27页
- 第28页
- 第29页
- 第30页
- 第31页
- 第32页
- 第33页
- 第34页
- 第35页
- 第36页
- 第37页
- 第38页
- 第39页
- 第40页
- 第41页
- 第42页
- 第43页
- 第44页
- 第45页
- 第46页
- 第47页
- 第48页
- 第49页
- 第50页
- 第51页
- 第52页
- 第53页
- 第54页
- 第55页
- 第56页
- 第57页
- 第58页
- 第59页
- 第60页
- 第61页
- 第62页
- 第63页
- 第64页
- 第65页
- 第66页
- 第67页
- 第68页
- 第69页
- 第70页
- 第71页
- 第72页
- 第73页
- 第74页
- 第75页
- 第76页
- 第77页
- 第78页
- 第79页
- 第80页
- 第81页
- 第82页
- 第83页
- 第84页
- 第85页
- 第86页
- 第87页
- 第88页
- 第89页
- 第90页
- 第91页
- 第92页
- 第93页
【例 3】(2023·兰州节选)小刚测未知电阻$R_{x}$阻值的设计方案如图所示,闭合开关$S$后,先将开关$S_{1}$拨至触点

b
,移动滑动变阻器$R$的滑片$P$至适当位置,此时电压表的示数为$U$;保持滑片$P$的位置不变,再将开关$S_{1}$拨至另一触点,调节电阻箱$R_{1}$的阻值,使电压表的示数恰好为U
,此时电阻箱的读数为$R_{0}$,则未知电阻$R_{x}=$$R_{0}$
。
答案:
b 电压表的示数恰好为U $R_{0}$
1. 在“伏安法”测电阻的实验中,只有一个电压表和一个已知阻值的定值电阻$R_{0}$,小明设计了如图所示的电路,同样可以测量未知电阻$R_{x}$的阻值,请将实验步骤补充完整。

(1)闭合开关$S$、断开开关$S_{1}$,记录电压表的示数为$U_{1}$。
(2)
(3)未知电阻的表达式:$R_{x}=$
(1)闭合开关$S$、断开开关$S_{1}$,记录电压表的示数为$U_{1}$。
(2)
再闭合开关S₁
,记录电压表的示数为$U_{2}$。(3)未知电阻的表达式:$R_{x}=$
$\frac{U_{1}}{U_{2}-U_{1}}\cdot R_{0}$
。(用已知量和测量量的符号表示)
答案:
(2)再闭合开关S₁
(3)$\frac{U_{1}}{U_{2}-U_{1}}\cdot R_{0}$
(2)再闭合开关S₁
(3)$\frac{U_{1}}{U_{2}-U_{1}}\cdot R_{0}$
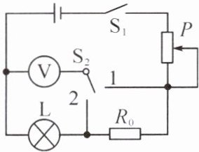
2. (2024·宜宾节选)某探究小组要测量一个标有“2.5 V”字样的小灯泡在正常发光时的电阻,小组设计了如图所示的电路图,测量该小灯泡$L$正常发光时的电阻,$R_{0}$为定值电阻,$S_{2}$为单刀双掷开关,实验步骤如下:

(1)闭合开关$S_{1}$,将开关$S_{2}$拨到触点 2,移动滑片$P$,使电压表的示数$U_{1}=$
(2)保持滑片$P$的位置不变,再将开关$S_{2}$拨到触点 1,读出电压表的示数并记为$U_{2}$。
(3)该小灯泡正常发光时的电阻$R_{L}=$
(1)闭合开关$S_{1}$,将开关$S_{2}$拨到触点 2,移动滑片$P$,使电压表的示数$U_{1}=$
2.5
V。(2)保持滑片$P$的位置不变,再将开关$S_{2}$拨到触点 1,读出电压表的示数并记为$U_{2}$。
(3)该小灯泡正常发光时的电阻$R_{L}=$
$\frac{U_{1}R_{0}}{U_{2}-U_{1}}$
(用$U_{1}$、$U_{2}$、$R_{0}$表示)。
答案:
(1)2.5
(3)$\frac{U_{1}R_{0}}{U_{2}-U_{1}}$
(1)2.5
(3)$\frac{U_{1}R_{0}}{U_{2}-U_{1}}$
3. 某物理实验小组正在学习测量未知电阻$R_{x}$的阻值,实验中电流表突然损坏,小组同学经过讨论设计了一种实验方案,也可测出$R_{x}$的阻值。电路如图所示,电源电压未知且恒定不变,$a$、$b$为滑动变阻器左右两个端点,滑动变阻器最大阻值已知且为$R_{max}$,请你把以下测量步骤补充完整。

(1)闭合开关$S$,滑片$P$移到$a$端时,读出电压表示数为$U_{1}$。
(2)闭合开关$S$,
(3)未知电阻$R_{x}=$
(1)闭合开关$S$,滑片$P$移到$a$端时,读出电压表示数为$U_{1}$。
(2)闭合开关$S$,
滑片P移到b端时
,读出电压表示数为$U_{2}$。(3)未知电阻$R_{x}=$
$\frac{U_{2}R_{max}}{U_{1}-U_{2}}$
。(用已知量和测量出的物理量符号表示)
答案:
(2)滑片P移到b端时
(3)$\frac{U_{2}R_{max}}{U_{1}-U_{2}}$
(2)滑片P移到b端时
(3)$\frac{U_{2}R_{max}}{U_{1}-U_{2}}$
4. 小朱同学测量一个标有“2.5 V”字样的小灯泡正常发光时的电阻,由于电压表损坏,多领了一只电流表和阻值为$R_{0}=10 Ω$的定值电阻,设计出如下的电路图进行测量:

(1)闭合开关$S$,调节滑动变阻器的滑片,使电流表$A_{2}$的示数为
(2)小灯泡正常发光时的电阻为$R_{额}=$
(1)闭合开关$S$,调节滑动变阻器的滑片,使电流表$A_{2}$的示数为
0.25
A;记录电流表$A_{1}$的示数$I_{1}$。(2)小灯泡正常发光时的电阻为$R_{额}=$
$\frac{2.5\ V}{I_{1}}$
(用已知量和测量的物理量表示)。
答案:
(1)0.25
(2)$\frac{2.5\ V}{I_{1}}$
(1)0.25
(2)$\frac{2.5\ V}{I_{1}}$
查看更多完整答案,请扫码查看