第61页
- 第1页
- 第2页
- 第3页
- 第4页
- 第5页
- 第6页
- 第7页
- 第8页
- 第9页
- 第10页
- 第11页
- 第12页
- 第13页
- 第14页
- 第15页
- 第16页
- 第17页
- 第18页
- 第19页
- 第20页
- 第21页
- 第22页
- 第23页
- 第24页
- 第25页
- 第26页
- 第27页
- 第28页
- 第29页
- 第30页
- 第31页
- 第32页
- 第33页
- 第34页
- 第35页
- 第36页
- 第37页
- 第38页
- 第39页
- 第40页
- 第41页
- 第42页
- 第43页
- 第44页
- 第45页
- 第46页
- 第47页
- 第48页
- 第49页
- 第50页
- 第51页
- 第52页
- 第53页
- 第54页
- 第55页
- 第56页
- 第57页
- 第58页
- 第59页
- 第60页
- 第61页
- 第62页
- 第63页
- 第64页
- 第65页
- 第66页
- 第67页
- 第68页
- 第69页
- 第70页
- 第71页
- 第72页
- 第73页
- 第74页
- 第75页
- 第76页
- 第77页
- 第78页
- 第79页
- 第80页
- 第81页
- 第82页
- 第83页
- 第84页
- 第85页
- 第86页
- 第87页
- 第88页
- 第89页
- 第90页
- 第91页
- 第92页
- 第93页
7. 某品牌电线中铜芯的直径明显比电线规格上标定的直径要小,引起电阻偏大。从影响导体电阻大小的因素来分析,导致这种电线电阻不符合规格的主要因素是(
A.电线的长度
B.电线的材料
C.电线的横截面积
D.电线的温度
C
)A.电线的长度
B.电线的材料
C.电线的横截面积
D.电线的温度
答案:
C
8. 如图所示的四段电阻丝由同种均匀材质制成,其中电阻最大的是(

A.①
B.②
C.③
D.④
C
)A.①
B.②
C.③
D.④
答案:
C
9. (2023·河南)为避免引发安全事故,运输汽油的油罐车尾部需拴一条拖在地上的链子。下列最适合用来制作这种链子的材料是(
A.橡胶
B.塑料
C.硅
D.铁
D
)A.橡胶
B.塑料
C.硅
D.铁
答案:
D
10. 下列有关电阻说法正确的是(
A.电阻是导体对电流的阻碍作用,电路中没有电流,导体电阻就为零
B.铜导线的电阻不一定比铁导线的电阻小
C.短导线的电阻一定比长导线的电阻小
D.一切导体的电阻都随着温度的升高而增大
B
)A.电阻是导体对电流的阻碍作用,电路中没有电流,导体电阻就为零
B.铜导线的电阻不一定比铁导线的电阻小
C.短导线的电阻一定比长导线的电阻小
D.一切导体的电阻都随着温度的升高而增大
答案:
B
11. 给你两根长度相同但横截面积不同的镍铬合金丝、一个电源、一只电流表、一个开关、若干根导线,现需要研究的课题有:
①导体的电阻跟它的横截面积的关系;
②导体的电阻跟它的长度的关系;
③导体的电阻跟它的材料的关系。
利用上述器材,可以完成的课题有(
A.只有①
B.只有②
C.①和②
D.①②③均可
①导体的电阻跟它的横截面积的关系;
②导体的电阻跟它的长度的关系;
③导体的电阻跟它的材料的关系。
利用上述器材,可以完成的课题有(
C
)A.只有①
B.只有②
C.①和②
D.①②③均可
答案:
C
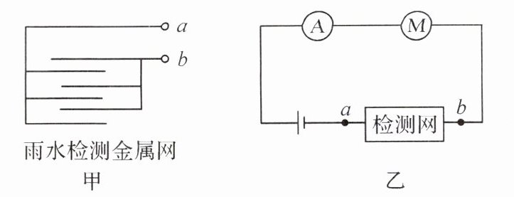
12. 新考向 工程实践 有些汽车前挡风玻璃上的刮水器能够随着雨量的大小,刮水的速度会相应地发生变化。小珠自制了如图甲所示的雨水检测金属网(以下简称检测网)并设计了如图乙所示的模拟电路进行探究。
(1) 连接好电路,检测网未放入水中,电流表无示数;将检测网放入雨水中,电流表有示数。这表明雨水是
(2) 将检测网竖立并缓慢浸入雨水中进行实验,发现金属网浸入雨水中的深度越深,电流表的示数越大,这表明 A、B 间接入电路的电阻

(1) 连接好电路,检测网未放入水中,电流表无示数;将检测网放入雨水中,电流表有示数。这表明雨水是
导体
(填“导体”或“绝缘体”)。通过观察电路中电流表示数
的变化来判断电动机转速的变化,从而反映出刮水器刮水速度的变化。(2) 将检测网竖立并缓慢浸入雨水中进行实验,发现金属网浸入雨水中的深度越深,电流表的示数越大,这表明 A、B 间接入电路的电阻
变小
(填“变大”或“变小”)。则 A、B 间接入电路的电阻变化是由导体的横截面积
(填影响导体电阻大小的因素)变化引起的。
答案:
12.
(1)导体 电流表示数
(2)变小 横截面积
(1)导体 电流表示数
(2)变小 横截面积
13. 新考向 物理观念 有一些材料在受热后电阻迅速减小;而温度降低时电阻迅速增大。利用这种材料可以做成体积很小的热敏电阻。热敏电阻可以用来测量很小范围内的温度变化,反应快,而且精度高。

(1) 如图甲所示,将热敏电阻与电源、电流表等连成一个电路,闭合开关,其它因素不变,只要热敏电阻所在区域的温度降低,电路中电流将变
(2) 上述电路中,我们将电流表中的电流刻度盘换成相应的温度刻度盘,就能直接显示出热敏电阻附近的温度值。如果刻度盘正中的温度刻度值为 $ 20^{\circ}C $(如图乙所示),则 $ 15^{\circ}C $ 的刻度应在 $ 20^{\circ}C $ 的
(1) 如图甲所示,将热敏电阻与电源、电流表等连成一个电路,闭合开关,其它因素不变,只要热敏电阻所在区域的温度降低,电路中电流将变
小
(填“大”或“小”)。(2) 上述电路中,我们将电流表中的电流刻度盘换成相应的温度刻度盘,就能直接显示出热敏电阻附近的温度值。如果刻度盘正中的温度刻度值为 $ 20^{\circ}C $(如图乙所示),则 $ 15^{\circ}C $ 的刻度应在 $ 20^{\circ}C $ 的
左
(填“左”或“右”)边。
答案:
13.
(1)小
(2)左
(1)小
(2)左
查看更多完整答案,请扫码查看