第76页
- 第1页
- 第2页
- 第3页
- 第4页
- 第5页
- 第6页
- 第7页
- 第8页
- 第9页
- 第10页
- 第11页
- 第12页
- 第13页
- 第14页
- 第15页
- 第16页
- 第17页
- 第18页
- 第19页
- 第20页
- 第21页
- 第22页
- 第23页
- 第24页
- 第25页
- 第26页
- 第27页
- 第28页
- 第29页
- 第30页
- 第31页
- 第32页
- 第33页
- 第34页
- 第35页
- 第36页
- 第37页
- 第38页
- 第39页
- 第40页
- 第41页
- 第42页
- 第43页
- 第44页
- 第45页
- 第46页
- 第47页
- 第48页
- 第49页
- 第50页
- 第51页
- 第52页
- 第53页
- 第54页
- 第55页
- 第56页
- 第57页
- 第58页
- 第59页
- 第60页
- 第61页
- 第62页
- 第63页
- 第64页
- 第65页
- 第66页
- 第67页
- 第68页
- 第69页
- 第70页
- 第71页
- 第72页
- 第73页
- 第74页
- 第75页
- 第76页
- 第77页
- 第78页
- 第79页
- 第80页
- 第81页
- 第82页
- 第83页
- 第84页
- 第85页
- 第86页
- 第87页
- 第88页
- 第89页
- 第90页
- 第91页
- 第92页
- 第93页
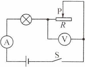
1. (2024·淄博)如图所示电路,闭合开关 S,滑动变阻器的滑片 P 向右移动时 (

A.电流表的示数不变,电压表的示数不变
B.电流表的示数变小,电压表的示数变大
C.电流表的示数不变,电压表的示数变大
D.电流表的示数变小,电压表的示数不变
A
)A.电流表的示数不变,电压表的示数不变
B.电流表的示数变小,电压表的示数变大
C.电流表的示数不变,电压表的示数变大
D.电流表的示数变小,电压表的示数不变
答案:
A
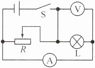
2. (2024·连云港)如图所示,电源电压不变,闭合开关 S 后,当滑动变阻器的滑片 P 向右移动过程中 (

A.电流表示数变小,灯变暗
B.电流表示数变大,灯变亮
C.电压表示数不变,灯亮度不变
D.电压表示数变小,灯亮度变亮
A
)A.电流表示数变小,灯变暗
B.电流表示数变大,灯变亮
C.电压表示数不变,灯亮度不变
D.电压表示数变小,灯亮度变亮
答案:
A
3. 如图,电源电压不变,闭合开关,将滑动变阻器的滑片 P 向左移动,下列说法正确的是(

A.电流表示数变小
B.电压表示数变大
C.小灯泡变亮
D.滑动变阻器阻值变大
C
)A.电流表示数变小
B.电压表示数变大
C.小灯泡变亮
D.滑动变阻器阻值变大
答案:
C
4. 如图所示电路中,电源电压保持不变。闭合开关 S,当滑动变阻器 $ R_{2} $ 的滑片 P 向左移动时,两只电表示数的变化情况是 (

A.电压表与电流表示数的比值不变
B.电压表与电流表示数的比值变大
C.电压表示数不变,电流表示数不变
D.电压表示数变大,电流表示数变小
A
)A.电压表与电流表示数的比值不变
B.电压表与电流表示数的比值变大
C.电压表示数不变,电流表示数不变
D.电压表示数变大,电流表示数变小
答案:
A
5. (2024·达州)如图所示,$ R_{1} $ 为定值电阻,$ R_{2} $ 为滑动变阻器,电源电压保持不变,闭合开关 S,滑动变阻器的滑片 P 向右移动的过程中,下列说法正确的是 (

A.电流表示数变大,电压表 $ V_{1} $ 示数变小
B.电流表示数变小,电压表 $ V_{2} $ 示数变大
C.电压表 $ V_{1} $ 与电流表示数的比值变大
D.电压表 $ V_{2} $ 与电流表示数的比值变小
B
)A.电流表示数变大,电压表 $ V_{1} $ 示数变小
B.电流表示数变小,电压表 $ V_{2} $ 示数变大
C.电压表 $ V_{1} $ 与电流表示数的比值变大
D.电压表 $ V_{2} $ 与电流表示数的比值变小
答案:
B
6. 电路如图所示,闭合开关,将滑动变阻器的滑片向左滑动一小段距离的过程中 (

A.灯泡的亮度变小
B.电流表的示数不变
C.电压表的示数变大
D.电压表与电流表示数的比值变小
B
)A.灯泡的亮度变小
B.电流表的示数不变
C.电压表的示数变大
D.电压表与电流表示数的比值变小
答案:
B
7. (2024·安徽)如图所示的电路中,电源两端电压保持不变,R 为定值电阻。闭合开关,在保证电路元件安全的前提下,将滑动变阻器的滑片由 B 端滑到 A 端,电压表 $ V_{1} $、电压表 $ V_{2} $、电流表 A 示数变化量的绝对值分别为 $ \Delta U_{1} $、$ \Delta U_{2} $、$ \Delta I $。则 (

A.电流表 A 的示数变大,电压表 $ V_{2} $ 的示数变大
B.电流表 A 的示数变小,电压表 $ V_{1} $ 的示数变大
C.$ \Delta U_{1} $ 与 $ \Delta I $ 的比值大于 R 的阻值
D.$ \Delta U_{2} $ 与 $ \Delta I $ 的比值等于 R 的阻值
D
)A.电流表 A 的示数变大,电压表 $ V_{2} $ 的示数变大
B.电流表 A 的示数变小,电压表 $ V_{1} $ 的示数变大
C.$ \Delta U_{1} $ 与 $ \Delta I $ 的比值大于 R 的阻值
D.$ \Delta U_{2} $ 与 $ \Delta I $ 的比值等于 R 的阻值
答案:
D
8. (2024·乐山)小嘉同学设计了一款身高测量仪,其工作原理如图所示。已知电压表、电流表示数分别为 U、I,电压表、电流表示数变化量分别为 $ \Delta U $、$ \Delta I $,则下列说法正确的是 (

A.被测人员身高越高,整个电路中的总电阻越小
B.被测人员身高越高,电流表的示数越大
C.无论被测人员身高如何,$ \frac{U}{I} $ 的值不变
D.无论被测人员身高如何,$ | \frac{\Delta U}{\Delta I} | $ 的值不变
D
)A.被测人员身高越高,整个电路中的总电阻越小
B.被测人员身高越高,电流表的示数越大
C.无论被测人员身高如何,$ \frac{U}{I} $ 的值不变
D.无论被测人员身高如何,$ | \frac{\Delta U}{\Delta I} | $ 的值不变
答案:
D
查看更多完整答案,请扫码查看