第73页
- 第1页
- 第2页
- 第3页
- 第4页
- 第5页
- 第6页
- 第7页
- 第8页
- 第9页
- 第10页
- 第11页
- 第12页
- 第13页
- 第14页
- 第15页
- 第16页
- 第17页
- 第18页
- 第19页
- 第20页
- 第21页
- 第22页
- 第23页
- 第24页
- 第25页
- 第26页
- 第27页
- 第28页
- 第29页
- 第30页
- 第31页
- 第32页
- 第33页
- 第34页
- 第35页
- 第36页
- 第37页
- 第38页
- 第39页
- 第40页
- 第41页
- 第42页
- 第43页
- 第44页
- 第45页
- 第46页
- 第47页
- 第48页
- 第49页
- 第50页
- 第51页
- 第52页
- 第53页
- 第54页
- 第55页
- 第56页
- 第57页
- 第58页
- 第59页
- 第60页
- 第61页
- 第62页
- 第63页
- 第64页
- 第65页
- 第66页
- 第67页
- 第68页
- 第69页
- 第70页
- 第71页
- 第72页
- 第73页
- 第74页
- 第75页
- 第76页
- 第77页
- 第78页
- 第79页
- 第80页
- 第81页
- 第82页
- 第83页
- 第84页
- 第85页
- 第86页
- 第87页
1. 如图所示的电路中,导线a的一端固定连接在铅笔芯上,闭合开关,当导线b的一端在铅笔芯上左右移动时,灯泡亮度会发生变化。这个实验能说明铅笔芯是 (导体/绝缘体),还能说明导体的电阻与 有关。受此启发,人们制造了一种可以改变电阻的元件,叫作 。

答案:
导体 导体的长度 滑动变阻器
2. 如图所示,电路中一根导线已经与滑动变阻器的B接线柱连接,当滑动变阻器的滑片P向左移动时,要使滑动变阻器连入电路的电阻变小,另一根导线应与滑动变阻器的 (A/C/D)接线柱连接;滑动变阻器是通过改变电阻丝接入电路中的 来改变电阻大小的。

答案:
C 长度
3. 根据“滑动变阻器改变电路中的电流”的实验,回答下列问题。
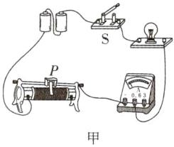
(1)将图甲中的实物电路连接完整(电流小于0.6 A),并在图乙虚线框内画出电路图。

(2)当电路中接入变阻器后,在闭合开关前,滑片P调到最 (左/右)端。闭合开关S,发现灯泡不亮,接下来的做法最合理的是 。
A. 观察电流表示数是否为零,判断电路是否断路
B. 断开开关S,更换灯泡重新实验
C. 断开开关S,增加电池的个数重新实验
D. 断开开关S,拆掉导线重新连接电路
(3)实验中,当滑片P向左移动时,变阻器连入电路的电阻变 ,电流表的示数变 ,小灯泡的亮度变 。
(1)将图甲中的实物电路连接完整(电流小于0.6 A),并在图乙虚线框内画出电路图。
(2)当电路中接入变阻器后,在闭合开关前,滑片P调到最 (左/右)端。闭合开关S,发现灯泡不亮,接下来的做法最合理的是 。
A. 观察电流表示数是否为零,判断电路是否断路
B. 断开开关S,更换灯泡重新实验
C. 断开开关S,增加电池的个数重新实验
D. 断开开关S,拆掉导线重新连接电路
(3)实验中,当滑片P向左移动时,变阻器连入电路的电阻变 ,电流表的示数变 ,小灯泡的亮度变 。
答案:
(1)如图所示 (2)右 A (3)小 大 亮
(1)如图所示 (2)右 A (3)小 大 亮
4. 一名同学设计了一个风力测定仪,如图所示,O是转动轴,OC是金属杆,下面连接着一块受风板,无风时OC是竖直的,风力越大,OC杆偏转的角度越大。AB是一段圆弧形电阻,P是金属杆与圆弧形电阻的接触点,电路中接有一只小灯泡L,测风力时,闭合开关S。通过分析可知:金属杆OC与圆弧形电阻AB组合在一起相当于一个 ,风力越大,接入电路中的电阻越 ,小灯泡越 。所以,通过观察小灯泡的亮度可以粗略地了解风力的大小,若要提高该装置显示风力大小的性能,则可以采取的方法是 。

答案:
滑动变阻器 小 亮 在电路中串联一个电流表 解析:由题图可知,金属杆 OC 随受风板移动时,圆弧形电阻 AB 接入电路的阻值发生变化,金属杆 OC 与圆弧形电阻 AB 组合在一起相当于一个滑动变阻器;由题图可知,风力越大,圆弧形电阻 AB 接入电路中的长度越小,因此接入电路中的阻值越小,小灯泡越亮;在电路中串联一个电流表,风力变化时,电流表示数随之变化,根据电流表的示数大小,可以知道风力大小。
5. 关于如图所示的滑动变阻器,下列说法中正确的是 ( )

A.金属棒AB是用电阻较大的材料制成的
B.滑片P与金属棒AB之间是绝缘的
C.线圈与滑片P接触的位置,电阻丝的绝缘漆被刮掉
D.金属棒AB是绝缘体,瓷筒是导体
A.金属棒AB是用电阻较大的材料制成的
B.滑片P与金属棒AB之间是绝缘的
C.线圈与滑片P接触的位置,电阻丝的绝缘漆被刮掉
D.金属棒AB是绝缘体,瓷筒是导体
答案:
C 解析:金属棒 AB 是用电阻较小的材料制成的,故 A 错误;滑片与金属棒之间是导电的,故 B 错误;线圈与滑片接触的位置,电阻丝的绝缘漆被刮掉,是为了使滑动变阻器连通,让电流通过,故 C 正确;金属棒 AB 是导体,瓷筒是绝缘体,故 D 错误。
查看更多完整答案,请扫码查看