第171页
- 第1页
- 第2页
- 第3页
- 第4页
- 第5页
- 第6页
- 第7页
- 第8页
- 第9页
- 第10页
- 第11页
- 第12页
- 第13页
- 第14页
- 第15页
- 第16页
- 第17页
- 第18页
- 第19页
- 第20页
- 第21页
- 第22页
- 第23页
- 第24页
- 第25页
- 第26页
- 第27页
- 第28页
- 第29页
- 第30页
- 第31页
- 第32页
- 第33页
- 第34页
- 第35页
- 第36页
- 第37页
- 第38页
- 第39页
- 第40页
- 第41页
- 第42页
- 第43页
- 第44页
- 第45页
- 第46页
- 第47页
- 第48页
- 第49页
- 第50页
- 第51页
- 第52页
- 第53页
- 第54页
- 第55页
- 第56页
- 第57页
- 第58页
- 第59页
- 第60页
- 第61页
- 第62页
- 第63页
- 第64页
- 第65页
- 第66页
- 第67页
- 第68页
- 第69页
- 第70页
- 第71页
- 第72页
- 第73页
- 第74页
- 第75页
- 第76页
- 第77页
- 第78页
- 第79页
- 第80页
- 第81页
- 第82页
- 第83页
- 第84页
- 第85页
- 第86页
- 第87页
- 第88页
- 第89页
- 第90页
- 第91页
- 第92页
- 第93页
- 第94页
- 第95页
- 第96页
- 第97页
- 第98页
- 第99页
- 第100页
- 第101页
- 第102页
- 第103页
- 第104页
- 第105页
- 第106页
- 第107页
- 第108页
- 第109页
- 第110页
- 第111页
- 第112页
- 第113页
- 第114页
- 第115页
- 第116页
- 第117页
- 第118页
- 第119页
- 第120页
- 第121页
- 第122页
- 第123页
- 第124页
- 第125页
- 第126页
- 第127页
- 第128页
- 第129页
- 第130页
- 第131页
- 第132页
- 第133页
- 第134页
- 第135页
- 第136页
- 第137页
- 第138页
- 第139页
- 第140页
- 第141页
- 第142页
- 第143页
- 第144页
- 第145页
- 第146页
- 第147页
- 第148页
- 第149页
- 第150页
- 第151页
- 第152页
- 第153页
- 第154页
- 第155页
- 第156页
- 第157页
- 第158页
- 第159页
- 第160页
- 第161页
- 第162页
- 第163页
- 第164页
- 第165页
- 第166页
- 第167页
- 第168页
- 第169页
- 第170页
- 第171页
- 第172页
- 第173页
- 第174页
- 第175页
- 第176页
【跟踪练习】
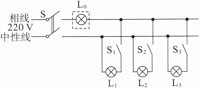
5. 电工师傅常用一只额定电压为 220 V 的灯泡 L₀(检验灯泡)取代保险丝来检查新安装的照明电路中每个支路的情况。如图所示,当开关 S 闭合后,再分别闭合开关$ S_1、$$S_2、$$S_3($每次只能闭合其中之一)时,下列各情况的判断正确的是(

A.若 L₀ 不亮,则该支路正常
B.若 L₀ 正常发光,则该支路断路
C.若 L₀ 发光且呈暗红色,则该支路短路
D.若 L₀ 发光且呈暗红色,则该支路正常
5. 电工师傅常用一只额定电压为 220 V 的灯泡 L₀(检验灯泡)取代保险丝来检查新安装的照明电路中每个支路的情况。如图所示,当开关 S 闭合后,再分别闭合开关$ S_1、$$S_2、$$S_3($每次只能闭合其中之一)时,下列各情况的判断正确的是(
D
)A.若 L₀ 不亮,则该支路正常
B.若 L₀ 正常发光,则该支路断路
C.若 L₀ 发光且呈暗红色,则该支路短路
D.若 L₀ 发光且呈暗红色,则该支路正常
答案:
D
查看更多完整答案,请扫码查看