第146页
- 第1页
- 第2页
- 第3页
- 第4页
- 第5页
- 第6页
- 第7页
- 第8页
- 第9页
- 第10页
- 第11页
- 第12页
- 第13页
- 第14页
- 第15页
- 第16页
- 第17页
- 第18页
- 第19页
- 第20页
- 第21页
- 第22页
- 第23页
- 第24页
- 第25页
- 第26页
- 第27页
- 第28页
- 第29页
- 第30页
- 第31页
- 第32页
- 第33页
- 第34页
- 第35页
- 第36页
- 第37页
- 第38页
- 第39页
- 第40页
- 第41页
- 第42页
- 第43页
- 第44页
- 第45页
- 第46页
- 第47页
- 第48页
- 第49页
- 第50页
- 第51页
- 第52页
- 第53页
- 第54页
- 第55页
- 第56页
- 第57页
- 第58页
- 第59页
- 第60页
- 第61页
- 第62页
- 第63页
- 第64页
- 第65页
- 第66页
- 第67页
- 第68页
- 第69页
- 第70页
- 第71页
- 第72页
- 第73页
- 第74页
- 第75页
- 第76页
- 第77页
- 第78页
- 第79页
- 第80页
- 第81页
- 第82页
- 第83页
- 第84页
- 第85页
- 第86页
- 第87页
- 第88页
- 第89页
- 第90页
- 第91页
- 第92页
- 第93页
- 第94页
- 第95页
- 第96页
- 第97页
- 第98页
- 第99页
- 第100页
- 第101页
- 第102页
- 第103页
- 第104页
- 第105页
- 第106页
- 第107页
- 第108页
- 第109页
- 第110页
- 第111页
- 第112页
- 第113页
- 第114页
- 第115页
- 第116页
- 第117页
- 第118页
- 第119页
- 第120页
- 第121页
- 第122页
- 第123页
- 第124页
- 第125页
- 第126页
- 第127页
- 第128页
- 第129页
- 第130页
- 第131页
- 第132页
- 第133页
- 第134页
- 第135页
- 第136页
- 第137页
- 第138页
- 第139页
- 第140页
- 第141页
- 第142页
- 第143页
- 第144页
- 第145页
- 第146页
- 第147页
- 第148页
- 第149页
- 第150页
- 第151页
- 第152页
- 第153页
- 第154页
- 第155页
- 第156页
【例题 1】常见的电热器结构简图如图所示,请分析开关不同状态下电路结构并判断对应的挡位情况。
(1)
(2)
(3)
(4)
(1)
(2)
(3)
(4)
答案:
解:
(1)①当只闭合开关S时,只有$R_2$接入电路,为保温挡;②当闭合开关S、$S_1$时,$R_1$、$R_2$并联,为加热挡。
(2)①当闭合开关S时,$R_1$短路,只有$R_2$接入电路,为加热挡;②当断开S时,$R_1$、$R_2$串联,为保温挡。
(3)①当开关S接1时,$R_1$、$R_2$串联,为保温挡;②当开关S接2时,只有$R_1$接入电路,为加热挡。
(4)①当开关S接$a$且闭合开关$S_1$时,$R_1$、$R_2$并联,为高温挡;②当开关S接$b$且闭合开关$S_1$时,$R_2$短路,只有$R_1$接入电路,为中温挡;③当开关S接$b$且断开开关$S_1$时,$R_1$、$R_2$串联,为低温挡。
(1)①当只闭合开关S时,只有$R_2$接入电路,为保温挡;②当闭合开关S、$S_1$时,$R_1$、$R_2$并联,为加热挡。
(2)①当闭合开关S时,$R_1$短路,只有$R_2$接入电路,为加热挡;②当断开S时,$R_1$、$R_2$串联,为保温挡。
(3)①当开关S接1时,$R_1$、$R_2$串联,为保温挡;②当开关S接2时,只有$R_1$接入电路,为加热挡。
(4)①当开关S接$a$且闭合开关$S_1$时,$R_1$、$R_2$并联,为高温挡;②当开关S接$b$且闭合开关$S_1$时,$R_2$短路,只有$R_1$接入电路,为中温挡;③当开关S接$b$且断开开关$S_1$时,$R_1$、$R_2$串联,为低温挡。
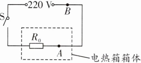
【例题 2】课外实践小组设计了一个电热孵蛋箱,其电路如图所示。已知电源电压恒为 220 V,$R_{0}$是阻值为 55 Ω 的电热丝,温度对电热丝阻值的影响忽略不计。
(1)闭合开关 S 后,求电路中的电流;
(2)求通电 100 s 电热丝$R_{0}$产生的热量;
(3)老师提醒,电热箱内温度太高,无法孵化鸡蛋,应使电热箱内的电功率降至$P_{0}$,小组成员想出了两种方法改进电路:
方法一:在图中 A 点处串联接入一根电热丝$R_{A}$;
方法二:在图中 B 点处串联接入一根电热丝$R_{B}$。
老师发现这两种改进方法电热箱内的电功率都为$P_{0}$,小组成员在这两种改进电路中,用电压表测量新接入的电热丝两端的电压,测量结果为$U_{1}$和$U_{2}$,$U_{1}>U_{2}$,$U_{2}=165V$,但由于粗心没有记录$U_{1}$和$U_{2}$分别对应哪种方法。请根据上述信息判断哪种方法更节能,并计算这种方法中新接入的电热丝的阻值。


(1)闭合开关 S 后,求电路中的电流;
(2)求通电 100 s 电热丝$R_{0}$产生的热量;
(3)老师提醒,电热箱内温度太高,无法孵化鸡蛋,应使电热箱内的电功率降至$P_{0}$,小组成员想出了两种方法改进电路:
方法一:在图中 A 点处串联接入一根电热丝$R_{A}$;
方法二:在图中 B 点处串联接入一根电热丝$R_{B}$。
老师发现这两种改进方法电热箱内的电功率都为$P_{0}$,小组成员在这两种改进电路中,用电压表测量新接入的电热丝两端的电压,测量结果为$U_{1}$和$U_{2}$,$U_{1}>U_{2}$,$U_{2}=165V$,但由于粗心没有记录$U_{1}$和$U_{2}$分别对应哪种方法。请根据上述信息判断哪种方法更节能,并计算这种方法中新接入的电热丝的阻值。
答案:
解:
(1)S闭合后,电路中的电流:
$I = \frac{U}{R_0} = \frac{220 V}{55 \Omega} = 4 A$。
(2)通电$100 s$电热丝$R_0$产生的热量:
$Q = I^2R_0t = (4 A)^2 × 55 \Omega × 100 s = 8.8 × 10^4 J$。
(3)方法一更节能。
两种方法的电路简图如下:
在方法一中的电热箱的功率:
$P_1 = I_A^2(R_0 + R_A)$;
在方法二中的电热箱的功率:
$P_2 = I_B^2R_0$,
因为两次电热箱内的电功率相等,即$I_A^2(R_0 + R_A) = I_B^2R_0$,得出$I_A < I_B$,则$R_0$两次电压,$U_{0A} < U_{0B}$,因为电源电压保持不变,$R_A$和$R_B$两端的电压$U_A > U_B$,所以$U_B = U_2 = 165 V$,则$U_{0B} = 220 V - 165 V = 55 V$,
因为$P_{箱} = \frac{U_{0B}^2}{R_0} = \frac{(55 V)^2}{55 \Omega} = 55 W$,则$P_{A箱} = 55 W$,
在方法一中$I_A = \frac{P_{A箱}}{U} = \frac{55 W}{220 V} = 0.25 A$,所以$R_0$两端的电压:$U_{0A} = I_A × R_0 = 0.25 A × 55 \Omega = 13.75 V$,
A接入的电热丝的阻值:$R_A = \frac{U_A}{I_A} = \frac{U - U_{0A}}{I_A} = \frac{220 V - 13.75 V}{0.25 A} = 825 \Omega$。
答:
(1)闭合开关S后,电路中的电流为$4 A$;
(2)通电$100 s$电热丝$R_0$产生的热量为$8.8 × 10^4 J$;
(3)方法一更节能,新接入的电热丝的阻值为$825 \Omega$。
解:
(1)S闭合后,电路中的电流:
$I = \frac{U}{R_0} = \frac{220 V}{55 \Omega} = 4 A$。
(2)通电$100 s$电热丝$R_0$产生的热量:
$Q = I^2R_0t = (4 A)^2 × 55 \Omega × 100 s = 8.8 × 10^4 J$。
(3)方法一更节能。
两种方法的电路简图如下:
在方法一中的电热箱的功率:
$P_1 = I_A^2(R_0 + R_A)$;
在方法二中的电热箱的功率:
$P_2 = I_B^2R_0$,
因为两次电热箱内的电功率相等,即$I_A^2(R_0 + R_A) = I_B^2R_0$,得出$I_A < I_B$,则$R_0$两次电压,$U_{0A} < U_{0B}$,因为电源电压保持不变,$R_A$和$R_B$两端的电压$U_A > U_B$,所以$U_B = U_2 = 165 V$,则$U_{0B} = 220 V - 165 V = 55 V$,
因为$P_{箱} = \frac{U_{0B}^2}{R_0} = \frac{(55 V)^2}{55 \Omega} = 55 W$,则$P_{A箱} = 55 W$,
在方法一中$I_A = \frac{P_{A箱}}{U} = \frac{55 W}{220 V} = 0.25 A$,所以$R_0$两端的电压:$U_{0A} = I_A × R_0 = 0.25 A × 55 \Omega = 13.75 V$,
A接入的电热丝的阻值:$R_A = \frac{U_A}{I_A} = \frac{U - U_{0A}}{I_A} = \frac{220 V - 13.75 V}{0.25 A} = 825 \Omega$。
答:
(1)闭合开关S后,电路中的电流为$4 A$;
(2)通电$100 s$电热丝$R_0$产生的热量为$8.8 × 10^4 J$;
(3)方法一更节能,新接入的电热丝的阻值为$825 \Omega$。
查看更多完整答案,请扫码查看