第115页
- 第4页
- 第5页
- 第6页
- 第7页
- 第8页
- 第9页
- 第10页
- 第11页
- 第12页
- 第13页
- 第14页
- 第15页
- 第16页
- 第17页
- 第18页
- 第19页
- 第20页
- 第21页
- 第22页
- 第23页
- 第24页
- 第25页
- 第26页
- 第27页
- 第28页
- 第29页
- 第30页
- 第31页
- 第32页
- 第33页
- 第34页
- 第35页
- 第36页
- 第37页
- 第38页
- 第39页
- 第40页
- 第41页
- 第42页
- 第43页
- 第44页
- 第45页
- 第46页
- 第47页
- 第48页
- 第49页
- 第50页
- 第51页
- 第52页
- 第53页
- 第54页
- 第55页
- 第56页
- 第57页
- 第58页
- 第59页
- 第60页
- 第61页
- 第62页
- 第63页
- 第64页
- 第65页
- 第66页
- 第67页
- 第68页
- 第69页
- 第70页
- 第71页
- 第72页
- 第73页
- 第74页
- 第75页
- 第76页
- 第77页
- 第78页
- 第79页
- 第80页
- 第81页
- 第82页
- 第83页
- 第84页
- 第85页
- 第86页
- 第87页
- 第88页
- 第89页
- 第90页
- 第91页
- 第92页
- 第93页
- 第94页
- 第95页
- 第96页
- 第97页
- 第98页
- 第99页
- 第100页
- 第101页
- 第102页
- 第103页
- 第104页
- 第105页
- 第106页
- 第107页
- 第108页
- 第109页
- 第110页
- 第111页
- 第112页
- 第113页
- 第114页
- 第115页
- 第116页
- 第117页
- 第118页
- 第119页
- 第120页
- 第121页
- 第122页
- 第123页
- 第124页
- 第125页
- 第126页
- 第127页
- 第128页
- 第129页
- 第130页
- 第131页
- 第132页
- 第133页
- 第134页
- 第135页
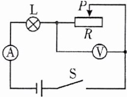
例2 如图所示电路,电源电压为18 V且保持不变,电流表接“0~0.6 A”量程,电压表接“0~15 V”量程,滑动变阻器的规格为“100 Ω 1 A”,灯泡上标有“6 V 3 W”字样,灯丝电阻保持恒定不变。求:
(1)灯泡正常发光时的电流及电阻;
(2)为了保证电路中各元件的安全,滑动变阻器的阻值变化范围;
(3)在保证电路中各元件安全的情况下,灯泡L实际消耗的电功率的变化范围;
(4)在保证电路中各元件安全的情况下,整个电路消耗的电功率的变化范围;
(5)*(拓展)在保证电路中各元件安全的情况下,滑动变阻器的电功率的变化范围。

(1)灯泡正常发光时的电流及电阻;
(2)为了保证电路中各元件的安全,滑动变阻器的阻值变化范围;
(3)在保证电路中各元件安全的情况下,灯泡L实际消耗的电功率的变化范围;
(4)在保证电路中各元件安全的情况下,整个电路消耗的电功率的变化范围;
(5)*(拓展)在保证电路中各元件安全的情况下,滑动变阻器的电功率的变化范围。
答案:
解:
(1)灯泡正常发光时,$U_{L额}=6V$,$P_{L额}=3W$
由$P=UI$得,正常发光电流:$I_{L额}=\frac{P_{L额}}{U_{L额}}=\frac{3W}{6V}=0.5A$
由$I=\frac{U}{R}$得,灯泡电阻:$R_{L}=\frac{U_{L额}}{I_{L额}}=\frac{6V}{0.5A}=12Ω$
(2)电路中灯泡L与滑动变阻器R串联,电流表测总电流,电压表测R两端电压。
电路最大电流由灯泡额定电流、电流表量程、滑动变阻器允许通过最大电流决定,$I_{max}=I_{L额}=0.5A$(因$0.5A<0.6A$且$0.5A<1A$)
此时总电阻:$R_{总min}=\frac{U}{I_{max}}=\frac{18V}{0.5A}=36Ω$
滑动变阻器最小阻值:$R_{min}=R_{总min}-R_{L}=36Ω-12Ω=24Ω$
电压表量程为0~15V,当电压表示数最大$U_{Rmax}=15V$时,灯泡两端电压:$U_{Lmin}=U - U_{Rmax}=18V - 15V=3V$
此时电路电流:$I_{min}=\frac{U_{Lmin}}{R_{L}}=\frac{3V}{12Ω}=0.25A$
滑动变阻器最大阻值:$R_{max}=\frac{U_{Rmax}}{I_{min}}=\frac{15V}{0.25A}=60Ω$($60Ω<100Ω$,符合要求)
故滑动变阻器阻值变化范围:$24Ω≤R≤60Ω$
(3)灯泡实际功率$P_{L}=I^{2}R_{L}$,电流最大时功率最大,电流最小时功率最小。
$P_{Lmax}=P_{L额}=3W$($I=0.5A$时)
$P_{Lmin}=I_{min}^{2}R_{L}=(0.25A)^{2}×12Ω=0.75W$
故灯泡实际电功率变化范围:$0.75W≤P_{L}≤3W$
(4)整个电路消耗的电功率$P=UI$,电压U不变,电流最大时功率最大,电流最小时功率最小。
$P_{max}=UI_{max}=18V×0.5A=9W$
$P_{min}=UI_{min}=18V×0.25A=4.5W$
故电路总功率变化范围:$4.5W≤P≤9W$
(5)滑动变阻器的电功率$P_{R}=U_{R}I=(U - IR_{L})I=UI - I^{2}R_{L}=18I - 12I^{2}$
此为关于I的二次函数,开口向下,对称轴$I=-\frac{b}{2a}=-\frac{18}{2×(-12)}=0.75A$,但电路最大电流为0.5A<0.75A,故在$0.25A≤I≤0.5A$范围内,P随I增大而增大。
当$I=0.5A$时,$P_{Rmax}=U_{R}I=(18V - 0.5A×12Ω)×0.5A=12V×0.5A=6W$
当$I=0.25A$时,$P_{Rmin}=U_{Rmax}I=15V×0.25A=3.75W$
故滑动变阻器电功率变化范围:$3.75W≤P_{R}≤6W$
答案:
(1)0.5A,12Ω;
(2)24Ω~60Ω;
(3)0.75W~3W;
(4)4.5W~9W;
(5)3.75W~6W
(1)灯泡正常发光时,$U_{L额}=6V$,$P_{L额}=3W$
由$P=UI$得,正常发光电流:$I_{L额}=\frac{P_{L额}}{U_{L额}}=\frac{3W}{6V}=0.5A$
由$I=\frac{U}{R}$得,灯泡电阻:$R_{L}=\frac{U_{L额}}{I_{L额}}=\frac{6V}{0.5A}=12Ω$
(2)电路中灯泡L与滑动变阻器R串联,电流表测总电流,电压表测R两端电压。
电路最大电流由灯泡额定电流、电流表量程、滑动变阻器允许通过最大电流决定,$I_{max}=I_{L额}=0.5A$(因$0.5A<0.6A$且$0.5A<1A$)
此时总电阻:$R_{总min}=\frac{U}{I_{max}}=\frac{18V}{0.5A}=36Ω$
滑动变阻器最小阻值:$R_{min}=R_{总min}-R_{L}=36Ω-12Ω=24Ω$
电压表量程为0~15V,当电压表示数最大$U_{Rmax}=15V$时,灯泡两端电压:$U_{Lmin}=U - U_{Rmax}=18V - 15V=3V$
此时电路电流:$I_{min}=\frac{U_{Lmin}}{R_{L}}=\frac{3V}{12Ω}=0.25A$
滑动变阻器最大阻值:$R_{max}=\frac{U_{Rmax}}{I_{min}}=\frac{15V}{0.25A}=60Ω$($60Ω<100Ω$,符合要求)
故滑动变阻器阻值变化范围:$24Ω≤R≤60Ω$
(3)灯泡实际功率$P_{L}=I^{2}R_{L}$,电流最大时功率最大,电流最小时功率最小。
$P_{Lmax}=P_{L额}=3W$($I=0.5A$时)
$P_{Lmin}=I_{min}^{2}R_{L}=(0.25A)^{2}×12Ω=0.75W$
故灯泡实际电功率变化范围:$0.75W≤P_{L}≤3W$
(4)整个电路消耗的电功率$P=UI$,电压U不变,电流最大时功率最大,电流最小时功率最小。
$P_{max}=UI_{max}=18V×0.5A=9W$
$P_{min}=UI_{min}=18V×0.25A=4.5W$
故电路总功率变化范围:$4.5W≤P≤9W$
(5)滑动变阻器的电功率$P_{R}=U_{R}I=(U - IR_{L})I=UI - I^{2}R_{L}=18I - 12I^{2}$
此为关于I的二次函数,开口向下,对称轴$I=-\frac{b}{2a}=-\frac{18}{2×(-12)}=0.75A$,但电路最大电流为0.5A<0.75A,故在$0.25A≤I≤0.5A$范围内,P随I增大而增大。
当$I=0.5A$时,$P_{Rmax}=U_{R}I=(18V - 0.5A×12Ω)×0.5A=12V×0.5A=6W$
当$I=0.25A$时,$P_{Rmin}=U_{Rmax}I=15V×0.25A=3.75W$
故滑动变阻器电功率变化范围:$3.75W≤P_{R}≤6W$
答案:
(1)0.5A,12Ω;
(2)24Ω~60Ω;
(3)0.75W~3W;
(4)4.5W~9W;
(5)3.75W~6W
2. 如图所示,电源电压恒为$3.0 V,R_1$为定值电阻,滑动变阻器$R_2$的阻值变化范围为0~50 Ω,闭合开关,当滑片P处于某一位置时,电压表的示数为2.0 V,电流表的示数为0.1 A。求:
(1)定值电阻$R_1$的阻值为多大?
(2)滑动变阻器的最大功率是多少?
(3)当滑动变阻器的功率为0.2 W时$,R_2$的阻值是多少?

(1)定值电阻$R_1$的阻值为多大?
(2)滑动变阻器的最大功率是多少?
(3)当滑动变阻器的功率为0.2 W时$,R_2$的阻值是多少?
答案:
解:
(1)由图知,$R_1$与$R_2$串联,电压表测$R_2$两端电压,电流表测电路电流。
电源电压$U=3.0\,V$,$U_2=2.0\,V$,则$R_1$两端电压$U_1=U-U_2=3.0\,V-2.0\,V=1.0\,V$。
由$I=\frac{U}{R}$得,$R_1=\frac{U_1}{I}=\frac{1.0\,V}{0.1\,A}=10\,\Omega$。
(2)电路电流$I=\frac{U}{R_1+R_2}=\frac{3.0\,V}{10\,\Omega+R_2}$,
滑动变阻器功率$P_2=I^2R_2=\left(\frac{3.0}{10+R_2}\right)^2R_2=\frac{9R_2}{(10+R_2)^2}$。
化简得$P_2=\frac{9R_2}{R_2^2+20R_2+100}=\frac{9}{R_2+\frac{100}{R_2}+20}$,
当$R_2=\frac{100}{R_2}$,即$R_2=10\,\Omega$时,$P_2$最大,
$P_{2max}=\frac{9×10}{(10+10)^2}=\frac{90}{400}=0.225\,W$。
(3)由$P_2=0.2\,W$,得$\frac{9R_2}{(10+R_2)^2}=0.2$,
整理得$0.2(R_2^2+20R_2+100)=9R_2$,
$0.2R_2^2+4R_2+20=9R_2$,
$0.2R_2^2-5R_2+20=0$,
两边乘5:$R_2^2-25R_2+100=0$,
解得$R_2=\frac{25\pm\sqrt{625-400}}{2}=\frac{25\pm15}{2}$,
$R_2=20\,\Omega$或$R_2=5\,\Omega$(均在0~50 Ω范围内)。
答案:
(1)$10\,\Omega$;
(2)$0.225\,W$;
(3)$5\,\Omega$或$20\,\Omega$。
(1)由图知,$R_1$与$R_2$串联,电压表测$R_2$两端电压,电流表测电路电流。
电源电压$U=3.0\,V$,$U_2=2.0\,V$,则$R_1$两端电压$U_1=U-U_2=3.0\,V-2.0\,V=1.0\,V$。
由$I=\frac{U}{R}$得,$R_1=\frac{U_1}{I}=\frac{1.0\,V}{0.1\,A}=10\,\Omega$。
(2)电路电流$I=\frac{U}{R_1+R_2}=\frac{3.0\,V}{10\,\Omega+R_2}$,
滑动变阻器功率$P_2=I^2R_2=\left(\frac{3.0}{10+R_2}\right)^2R_2=\frac{9R_2}{(10+R_2)^2}$。
化简得$P_2=\frac{9R_2}{R_2^2+20R_2+100}=\frac{9}{R_2+\frac{100}{R_2}+20}$,
当$R_2=\frac{100}{R_2}$,即$R_2=10\,\Omega$时,$P_2$最大,
$P_{2max}=\frac{9×10}{(10+10)^2}=\frac{90}{400}=0.225\,W$。
(3)由$P_2=0.2\,W$,得$\frac{9R_2}{(10+R_2)^2}=0.2$,
整理得$0.2(R_2^2+20R_2+100)=9R_2$,
$0.2R_2^2+4R_2+20=9R_2$,
$0.2R_2^2-5R_2+20=0$,
两边乘5:$R_2^2-25R_2+100=0$,
解得$R_2=\frac{25\pm\sqrt{625-400}}{2}=\frac{25\pm15}{2}$,
$R_2=20\,\Omega$或$R_2=5\,\Omega$(均在0~50 Ω范围内)。
答案:
(1)$10\,\Omega$;
(2)$0.225\,W$;
(3)$5\,\Omega$或$20\,\Omega$。
查看更多完整答案,请扫码查看