2025年教材全练五年级数学下册北京课改版
注:目前有些书本章节名称可能整理的还不是很完善,但都是按照顺序排列的,请同学们按照顺序仔细查找。练习册 2025年教材全练五年级数学下册北京课改版 答案主要是用来给同学们做完题方便对答案用的,请勿直接抄袭。
第3页
- 第1页
- 第2页
- 第3页
- 第4页
- 第5页
- 第6页
- 第7页
- 第8页
- 第9页
- 第10页
- 第11页
- 第12页
- 第13页
- 第14页
- 第15页
- 第16页
- 第17页
- 第18页
- 第19页
- 第20页
- 第21页
- 第22页
- 第23页
- 第24页
- 第25页
- 第26页
- 第27页
- 第28页
- 第29页
- 第30页
- 第31页
- 第32页
- 第33页
- 第34页
- 第35页
- 第36页
- 第37页
- 第38页
- 第39页
- 第40页
- 第41页
- 第42页
- 第43页
- 第44页
- 第45页
- 第46页
- 第47页
- 第48页
- 第49页
- 第50页
- 第51页
- 第52页
- 第53页
- 第54页
- 第55页
- 第56页
- 第57页
- 第58页
- 第59页
- 第60页
- 第61页
- 第62页
- 第63页
- 第64页
- 第65页
- 第66页
- 第67页
- 第68页
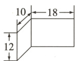
(1)(真题链接·通州区)一个长方体的后面和左面
如右图所示,这个长方体左面的面积是( )分米²,后面的面积是( )分米²,上面的面积是( )分米²。(图中单位:分米)
答案:
(1)120 216 180
(1)120 216 180
(2)在一个大正方体上挖去一个棱长是1厘米的小正方体,大正方体的表面积会发生怎样的变化?.

①表面积不变的是( )。
②表面积增加2厘米²的是( )。
③表面积增加4厘米²的是( )。
①表面积不变的是( )。
②表面积增加2厘米²的是( )。
③表面积增加4厘米²的是( )。
答案:
(2)①C ②B ③A
(2)①C ②B ③A
2. 计算下面各立体图形的表面积。(图中单位:分米)

答案:
(1)(8×4 + 8×6 + 6×4)×2 = 208(分米²)
(2)2.5×2.5×6 = 37.5(分米²)
(1)(8×4 + 8×6 + 6×4)×2 = 208(分米²)
(2)2.5×2.5×6 = 37.5(分米²)
3. 快递员用胶带包装一个棱长为15厘米的正方体邮件,包装需要的胶带是邮件表面积的1.8倍,需要多少平方分米的胶带?
答案:
15×15×6 = 1350(厘米²)1350×1.8 = 2430(厘米²)2430厘米² = 24.3分米²[解析]先求出正方体邮件的表面积,再乘1.8求出胶带的面积,最后转化单位即可。
4. (新情境)国家游泳中心“水立方”是一个长和宽大约都是180米,高是30米的长方体,被誉为“中国十大新建筑奇迹”,采用新型的建筑形式——膜结构,将建筑的外立面和顶部设计成了钻石泡泡造型。这种膜材料具有透明、透气、自洁等特点,还可以起到遮阳、保温和降噪等出色的功能。钻石泡泡造型的面积大约是多少平方米?
答案:
180×180 + 180×30×4 = 54000(米²)
5. 在一个长、宽、高分别是6厘米、5厘米、4厘米的长方体上放一个棱长是1厘米的小正方体,这个立体图形的表面积是多少平方厘米?(图中单位:厘米)
答案:
(5×4 + 5×6 + 4×6)×2 + 1×1×4 = 152(厘米²)[解析]由图可知,这个立体图形的表面积 = 长方体的表面积+小正方体4个面的面积和。
6. 一个领奖台如下图所示,如果给它的表面涂满油漆(下面不涂),那么涂油漆的面积是多少平方米?(图中单位:厘米)
答案:
上面:(50 + 50 + 50)×50 = 7500(厘米²)左面+右面:75×50×2 = 7500(厘米²)前面+后面:(50×65 + 50×75 + 50×50)×2 = 19000(厘米²)7500 + 7500 + 19000 = 34000(厘米²)34000厘米² = 3.4米²[解析]求涂油漆的面积,就是求领奖台上面、左面、右面、前面和后面的面积和。求上面的面积,就是求长是(50 + 50 + 50)厘米,宽是50厘米的长方形的面积;求左(或右)面的面积,就是求长是75厘米,宽是50厘米的长方形的面积;求前(或后)面的面积,就是求长分别是65厘米、75厘米、50厘米,宽都是50厘米的3个长方形的面积和。
查看更多完整答案,请扫码查看