第78页
- 第2页
- 第3页
- 第4页
- 第5页
- 第6页
- 第7页
- 第8页
- 第9页
- 第10页
- 第11页
- 第12页
- 第13页
- 第14页
- 第15页
- 第16页
- 第17页
- 第18页
- 第19页
- 第20页
- 第21页
- 第22页
- 第23页
- 第24页
- 第25页
- 第26页
- 第27页
- 第28页
- 第29页
- 第30页
- 第31页
- 第32页
- 第33页
- 第34页
- 第35页
- 第36页
- 第37页
- 第38页
- 第39页
- 第40页
- 第41页
- 第42页
- 第43页
- 第44页
- 第45页
- 第46页
- 第47页
- 第48页
- 第49页
- 第50页
- 第51页
- 第52页
- 第53页
- 第54页
- 第55页
- 第56页
- 第57页
- 第58页
- 第59页
- 第60页
- 第61页
- 第62页
- 第63页
- 第64页
- 第65页
- 第66页
- 第67页
- 第68页
- 第69页
- 第70页
- 第71页
- 第72页
- 第73页
- 第74页
- 第75页
- 第76页
- 第77页
- 第78页
- 第79页
- 第80页
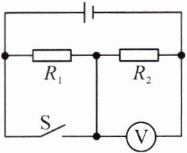
1. 图中电源电压为 $ 3 \, V $ 且恒定不变,电阻 $ R_{1} = 10 \, \Omega $,$ R_{2} = 5 \, \Omega $,则闭合开关 $ S $ 后,电阻 $ R_{1} $ 和 $ R_{2} $ 两端的电压之比为

2∶1
,电压表的示数为 2
V 。
答案:
1.2∶1 2
2. 电路如图所示,$ R_{1} = 6 \, \Omega $,$ R_{2} = 12 \, \Omega $,电流表示数为 $ 0.3 \, A $,则通过 $ R_{1} $ 和 $ R_{2} $ 的电流之比为 ,

2:1
$AB $ 两端的电压为1.2
$V $。
答案:
2.2∶1 1.2
3. 把 $ A $、$ B $ 两段导体并联在电路中,测得通过它们的电流比 $ I_{A} : I_{B} = 3 : 2 $,若把它们串联在电路中时,导体 $ A $ 两端的电压和导体 $ B $ 两端的电压之比 $ U_{A} : U_{B} = $ 。
2∶3
答案:
3.2∶3
4. 如图所示,定值电阻 $ R_{1} = 15 \, \Omega $,定值电阻 $ R_{2} = 5 \, \Omega $,当开关 $ S $、$ S_{1} $ 均闭合时,两电压表示数之比 $ U_{1} : U_{2} = $

3∶1
。若将图中电压表 $ V_{1} $、$ V_{2} $ 分别换成电流表 $ A_{1} $、$ A_{2} $,开关 $ S $ 闭合、$ S_{1} $ 断开时,电流表 $ A_{1} $、$ A_{2} $ 示数之比 $ I_{1} : I_{2}= $ 3:1
。
答案:
4.3∶1 3∶1
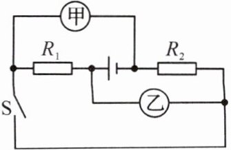
5. (2024·开封龙亭区一模)如图甲所示的电路,当闭合开关后两只电压表的指针偏转均如图乙所示,则电源电压是

7.5
$V $,$ R_{1} $ 与 $ R_{2} $ 的电阻之比为4:1
。
答案:
5.7.5 4∶1
6. (2024·郑州金水区期末)如图甲所示电路,闭合开关 $ S $,两个电流表的指针指在同一位置,如图乙所示。则通过灯 $ L_{1} $ 的电流 $ I_{1}$=

0.2
A ,通过灯 $ L_{2} $ 的电流 $ I_{2}$=0.8
A ,灯 $ L_{1} $ 和灯 $ L_{2} $ 的电阻之比 $ R_{1} : R_{2} = $ 。4∶1
答案:
6.0.2 0.8 4∶1
7. (2024·郑州金水区模拟)如图所示,电源电压不变,$ R_{1} $ 的阻值为 $ 60 \, \Omega $,开关断开时与开关闭合时,电流表的示数之比为 $ 2 : 3 $,则 $ R_{2} $ 的阻值为

120
$\Omega $。
答案:
7.120
8. 如图所示的电路,电源电压为 $ 6 \, V $ 不变,当开关 $ S $ 闭合时,电压表的示数为

6
$V $;当开关 $ S $ 断开时,电压表的示数变化了 $ 2 \, V $,则 $ R_{1} $ 和 $ R_{2} $ 的电阻之比为 1:2
。
答案:
8.6 1∶2
9. (2024·周口一模)如图所示,已知 $ R_{1} : R_{2} = 1 : 2 $,则当开关 $ S $ 闭合,甲、乙两表均为电压表时,$ R_{1} $ 与 $ R_{2} $

串
(填“串”或“并”)联,两表示数之比为 $ U_{甲} : U_{乙} = $2∶1
;当开关 $ S $ 断开,甲、乙两表均为电流表时,两表示数之比为 $ I_{甲} : I_{乙} = $ 。2∶1
答案:
9.串 2∶1 2∶1
查看更多完整答案,请扫码查看