第61页
- 第2页
- 第3页
- 第4页
- 第5页
- 第6页
- 第7页
- 第8页
- 第9页
- 第10页
- 第11页
- 第12页
- 第13页
- 第14页
- 第15页
- 第16页
- 第17页
- 第18页
- 第19页
- 第20页
- 第21页
- 第22页
- 第23页
- 第24页
- 第25页
- 第26页
- 第27页
- 第28页
- 第29页
- 第30页
- 第31页
- 第32页
- 第33页
- 第34页
- 第35页
- 第36页
- 第37页
- 第38页
- 第39页
- 第40页
- 第41页
- 第42页
- 第43页
- 第44页
- 第45页
- 第46页
- 第47页
- 第48页
- 第49页
- 第50页
- 第51页
- 第52页
- 第53页
- 第54页
- 第55页
- 第56页
- 第57页
- 第58页
- 第59页
- 第60页
- 第61页
- 第62页
- 第63页
- 第64页
- 第65页
- 第66页
- 第67页
- 第68页
- 第69页
- 第70页
- 第71页
- 第72页
- 第73页
- 第74页
- 第75页
- 第76页
- 第77页
- 第78页
- 第79页
- 第80页
1. 如图甲是小明探究“串联电路中电压的规律”的实验电路图。



【基础设问】
(1)实验时,为了使结论更有普遍性,灯 $ L_{1} $ 和灯 $ L_{2} $ 的规格应
(2)连接电路时,开关应该
(3)闭合开关前,小明发现电压表指针如图乙所示,出现这种情况的原因是
(4)为了测灯 $ L_{1} $ 两端的电压,请在图丙中用笔画线代替导线将实物图连接完整。
(5)更换灯泡规格进行多次实验,记录数据如下表所示,根据表中数据可以得出结论:串联电路两端的电压等于
【能力提升】
(6)用电压表正确测量灯 $ L_{1} $ 两端的电压之后,
(7)评估过程中,小明提出本次实验连接电压表时,可以不进行试触。你认为可行吗?请说明理由:
【基础设问】
(1)实验时,为了使结论更有普遍性,灯 $ L_{1} $ 和灯 $ L_{2} $ 的规格应
不相同
。(2)连接电路时,开关应该
断开
。(3)闭合开关前,小明发现电压表指针如图乙所示,出现这种情况的原因是
电压表未调零
。(4)为了测灯 $ L_{1} $ 两端的电压,请在图丙中用笔画线代替导线将实物图连接完整。
(5)更换灯泡规格进行多次实验,记录数据如下表所示,根据表中数据可以得出结论:串联电路两端的电压等于
各部分用电器两端电压之和
。(用文字表述)【能力提升】
(6)用电压表正确测量灯 $ L_{1} $ 两端的电压之后,
不能
(填“能”或“不能”)只将 $ A $ 点的导线接到 $ C $ 点测 $ L_{2} $ 两端的电压,理由是电压表正、负接线柱接反了
。(7)评估过程中,小明提出本次实验连接电压表时,可以不进行试触。你认为可行吗?请说明理由:
可行,两节干电池的电压不超过3V
。
答案:
1.
(1)不相同
(2)断开
(3)电压表未调零
(4)
(5)各部分用电器两端电压之和
(6)不能 电压表正、负接线柱接反了
(7)可行,两节干电池的电压不超过3V
1.
(1)不相同
(2)断开
(3)电压表未调零
(4)
(5)各部分用电器两端电压之和
(6)不能 电压表正、负接线柱接反了
(7)可行,两节干电池的电压不超过3V
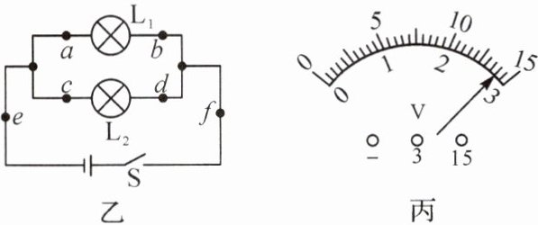
2. 在探究“并联电路的电压规律”的实验中,小明使用了两个相同的灯泡 $ L_{1} $ 和 $ L_{2} $。


(1)如图甲所示,小明已经完成部分实验电路连接,闭合开关,出现的现象是:灯泡 $ L_{1} $、$ L_{2} $ 的发光情况是
(2)重新正确连接好电路后,在如图乙所示的电路图中,将电压表接在 $ a、b $ 两点之间时,闭合开关,电压表的示数如图丙所示,电压表的读数为
(3)依次将电压表接入电路中的 $ e、f,a、b,c、d $ 两点之间,小明发现电压表示数相等,由此他得到结论:并联电路中,各支路两端的电压与电源两端电压相等,同组小华提出此结论不科学、不严谨,接下来应该进行的操作是
(4)实验结束后,应先断开开关,拆除
(1)如图甲所示,小明已经完成部分实验电路连接,闭合开关,出现的现象是:灯泡 $ L_{1} $、$ L_{2} $ 的发光情况是
两灯都不发光
,电压表有
(填“有”或“无”)示数。(2)重新正确连接好电路后,在如图乙所示的电路图中,将电压表接在 $ a、b $ 两点之间时,闭合开关,电压表的示数如图丙所示,电压表的读数为
2.8
$ V $。(3)依次将电压表接入电路中的 $ e、f,a、b,c、d $ 两点之间,小明发现电压表示数相等,由此他得到结论:并联电路中,各支路两端的电压与电源两端电压相等,同组小华提出此结论不科学、不严谨,接下来应该进行的操作是
更换不同规格的灯泡
,改变电源电压,再做几次实验,这样做的目的是寻找普遍规律
。(4)实验结束后,应先断开开关,拆除
电源
(填“电源”或“灯泡”)两端的导线后,再拆除其他导线并整理器材。
答案:
2.
(1)两灯都不发光 有
(2)2.8
(3)更换不同规格的灯泡寻找普遍规律
(4)电源
(1)两灯都不发光 有
(2)2.8
(3)更换不同规格的灯泡寻找普遍规律
(4)电源
查看更多完整答案,请扫码查看