第37页
- 第1页
- 第2页
- 第3页
- 第4页
- 第5页
- 第6页
- 第7页
- 第8页
- 第9页
- 第10页
- 第11页
- 第12页
- 第13页
- 第14页
- 第15页
- 第16页
- 第17页
- 第18页
- 第19页
- 第20页
- 第21页
- 第22页
- 第23页
- 第24页
- 第25页
- 第26页
- 第27页
- 第28页
- 第29页
- 第30页
- 第31页
- 第32页
- 第33页
- 第34页
- 第35页
- 第36页
- 第37页
- 第38页
- 第39页
- 第40页
- 第41页
- 第42页
- 第43页
- 第44页
- 第45页
- 第46页
- 第47页
- 第48页
- 第49页
- 第50页
- 第51页
- 第52页
- 第53页
- 第54页
- 第55页
- 第56页
- 第57页
- 第58页
- 第59页
- 第60页
- 第61页
- 第62页
- 第63页
- 第64页
- 第65页
- 第66页
6. 节日彩灯上串联着 $ 20 $ 只小灯泡,如果电源插头处电流为 $ 200mA $,那么通过每只小灯泡的电流为(

A.$ 10mA $
B.$ 0.2A $
C.$ 180mA $
D.$ 4A $
B
)A.$ 10mA $
B.$ 0.2A $
C.$ 180mA $
D.$ 4A $
答案:
B
7. 甲灯允许通过的最大电流为 $ 0.5A $,乙灯允许通过的最大电流为 $ 0.3A $,若将它们串联后使用,电路中允许通过的最大电流为
0.3
$ A $;现将一个有两个测量范围的学生电流表(测量范围为“$ 0 \sim 0.6A $”和“$ 0 \sim 3A $”)接入此电路,应选用的测量范围是0~0.6A
。
答案:
0.3 0~0.6A
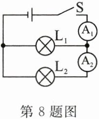
8. 如图所示电路,当开关 $ S $ 闭合时,电流表 $ A_1 $ 和 $ A_2 $ 的示数分别为 $ 0.9A $ 和 $ 0.5A $,则通过灯 $ L_1 $ 的电流是(

A.$ 0.5A $
B.$ 0.4A $
C.$ 0.9A $
D.$ 1.4A $
B
)A.$ 0.5A $
B.$ 0.4A $
C.$ 0.9A $
D.$ 1.4A $
答案:
B
9. 在如图所示的电路中,当开关 $ S $ 闭合后,两灯均正常发光。若某一时刻,灯 $ L_1 $ 的灯丝突然烧断,下列有关两电流表示数的说法正确的是(

A.都变小
B.都变大
C.变成相等
D.都不变
C
)A.都变小
B.都变大
C.变成相等
D.都不变
答案:
C
10. 如图所示的实验电路,闭合开关 $ S $ 后,电流表 $ A $ 的示数为 $ 0.5A $,电流表 $ A_1 $ 的示数为 $ 0.3A $。则通过小灯泡 $ L_1 $、$ L_2 $ 的电流分别是(

A.$ 0.3A $ $ 0.2A $
B.$ 0.2A $ $ 0.3A $
C.$ 0.5A $ $ 0.3A $
D.$ 0.5A $ $ 0.2A $
A
)A.$ 0.3A $ $ 0.2A $
B.$ 0.2A $ $ 0.3A $
C.$ 0.5A $ $ 0.3A $
D.$ 0.5A $ $ 0.2A $
答案:
A
11. (自贡市中考)如图甲所示的电路,闭合开关 $ S $ 后,两个灯泡都能发光,图乙为电流表 $ A_1 $ 指针的位置,如果电流表 $ A_2 $ 读数是 $ 0.6A $,则下列说法错误的是(

A.电流表 $ A_1 $ 的读数是 $ 0.3A $
B.灯 $ L_1 $ 和 $ L_2 $ 并联
C.电流表 $ A_1 $ 一定连接“$-$”“$ 3 $”接线柱
D.通过灯 $ L_1 $ 的电流是 $ 0.9A $
A
)A.电流表 $ A_1 $ 的读数是 $ 0.3A $
B.灯 $ L_1 $ 和 $ L_2 $ 并联
C.电流表 $ A_1 $ 一定连接“$-$”“$ 3 $”接线柱
D.通过灯 $ L_1 $ 的电流是 $ 0.9A $
答案:
A
12. 【物理学与日常生活】如图所示是一个充电宝同时给三部手机充电的情景。若拔掉其中一部手机,则通过充电器的总电流将

变小
(填“变大”“变小”或“不变”)。
答案:
变小
13. 如图所示,当开关 $ S $ 闭合后,电流表 $ A_1 $、$ A_2 $、$ A_3 $ 的示数分别为 $ 1.2A $、$ 1A $、$ 0.6A $。则通过 $ L_1 $ 的电流是

0.2
$ A $,通过 $ L_2 $ 的电流是0.4
$ A $,通过 $ L_3 $ 的电流是0.6
$ A $。
答案:
0.2 0.4 0.6
查看更多完整答案,请扫码查看