第31页
- 第1页
- 第2页
- 第3页
- 第4页
- 第5页
- 第6页
- 第7页
- 第8页
- 第9页
- 第10页
- 第11页
- 第12页
- 第13页
- 第14页
- 第15页
- 第16页
- 第17页
- 第18页
- 第19页
- 第20页
- 第21页
- 第22页
- 第23页
- 第24页
- 第25页
- 第26页
- 第27页
- 第28页
- 第29页
- 第30页
- 第31页
- 第32页
- 第33页
- 第34页
- 第35页
- 第36页
- 第37页
- 第38页
- 第39页
- 第40页
- 第41页
- 第42页
- 第43页
- 第44页
- 第45页
- 第46页
- 第47页
- 第48页
- 第49页
- 第50页
- 第51页
- 第52页
- 第53页
- 第54页
- 第55页
- 第56页
- 第57页
- 第58页
- 第59页
- 第60页
- 第61页
- 第62页
- 第63页
- 第64页
- 第65页
- 第66页
1. 根据电路图,用笔画线代替导线将实物图连接完整。

答案:
1. 解:如图所示
1. 解:如图所示
2. 请根据如图甲所示的电路图连接图乙中的实物。

答案:
2. 解:如图所示
2. 解:如图所示
3. 根据电路图甲连接实物图乙。($S_{1}$为单刀双掷开关,可以分别与1、2两触点接通)

答案:
3. 解:如图所示
3. 解:如图所示
4. 根据实物连接图画出对应电路图。

答案:
4. 解:如图所示
4. 解:如图所示
5. 根据如图所示的实物连线图,画出对应的电路图。(要求连线横平竖直,尽量使电路图简洁美观)

答案:
5. 解:如图所示
5. 解:如图所示
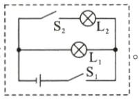
6. 在虚线框里画出如图所示实物图对应的电路图。

答案:
6. 解:如图所示
6. 解:如图所示
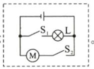
7. 请根据实物图画出对应的电路图(电铃用符号“$\frac {1}{2}$”表示)。

答案:
7. 解:如图所示
7. 解:如图所示
8. 在实物图中用笔画线代替导线,将未连接好的实物图连接起来。要求:两个小灯泡并联,开关同时控制两个小灯泡,导线不能交叉。

答案:
8. 解:如图所示
8. 解:如图所示
9. 用笔画线代替导线,把下面两个实物电路图补充完整。两个实物图分别为开关同时控制两个灯泡的两种方法,导线不能交叉。

答案:
9. 解:如图所示
9. 解:如图所示
查看更多完整答案,请扫码查看