第74页
- 第1页
- 第2页
- 第3页
- 第4页
- 第5页
- 第6页
- 第7页
- 第8页
- 第9页
- 第10页
- 第11页
- 第12页
- 第13页
- 第14页
- 第15页
- 第16页
- 第17页
- 第18页
- 第19页
- 第20页
- 第21页
- 第22页
- 第23页
- 第24页
- 第25页
- 第26页
- 第27页
- 第28页
- 第29页
- 第30页
- 第31页
- 第32页
- 第33页
- 第34页
- 第35页
- 第36页
- 第37页
- 第38页
- 第39页
- 第40页
- 第41页
- 第42页
- 第43页
- 第44页
- 第45页
- 第46页
- 第47页
- 第48页
- 第49页
- 第50页
- 第51页
- 第52页
- 第53页
- 第54页
- 第55页
- 第56页
- 第57页
- 第58页
- 第59页
- 第60页
- 第61页
- 第62页
- 第63页
- 第64页
- 第65页
- 第66页
- 第67页
- 第68页
- 第69页
- 第70页
- 第71页
- 第72页
- 第73页
- 第74页
- 第75页
- 第76页
- 第77页
- 第78页
- 第79页
- 第80页
- 第81页
- 第82页
- 第83页
- 第84页
- 第85页
- 第86页
- 第87页
- 第88页
1. 四(1)班同学在一次义务劳动中,采集树种 4 kg,在校园里种下 1.82 kg,送给四(2)班 1.18 kg,还剩下多少千克树种?
答案:
【解析】:本题考查小数加减法的实际应用。首先明确题目中的数量关系,采集的树种总量减去种下的重量,再减去送给四
(2)班的重量,就是剩下的重量。可以先计算种下的和送给四
(2)班的重量之和,再用总量减去这个和,这样计算更简便。
【答案】:
4 - (1.82 + 1.18)
= 4 - 3
= 1(千克)
答:还剩下1千克树种。
(2)班的重量,就是剩下的重量。可以先计算种下的和送给四
(2)班的重量之和,再用总量减去这个和,这样计算更简便。
【答案】:
4 - (1.82 + 1.18)
= 4 - 3
= 1(千克)
答:还剩下1千克树种。
2. 买这 4 支笔要用多少钱?

答案:
【解析】:本题考查小数加法的实际应用。题目要求计算买4支笔的总价钱,需要将每支笔的价格相加。从插图中可知4支笔的价格分别为2.75元、13.60元、0.40元、4.25元,运用加法交换律和结合律可简便计算,先将2.75与4.25相加,13.60与0.40相加,再将结果相加。
【答案】:2.75 + 13.60 + 0.40 + 4.25
=(2.75 + 4.25) + (13.60 + 0.40)
=7 + 14
=21(元)
答:买这4支笔要用21元。
【答案】:2.75 + 13.60 + 0.40 + 4.25
=(2.75 + 4.25) + (13.60 + 0.40)
=7 + 14
=21(元)
答:买这4支笔要用21元。
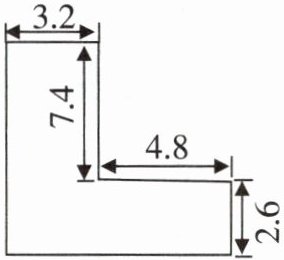
3. 求右面图形的周长。(单位:厘米)

答案:
【解析】:该图形为不规则多边形,求周长可通过平移法转化为长方形。水平方向上,左右两边长度之和为$(3.2 + 4.8)$厘米;竖直方向上,上下两边长度之和为$(7.4 + 2.6)$厘米。长方形周长公式为$C = 2×(长 + 宽)$,这里长为水平方向长度之和,宽为竖直方向长度之和,代入计算即可。
【答案】:$2×(3.2 + 4.8 + 7.4 + 2.6)$
$=2×(8 + 10)$
$=2×18$
$=36$(厘米)
【答案】:$2×(3.2 + 4.8 + 7.4 + 2.6)$
$=2×(8 + 10)$
$=2×18$
$=36$(厘米)
六、数学小博士。
有一个四位数,在它的某位数字后加上一个小数点,再与原数相加得1357.4,这个四位数是多少?
有一个四位数,在它的某位数字后加上一个小数点,再与原数相加得1357.4,这个四位数是多少?
答案:
【解析】:本题考查小数点移动引起数的大小变化及列方程解决问题。因为相加后结果是一位小数,所以小数点应加在原四位数的个位数字后面,此时新数是原数的$0.1$倍。设原四位数为$x$,则新数为$0.1x$,根据原数与新数相加得$1357.4$,可列方程$x + 0.1x=1357.4$,即$1.1x = 1357.4$,解得$x=1357.4÷1.1 = 1234$。
【答案】:1234
【答案】:1234
查看更多完整答案,请扫码查看