第69页
- 第4页
- 第5页
- 第6页
- 第7页
- 第8页
- 第9页
- 第10页
- 第11页
- 第12页
- 第13页
- 第14页
- 第15页
- 第16页
- 第17页
- 第18页
- 第19页
- 第20页
- 第21页
- 第22页
- 第23页
- 第24页
- 第25页
- 第26页
- 第27页
- 第28页
- 第29页
- 第30页
- 第31页
- 第32页
- 第33页
- 第34页
- 第35页
- 第36页
- 第37页
- 第38页
- 第39页
- 第40页
- 第41页
- 第42页
- 第43页
- 第44页
- 第45页
- 第46页
- 第47页
- 第48页
- 第49页
- 第50页
- 第51页
- 第52页
- 第53页
- 第54页
- 第55页
- 第56页
- 第57页
- 第58页
- 第59页
- 第60页
- 第61页
- 第62页
- 第63页
- 第64页
- 第65页
- 第66页
- 第67页
- 第68页
- 第69页
- 第70页
- 第71页
- 第72页
- 第73页
- 第74页
- 第75页
- 第76页
- 第77页
- 第78页
- 第79页
- 第80页
- 第81页
- 第82页
- 第83页
- 第84页
- 第85页
- 第86页
- 第87页
- 第88页
- 第89页
- 第90页
- 第91页
- 第92页
- 第93页
- 第94页
- 第95页
- 第96页
- 第97页
- 第98页
- 第99页
- 第100页
- 第101页
- 第102页
母题学方法1 含单一电表电路的分析与计算
1. 如图所示的电路中,当$S_1$断开$,S_2$接a时,电流表的示数是0.3 A.
(1)此时通过灯$L_1、$$L_2$的电流分别是多少?
(2)当$S_1$断开、$S_2$接b时,电流表的示数为0.2 A,通过灯$L_1、$$L_2$的电流分别是多少?

1. 如图所示的电路中,当$S_1$断开$,S_2$接a时,电流表的示数是0.3 A.
(1)此时通过灯$L_1、$$L_2$的电流分别是多少?
(2)当$S_1$断开、$S_2$接b时,电流表的示数为0.2 A,通过灯$L_1、$$L_2$的电流分别是多少?
答案:
1.
(1)0 0.3 A
(2)0.2 A 0.2 A
[解析]
(1)当S₁断开,S₂接a时,电流从正极出发经灯泡L₂、电流表回到负极,灯L₁中无电流通过,故通过灯泡L₁的电流为0;通过L₂的电流为0.3 A.
(2)当S₁断开,S₂接b时,灯L₁、L₂串联,电流表测电路中的电流,因为串联电路中各处的电流相等,所以通过两灯泡的电流均为0.2 A.
(1)0 0.3 A
(2)0.2 A 0.2 A
[解析]
(1)当S₁断开,S₂接a时,电流从正极出发经灯泡L₂、电流表回到负极,灯L₁中无电流通过,故通过灯泡L₁的电流为0;通过L₂的电流为0.3 A.
(2)当S₁断开,S₂接b时,灯L₁、L₂串联,电流表测电路中的电流,因为串联电路中各处的电流相等,所以通过两灯泡的电流均为0.2 A.
变式1.1 (2024·安徽合肥包河区期中)如图甲所示,电源电压保持不变$,R_1、$$R_2$均为定值电阻,请你分析并解答下列问题:
(1)如果只闭合开关$S_3$时,电流表$A_1$的示数为0.4 A,求此时通过$R_1$的电流.
(2)如果闭合开关$S_1、$$S_2,$断开$S_3$时,此时电流表$A_1、$$A_2$指针静止时的位置都如图乙所示,求此时通过定值电阻$R_1、$$R_2$的电流.

(1)如果只闭合开关$S_3$时,电流表$A_1$的示数为0.4 A,求此时通过$R_1$的电流.
(2)如果闭合开关$S_1、$$S_2,$断开$S_3$时,此时电流表$A_1、$$A_2$指针静止时的位置都如图乙所示,求此时通过定值电阻$R_1、$$R_2$的电流.
答案:
变式1.1
(1)0.4 A
(2)2 A 0.5 A
[解析]
(1)只闭合开关S₃时,R₁与R₂串联,电流表A₁测电路中的电流.此时电流表A₁的示数为0.4 A,由于串联电路中的电流处处相等,所以通过R₁的电流为0.4 A.
(2)闭合开关S₁、S₂,断开S₃时,R₁与R₂并联,电流表A₁测干路中的电流,电流表A₂测通过R₂的电流.两个电流表的指针位置相同,由于并联电路干路中的电流等于各支路中的电流之和,则电流表A₁的示数大于电流表A₂的示数,所以电流表A₁选择的大量程,分度值为0.1 A,示数为2.5 A,即干路中的电流I=2.5 A,电流表A₂选择的是小量程,分度值为0.02 A,示数为0.5 A,即通过R₂的电流为I₂=0.5 A,所以通过R₁的电流为I₁=I-I₂=2.5 A-0.5 A=2 A.
(1)0.4 A
(2)2 A 0.5 A
[解析]
(1)只闭合开关S₃时,R₁与R₂串联,电流表A₁测电路中的电流.此时电流表A₁的示数为0.4 A,由于串联电路中的电流处处相等,所以通过R₁的电流为0.4 A.
(2)闭合开关S₁、S₂,断开S₃时,R₁与R₂并联,电流表A₁测干路中的电流,电流表A₂测通过R₂的电流.两个电流表的指针位置相同,由于并联电路干路中的电流等于各支路中的电流之和,则电流表A₁的示数大于电流表A₂的示数,所以电流表A₁选择的大量程,分度值为0.1 A,示数为2.5 A,即干路中的电流I=2.5 A,电流表A₂选择的是小量程,分度值为0.02 A,示数为0.5 A,即通过R₂的电流为I₂=0.5 A,所以通过R₁的电流为I₁=I-I₂=2.5 A-0.5 A=2 A.
变式1.2 (2024·四川眉山东坡区期中)如图所示电路中,电源电压不变,当开关S闭合时$V_1$的示数为10 V,当开关S断开时$,V_1$的示数为$5 V,V_2$的示数为7 V.问:
(1)当开关S断开时$,L_1、$$L_2、$$L_3$的连接方式?
(2)电源的电压为多少?
(3)开关S断开时$,L_1、$$L_2、$$L_3$两端的电压各为多少?

(1)当开关S断开时$,L_1、$$L_2、$$L_3$的连接方式?
(2)电源的电压为多少?
(3)开关S断开时$,L_1、$$L_2、$$L_3$两端的电压各为多少?
答案:
变式1.2
(1)串联
(2)10 V
(3)2 V 3 V 5 V
[解析]
(1)当开关S断开时,电流依次经过L₃、L₁、L₂,则三灯泡串联.
(2)当开关S闭合时,L₃被短路,L₁与L₂串联,电压表V₁测L₁与L₂的总电压,即电源的电压,则电源的电压U=10 V.
(3)开关S断开时,L₁、L₂、L₃串联,V₁测L₁与L₂两端的电压之和,V₂测灯泡L₁与L₃两端的电压之和,根据串联电路中总电压等于各分电压之和可知L₃两端的电压为U₃=U-U₁=10 V-5 V=5 V;L₂两端的电压为U₂=U-U₂=10 V-7 V=3 V;L₁两端的电压为U₁=U-U₂-U₃=10 V-3 V-5 V=2 V.
(1)串联
(2)10 V
(3)2 V 3 V 5 V
[解析]
(1)当开关S断开时,电流依次经过L₃、L₁、L₂,则三灯泡串联.
(2)当开关S闭合时,L₃被短路,L₁与L₂串联,电压表V₁测L₁与L₂的总电压,即电源的电压,则电源的电压U=10 V.
(3)开关S断开时,L₁、L₂、L₃串联,V₁测L₁与L₂两端的电压之和,V₂测灯泡L₁与L₃两端的电压之和,根据串联电路中总电压等于各分电压之和可知L₃两端的电压为U₃=U-U₁=10 V-5 V=5 V;L₂两端的电压为U₂=U-U₂=10 V-7 V=3 V;L₁两端的电压为U₁=U-U₂-U₃=10 V-3 V-5 V=2 V.
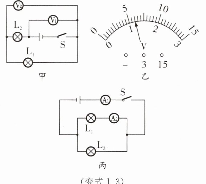
变式1.3 (2025·山西大同新荣区期末)牛顿小组的同学在做“探究串联电路电压特点”的实验时连接了如图甲所示电路$.V_1$和$V_2$是两只相同的电压表.当闭合开关后,灯泡$L_1$和$L_2$都发光,这时两只电压表的指针偏转角度相同,指针位置均如图乙所示,请你计算:
(1)灯泡$L_1$和$L_2$两端的电压;
(2)若将灯泡$L_1$和$L_2$改接为如图丙所示的电路,电源电压保持不变,闭合开关后灯泡$L_1$和$L_2$都发光,此时电流表$A_1$的示数为1.5 A,电流表$A_2$的示数为1.2 A,则通过灯泡$L_2$的电流和$L_2$两端的电压.
(2)若将灯泡$L_1$和$L_2$改接为如图丙所示的电路,电源电压保持不变,闭合开关后灯泡$L_1$和$L_2$都发光,此时电流表$A_1$的示数为1.5 A,电流表$A_2$的示数为1.2 A,则通过灯泡$L_2$的电流和$L_2$两端的电压.
答案:
变式1.3
(1)1.2 V 4.8 V
(2)0.3 A 6 V
[解析]
(1)由图甲所示电路图可知,两灯泡串联,电压表V₁测电源电压,电压表V₂测L₁两端电压;串联电路总电压等于各部分电路两端的电压之和,由图乙所示电压表可知,两电压表指针位置相同,则电压表V₁的量程为0~15 V,分度值为0.5 V,示数为6 V,电压表V₂的量程为0~3 V,分度值为0.1 V,示数为1.2 V;则灯L₁两端电压为1.2 V,灯L₂两端电压U₂=U-U₁=6 V-1.2 V=4.8 V.
(2)由图丙所示电路可知,两灯泡并联,电流表A₂测L₁支路电流,电流表A₁测干路电流,通过L₂的电流I₂=I-I₁=1.5 A-1.2 A=0.3 A;灯L₂并联在电源两端,电源电压为6 V,则L₂两端电压为6 V.
名师点评 本题考查求电压与电流问题,分析清楚电路结构是正确解题的前提与关键,应用串并联电路特点、掌握电表的读数方法即可正确解题.
(1)1.2 V 4.8 V
(2)0.3 A 6 V
[解析]
(1)由图甲所示电路图可知,两灯泡串联,电压表V₁测电源电压,电压表V₂测L₁两端电压;串联电路总电压等于各部分电路两端的电压之和,由图乙所示电压表可知,两电压表指针位置相同,则电压表V₁的量程为0~15 V,分度值为0.5 V,示数为6 V,电压表V₂的量程为0~3 V,分度值为0.1 V,示数为1.2 V;则灯L₁两端电压为1.2 V,灯L₂两端电压U₂=U-U₁=6 V-1.2 V=4.8 V.
(2)由图丙所示电路可知,两灯泡并联,电流表A₂测L₁支路电流,电流表A₁测干路电流,通过L₂的电流I₂=I-I₁=1.5 A-1.2 A=0.3 A;灯L₂并联在电源两端,电源电压为6 V,则L₂两端电压为6 V.
名师点评 本题考查求电压与电流问题,分析清楚电路结构是正确解题的前提与关键,应用串并联电路特点、掌握电表的读数方法即可正确解题.
查看更多完整答案,请扫码查看