2025年金版学案同步优学智慧作业九年级物理上册沪粤版
注:目前有些书本章节名称可能整理的还不是很完善,但都是按照顺序排列的,请同学们按照顺序仔细查找。练习册 2025年金版学案同步优学智慧作业九年级物理上册沪粤版 答案主要是用来给同学们做完题方便对答案用的,请勿直接抄袭。
第59页
- 第1页
- 第2页
- 第3页
- 第4页
- 第5页
- 第6页
- 第7页
- 第8页
- 第9页
- 第10页
- 第11页
- 第12页
- 第13页
- 第14页
- 第15页
- 第16页
- 第17页
- 第18页
- 第19页
- 第20页
- 第21页
- 第22页
- 第23页
- 第24页
- 第25页
- 第26页
- 第27页
- 第28页
- 第29页
- 第30页
- 第31页
- 第32页
- 第33页
- 第34页
- 第35页
- 第36页
- 第37页
- 第38页
- 第39页
- 第40页
- 第41页
- 第42页
- 第43页
- 第44页
- 第45页
- 第46页
- 第47页
- 第48页
- 第49页
- 第50页
- 第51页
- 第52页
- 第53页
- 第54页
- 第55页
- 第56页
- 第57页
- 第58页
- 第59页
- 第60页
- 第61页
- 第62页
- 第63页
- 第64页
- 第65页
- 第66页
- 第67页
- 第68页
- 第69页
- 第70页
- 第71页
- 第72页
- 第73页
- 第74页
- 第75页
- 第76页
- 第77页
- 第78页
- 第79页
- 第80页
- 第81页
- 第82页
- 第83页
- 第84页
- 第85页
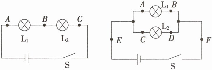
知识点 探究串联、并联电路中电压的特点
1. 实验器材:电源、开关、
2. 实验电路图。

(1)串联电路中,需要分别测量________两点间的电压,并进行比较。
(2)并联电路中,需要分别测量________两点间的电压,并进行比较。
3. 实验结论。
(1)串联电路两端的总电压等于________。
(2)并联电路中各支路两端的电压
4. 问题探究。
(1)实验中只做一次实验,凭一组实验数据得出结论可以吗?为什么?
(2)探究串联电路中的电压规律时,发现两个小灯泡两端的电压相等,原因是什么?
1. 实验器材:电源、开关、
电压表
、两个规格不同
的灯泡、导线等。2. 实验电路图。
(1)串联电路中,需要分别测量________两点间的电压,并进行比较。
(2)并联电路中,需要分别测量________两点间的电压,并进行比较。
3. 实验结论。
(1)串联电路两端的总电压等于________。
(2)并联电路中各支路两端的电压
相等
。4. 问题探究。
(1)实验中只做一次实验,凭一组实验数据得出结论可以吗?为什么?
不可以,因为仅凭一组实验数据得出结论具有偶然性,是不可靠的
。(2)探究串联电路中的电压规律时,发现两个小灯泡两端的电压相等,原因是什么?
选用了规格相同的两个灯泡
。
答案:
1. 电压表 不同
2.
(1)AB、BC、AC
(2)AB、CD、EF
3.
(1)各部分电路两端的电压之和
(2)相等
4.
(1)不可以,因为仅凭一组实验数据得出结论具有偶然性,是不可靠的
(2)选用了规格相同的两个灯泡
2.
(1)AB、BC、AC
(2)AB、CD、EF
3.
(1)各部分电路两端的电压之和
(2)相等
4.
(1)不可以,因为仅凭一组实验数据得出结论具有偶然性,是不可靠的
(2)选用了规格相同的两个灯泡
重点 串联、并联电路中电压的特点
1. 串联中电路电压的特点:串联电路两端的总电压等于各部分电路两端电压之和,表达式:$U = U_1 + U_2 + U_3 + \cdots$。
2. 并联中电路电压的特点:并联电路中,各支路两端的电压等于电源两端的电压,表达式:$U_1 = U_2 = U_3 = \cdots = U$。
【跟踪训练】用如图所示的电路来探究电路中电压规律,用两节新干电池做电源,第一次测量时电压表按下图方式接入电路,下列说法正确的是(

A.该实验是探究并联电路中电压规律
B.图中电压表测量的是$L_1$两端的电压
C.为了安全考虑,电压表应选用$0\sim15V$量程
D.多次更换不同规格灯泡进行实验,是为了寻找普遍规律
1. 串联中电路电压的特点:串联电路两端的总电压等于各部分电路两端电压之和,表达式:$U = U_1 + U_2 + U_3 + \cdots$。
2. 并联中电路电压的特点:并联电路中,各支路两端的电压等于电源两端的电压,表达式:$U_1 = U_2 = U_3 = \cdots = U$。
【跟踪训练】用如图所示的电路来探究电路中电压规律,用两节新干电池做电源,第一次测量时电压表按下图方式接入电路,下列说法正确的是(
D
)。A.该实验是探究并联电路中电压规律
B.图中电压表测量的是$L_1$两端的电压
C.为了安全考虑,电压表应选用$0\sim15V$量程
D.多次更换不同规格灯泡进行实验,是为了寻找普遍规律
答案:
跟踪训练
D
D
1. 甲、乙两灯并联在同一电路中,甲灯比乙灯亮,则甲灯两端的电压
等于
(选填“大于”“小于”或“等于”)乙灯两端的电压,这是因为并联电路中各支路两端的电压相等
。若甲灯两端允许加的最大电压为$6V$,乙灯两端允许加的最大电压为$7V$,则电源电压不得超过6
$V$。
答案:
1. 等于 并联电路中各支路两端的电压相等 6
2. (2025·深圳期末)如图所示的电路中,电源由$4$节全新干电池串联组成,当$S_1$闭合、$S_2$断开时,电压表示数为$2.5V$;则当$S_1$断开、$S_2$闭合时,电压表示数为

6
$V$;灯$L_2$两端的电压为3.5
$V$,当$S_1$、$S_2$同时闭合时,灯$L_2$不能
(选填“能”或“不能”)发亮。
答案:
2. 6 3.5 不能
查看更多完整答案,请扫码查看