第51页
- 第1页
- 第2页
- 第3页
- 第4页
- 第5页
- 第6页
- 第7页
- 第8页
- 第9页
- 第10页
- 第11页
- 第12页
- 第13页
- 第14页
- 第15页
- 第16页
- 第17页
- 第18页
- 第19页
- 第20页
- 第21页
- 第22页
- 第23页
- 第24页
- 第25页
- 第26页
- 第27页
- 第28页
- 第29页
- 第30页
- 第31页
- 第32页
- 第33页
- 第34页
- 第35页
- 第36页
- 第37页
- 第38页
- 第39页
- 第40页
- 第41页
- 第42页
- 第43页
- 第44页
- 第45页
- 第46页
- 第47页
- 第48页
- 第49页
- 第50页
- 第51页
- 第52页
- 第53页
- 第54页
- 第55页
- 第56页
- 第57页
- 第58页
- 第59页
- 第60页
- 第61页
- 第62页
- 第63页
- 第64页
- 第65页
- 第66页
- 第67页
- 第68页
- 第69页
- 第70页
- 第71页
- 第72页
- 第73页
- 第74页
- 第75页
- 第76页
- 第77页
- 第78页
- 第79页
- 第80页
- 第81页
- 第82页
- 第83页
- 第84页
- 第85页
- 第86页
- 第87页
- 第88页
- 第89页
- 第90页
- 第91页
- 第92页
- 第93页
- 第94页
- 第95页
- 第96页
- 第97页
- 第98页
- 第99页
- 第100页
- 第101页
- 第102页
- 第103页
- 第104页
- 第105页
- 第106页
- 第107页
- 第108页
- 第109页
- 第110页
- 第111页
18. 新课标科学探究「2025湖北襄阳期中」小轩利用如图甲所示电路探究“串联电路的电压规律”,实验中保持电源电压不变。

(1) 正确连接好电路,闭合开关前,小轩发现电压表指针如图乙所示,出现这种情况的原因是______。
(2) 检查好电路后,小轩应选择多只规格______(选填“相同”或“不同”)的小灯泡进行多次测量,闭合开关后,发现电压表示数为零,则小灯泡的故障可能是______。
(3) 在某次测量$L_1$两端的电压后,小轩保持电压表的B连接点不动,只断开A连接点,并改接到C连接点上,她的方法______(选填“正确”或“不正确”)。
(4) 多次实验测得数据如表所示,分析数据得出结论:在串联电路中,______(用文字描述)。
| 实验次数 |$ L_1$两端电压$U_1/V $|$ L_2$两端电压$U_2/V $|$ L_1$与$L_2$两端总电压U/V |
| 1 | 1.5 | 1.5 | 3.0 |
| 2 | 1.2 | 1.8 | 3.0 |
| 3 | 1.1 | 1.9 | 3.0 |

(1) 正确连接好电路,闭合开关前,小轩发现电压表指针如图乙所示,出现这种情况的原因是______。
(2) 检查好电路后,小轩应选择多只规格______(选填“相同”或“不同”)的小灯泡进行多次测量,闭合开关后,发现电压表示数为零,则小灯泡的故障可能是______。
(3) 在某次测量$L_1$两端的电压后,小轩保持电压表的B连接点不动,只断开A连接点,并改接到C连接点上,她的方法______(选填“正确”或“不正确”)。
(4) 多次实验测得数据如表所示,分析数据得出结论:在串联电路中,______(用文字描述)。
| 实验次数 |$ L_1$两端电压$U_1/V $|$ L_2$两端电压$U_2/V $|$ L_1$与$L_2$两端总电压U/V |
| 1 | 1.5 | 1.5 | 3.0 |
| 2 | 1.2 | 1.8 | 3.0 |
| 3 | 1.1 | 1.9 | 3.0 |
答案:
18.答案
(1)电压表没有调零
(2)不同 灯泡$L_{1}$短路或灯泡$L_{2}$断路
(3)不正确
(4)总电压等于各部分电路两端的电压之和
(1)电压表没有调零
(2)不同 灯泡$L_{1}$短路或灯泡$L_{2}$断路
(3)不正确
(4)总电压等于各部分电路两端的电压之和
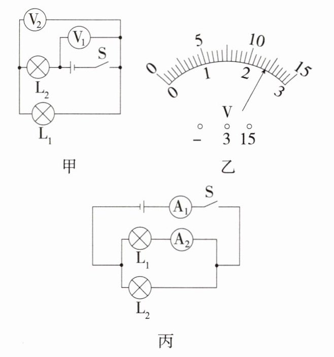
19. 新课标科学思维「2025安徽蚌埠期中」如图甲所示的电路中$,V_1$和$V_2$是两只相同的电压表,闭合开关后,灯泡$L_1、$$L_2$都发光,这时两只电压表的指针偏转角度相同,指针位置如图乙所示。
(1) 求灯泡$L_1$和$L_2$两端的电压。
(2) 若将两灯泡改接至如图丙所示的电路中,电源电压与图甲中的相同且保持不变,闭合开关后,灯泡$L_1、$$L_2$都发光。此时电流表$A_1$的示数为2.6A,电流表$A_2$的示数为1.2A,求通过灯泡$L_2$的电流和灯泡$L_2$两端的电压。

(1) 求灯泡$L_1$和$L_2$两端的电压。
(2) 若将两灯泡改接至如图丙所示的电路中,电源电压与图甲中的相同且保持不变,闭合开关后,灯泡$L_1、$$L_2$都发光。此时电流表$A_1$的示数为2.6A,电流表$A_2$的示数为1.2A,求通过灯泡$L_2$的电流和灯泡$L_2$两端的电压。
答案:
19.解析
(1)由图甲可知,两灯泡串联,电压表$V_{1}$测量电源电压,电压表$V_{2}$测量灯泡$L_{1}$两端电压;两只电压表的指针偏转角度相同,由于串联电路的总电压等于各部分电路两端的电压之和,则电压表$V_{1}$的示数大于电压表$V_{2}$的示数。所以电压表$V_{1}$的量程为0~15V,示数为12V,即电源电压为$U = 12V$。电压表$V_{2}$的量程为0~3V,示数为2.4V,即灯泡$L_{1}$两端电压为$U_{1} = 2.4V$。所以灯泡$L_{2}$两端的电压$U_{2} = U - U_{1} = 12V - 2.4V = 9.6V$。
(2)由图丙可知,两灯泡并联,电流表$A_{1}$测量干路电流,电流表$A_{2}$测量通过灯泡$L_{1}$的电流。电流表$A_{1}$的示数为2.6A,即干路电流$I = 2.6A$。电流表$A_{2}$的示数为1.2A,即通过$L_{1}$的电流$I_{1} = 1.2A$。由于并联电路中干路电流等于各支路电流之和,所以通过灯泡$L_{2}$的电流$I_{2} = I - I_{1} = 2.6A - 1.2A = 1.4A$;并联电路各支路两端的电压相等,且等于电源电压,所以灯泡$L_{2}$两端电压$U_{2}' = U = 12V$。
(1)由图甲可知,两灯泡串联,电压表$V_{1}$测量电源电压,电压表$V_{2}$测量灯泡$L_{1}$两端电压;两只电压表的指针偏转角度相同,由于串联电路的总电压等于各部分电路两端的电压之和,则电压表$V_{1}$的示数大于电压表$V_{2}$的示数。所以电压表$V_{1}$的量程为0~15V,示数为12V,即电源电压为$U = 12V$。电压表$V_{2}$的量程为0~3V,示数为2.4V,即灯泡$L_{1}$两端电压为$U_{1} = 2.4V$。所以灯泡$L_{2}$两端的电压$U_{2} = U - U_{1} = 12V - 2.4V = 9.6V$。
(2)由图丙可知,两灯泡并联,电流表$A_{1}$测量干路电流,电流表$A_{2}$测量通过灯泡$L_{1}$的电流。电流表$A_{1}$的示数为2.6A,即干路电流$I = 2.6A$。电流表$A_{2}$的示数为1.2A,即通过$L_{1}$的电流$I_{1} = 1.2A$。由于并联电路中干路电流等于各支路电流之和,所以通过灯泡$L_{2}$的电流$I_{2} = I - I_{1} = 2.6A - 1.2A = 1.4A$;并联电路各支路两端的电压相等,且等于电源电压,所以灯泡$L_{2}$两端电压$U_{2}' = U = 12V$。
查看更多完整答案,请扫码查看