第106页
- 第1页
- 第2页
- 第3页
- 第4页
- 第5页
- 第6页
- 第7页
- 第8页
- 第9页
- 第10页
- 第11页
- 第12页
- 第13页
- 第14页
- 第15页
- 第16页
- 第17页
- 第18页
- 第19页
- 第20页
- 第21页
- 第22页
- 第23页
- 第24页
- 第25页
- 第26页
- 第27页
- 第28页
- 第29页
- 第30页
- 第31页
- 第32页
- 第33页
- 第34页
- 第35页
- 第36页
- 第37页
- 第38页
- 第39页
- 第40页
- 第41页
- 第42页
- 第43页
- 第44页
- 第45页
- 第46页
- 第47页
- 第48页
- 第49页
- 第50页
- 第51页
- 第52页
- 第53页
- 第54页
- 第55页
- 第56页
- 第57页
- 第58页
- 第59页
- 第60页
- 第61页
- 第62页
- 第63页
- 第64页
- 第65页
- 第66页
- 第67页
- 第68页
- 第69页
- 第70页
- 第71页
- 第72页
- 第73页
- 第74页
- 第75页
- 第76页
- 第77页
- 第78页
- 第79页
- 第80页
- 第81页
- 第82页
- 第83页
- 第84页
- 第85页
- 第86页
- 第87页
- 第88页
- 第89页
- 第90页
- 第91页
- 第92页
- 第93页
- 第94页
- 第95页
- 第96页
- 第97页
- 第98页
- 第99页
- 第100页
- 第101页
- 第102页
- 第103页
- 第104页
- 第105页
- 第106页
- 第107页
- 第108页
- 第109页
- 第110页
- 第111页
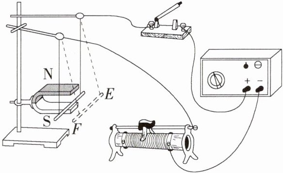
1. 新科学探究 在探究磁场对通电导体的作用实验中,小明按照图示组装实验器材。

(1)为完成该观察活动且实验效果明显,放在蹄形磁体磁场中的导体 EF 应选择下列哪种金属棒(金属棒为实心且形状、体积相同,$ρ_{铜}>ρ_{铁}= ρ_{钢}>ρ_{铝}$)______。
A.铁棒 B.钢棒 C.铜棒 D.铝棒
(2)选择恰当的导体后,将滑动变阻器的滑片移动到适当位置,闭合开关前,导体______,闭合开关后,看到导体向右运动,说明______对通电导体有______的作用,______(选填“电动机”或“电磁铁”)就是根据该原理制成的。
(3)断开开关,将图中磁铁的 N、S 极对调,再闭合开关,会发现导体的运动方向与对调前的运动方向______,说明通电导体在磁场中的受力方向与______有关。
(4)断开开关,将图中电源的正、负极对调,再闭合开关,会发现导体的运动方向与对调前的运动方向______,说明通电导体在磁场中的受力方向与______有关。
(5)如果同时改变磁场方向和电流方向,______(选填“能”或“不能”)确定受力方向与磁场方向或电流方向是否有关。
(6)由上述实验现象可知,若要让导体 EF 向左运动,可以采取的方法是______。
A.改变电流方向或改变磁场方向
B.同时改变电流方向和磁场方向
C.只能改变电流方向
D.只能改变磁场方向
(7)将滑动变阻器的滑片向右端移动,发现导体 EF 向右运动且摆起的幅度更大,这说明磁场对通电导体作用力的大小与______有关。
(8)若要使导体运动速度加快,除了增大电流,还可采取的方法(写出一种):______。
(9)实验过程涉及的能量转化为将电能转化为______能。
(10)实验中通过导体的运动方向反映导体的______,通过导体的运动速度反映导体的______,这是______法的思想;该实验中除了上述方法外还采用了______法。
(1)为完成该观察活动且实验效果明显,放在蹄形磁体磁场中的导体 EF 应选择下列哪种金属棒(金属棒为实心且形状、体积相同,$ρ_{铜}>ρ_{铁}= ρ_{钢}>ρ_{铝}$)______。
A.铁棒 B.钢棒 C.铜棒 D.铝棒
(2)选择恰当的导体后,将滑动变阻器的滑片移动到适当位置,闭合开关前,导体______,闭合开关后,看到导体向右运动,说明______对通电导体有______的作用,______(选填“电动机”或“电磁铁”)就是根据该原理制成的。
(3)断开开关,将图中磁铁的 N、S 极对调,再闭合开关,会发现导体的运动方向与对调前的运动方向______,说明通电导体在磁场中的受力方向与______有关。
(4)断开开关,将图中电源的正、负极对调,再闭合开关,会发现导体的运动方向与对调前的运动方向______,说明通电导体在磁场中的受力方向与______有关。
(5)如果同时改变磁场方向和电流方向,______(选填“能”或“不能”)确定受力方向与磁场方向或电流方向是否有关。
(6)由上述实验现象可知,若要让导体 EF 向左运动,可以采取的方法是______。
A.改变电流方向或改变磁场方向
B.同时改变电流方向和磁场方向
C.只能改变电流方向
D.只能改变磁场方向
(7)将滑动变阻器的滑片向右端移动,发现导体 EF 向右运动且摆起的幅度更大,这说明磁场对通电导体作用力的大小与______有关。
(8)若要使导体运动速度加快,除了增大电流,还可采取的方法(写出一种):______。
(9)实验过程涉及的能量转化为将电能转化为______能。
(10)实验中通过导体的运动方向反映导体的______,通过导体的运动速度反映导体的______,这是______法的思想;该实验中除了上述方法外还采用了______法。
答案:
(1)D (2)静止不动 磁场 力 电动机
(3)相反 磁场方向 (4)相反 电流方向
(5)不能 (6)A (7)电流大小 (8)增大磁体磁性 (9)机械 (10)受力方向 受力大小 转换 控制变量
解析 (1)铁棒和钢棒属于磁性材料,会和磁铁产生相互作用,影响实验的进行;要让实验效果明显,放在蹄形磁体磁场中的导体 EF 的质量应尽可能小,因金属棒为实心且形状、体积相同,根据 m=ρV 可知,应选择铝棒,故选 D。(2)闭合开关前,电路中没有电流,导体不会运动,闭合开关后,看到导体向右运动,说明磁场对通电导体有力的作用,电动机就是根据该原理制成的。(3)将磁铁的 N、S 极对调,改变磁场方向,电流方向不变时,导体的运动方向与对调前的运动方向相反,说明通电导体在磁场中的受力方向与磁场方向有关。(4)将电源的正、负极对调,导体中电流方向改变,磁场方向不变时,导体的运动方向与对调前的运动方向相反,说明通电导体在磁场中的受力方向与电流的方向有关。(5)如果同时改变磁场方向和电流方向,通电导体在磁场中的受力方向不变,不能确定受力方向与磁场方向或电流方向是否有关。(6)若要让导体 EF 向左运动,则要改变它的受力方向,可以改变电流方向或改变磁场方向,但不能同时改变电流方向和磁场方向,故选 A。(7)将滑动变阻器的滑片向右端移动,变阻器接入电路的电阻变小,电路中的电流变大,导体摆起的幅度更大,说明磁场对通电导体作用力的大小与电流大小有关。(8)若要使导体运动速度加快,除了增大电流,还可以采取增大磁体磁性的方式。(9)实验中涉及的能量转化是将电能转化为机械能。(10)实验中通过导体的运动方向反映导体的受力方向,通过导体的运动速度反映导体的受力大小,这是转换法的思想;该实验中除了上述方法外还采用了控制变量法。
(3)相反 磁场方向 (4)相反 电流方向
(5)不能 (6)A (7)电流大小 (8)增大磁体磁性 (9)机械 (10)受力方向 受力大小 转换 控制变量
解析 (1)铁棒和钢棒属于磁性材料,会和磁铁产生相互作用,影响实验的进行;要让实验效果明显,放在蹄形磁体磁场中的导体 EF 的质量应尽可能小,因金属棒为实心且形状、体积相同,根据 m=ρV 可知,应选择铝棒,故选 D。(2)闭合开关前,电路中没有电流,导体不会运动,闭合开关后,看到导体向右运动,说明磁场对通电导体有力的作用,电动机就是根据该原理制成的。(3)将磁铁的 N、S 极对调,改变磁场方向,电流方向不变时,导体的运动方向与对调前的运动方向相反,说明通电导体在磁场中的受力方向与磁场方向有关。(4)将电源的正、负极对调,导体中电流方向改变,磁场方向不变时,导体的运动方向与对调前的运动方向相反,说明通电导体在磁场中的受力方向与电流的方向有关。(5)如果同时改变磁场方向和电流方向,通电导体在磁场中的受力方向不变,不能确定受力方向与磁场方向或电流方向是否有关。(6)若要让导体 EF 向左运动,则要改变它的受力方向,可以改变电流方向或改变磁场方向,但不能同时改变电流方向和磁场方向,故选 A。(7)将滑动变阻器的滑片向右端移动,变阻器接入电路的电阻变小,电路中的电流变大,导体摆起的幅度更大,说明磁场对通电导体作用力的大小与电流大小有关。(8)若要使导体运动速度加快,除了增大电流,还可以采取增大磁体磁性的方式。(9)实验中涉及的能量转化是将电能转化为机械能。(10)实验中通过导体的运动方向反映导体的受力方向,通过导体的运动速度反映导体的受力大小,这是转换法的思想;该实验中除了上述方法外还采用了控制变量法。
2. 新科学思维 [2025 江苏南京秦淮期末]小明用漆包线绕成线圈,将线圈两端的漆全部刮去后放入磁场,如图所示,闭合开关 S 后,发现线圈只能偏转至水平位置、不能持续转动。为使线圈持续转动,下列措施中可行的是( )

A.换用电压更大的电源
B.换用磁性更强的磁体
C.重新制作匝数更多的线圈,将线圈两端的漆全部刮去
D.在线圈的一端重抹油漆,干后在适当位置刮去半圈
A.换用电压更大的电源
B.换用磁性更强的磁体
C.重新制作匝数更多的线圈,将线圈两端的漆全部刮去
D.在线圈的一端重抹油漆,干后在适当位置刮去半圈
答案:
D 将线圈两端的漆全部刮去后,不能改变线圈中的电流方向,就不能改变线圈的受力方向,所以重新制作匝数更多的线圈,将线圈两端的漆全部刮去,闭合开关 S 后,线圈仍只能偏转至水平位置,不能持续转动,C 不符合要求;要想让线圈持续转动,可以在线圈的一端重抹油漆,在适当位置刮去半圈,利用惯性使线圈能够持续转动,故 D 符合要求;换用电压更大的电源、换用磁性更强的磁体,均无法改变线圈中的电流方向,不能改变线圈的受力方向,仍然不能持续转动,故 A、B 不符合要求。
3. 新科学思维 [2025 安徽安庆模拟]如图为直流电动机的基本构造示意图,闭合开关,线圈沿图示方向转动,现要使线圈沿反方向转动,下列方法中可行的是( )

A.对调电源正、负极
B.增加电源电压
C.换用磁性更强的磁铁
D.对调磁极同时改变电流方向
A.对调电源正、负极
B.增加电源电压
C.换用磁性更强的磁铁
D.对调磁极同时改变电流方向
答案:
A 闭合开关后,线圈转动,现要线圈沿反方向转动,需要改变线圈的受力方向,即改变线圈中的电流方向或改变磁场方向。将电源的正、负极对调,可以改变线圈中的电流方向,故 A 符合题意;增加电源电压、换用磁性更强的磁铁,均只能增大磁场对线圈的作用力,改变线圈的转速,而不能改变线圈的转动方向,故 B、C 不符合题意;对调磁极的同时改变电流的方向,线圈的受力方向与原来相同,故 D 不符合题意。
方法归纳 (1)磁场的方向、电流的方向和电动机转向的关系,记住“一变就变,全变不变”,即只要磁场的方向和电流的方向有一个发生改变,电动机的转向就发生改变,磁场的方向和电流的方向都发生改变,电动机的转向不发生改变;
(2)电动机的转速与磁场的强弱和电流的大小有关,记住“一增则增,全增更增”,即电流增大或磁场增强都会引起电动机的转速加快,如果磁场增强,同时电流也增加,电动机转速就会加快更多。
方法归纳 (1)磁场的方向、电流的方向和电动机转向的关系,记住“一变就变,全变不变”,即只要磁场的方向和电流的方向有一个发生改变,电动机的转向就发生改变,磁场的方向和电流的方向都发生改变,电动机的转向不发生改变;
(2)电动机的转速与磁场的强弱和电流的大小有关,记住“一增则增,全增更增”,即电流增大或磁场增强都会引起电动机的转速加快,如果磁场增强,同时电流也增加,电动机转速就会加快更多。
查看更多完整答案,请扫码查看