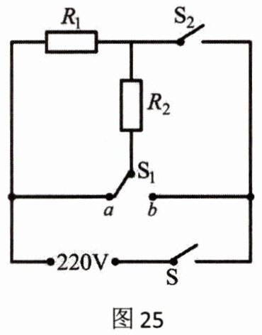
7. 如图25所示是一款自动炖煮机的简化电路图$,R_1、$$R_2$是两个完全相同的电热丝,S为电源开关,通过控制开关$S_1、$$S_2$实现“低温”“中温”“高温”三个档位间的切换。从该炖煮机铭牌信息中获知,其额定电压220V,加热效率为75%,但功率信息模糊不清。为研究该炖煮机的工作情况及有关信息,在炖煮机中装入5kg的水,闭合开关S,通过观察其电子显示屏(消耗电能忽略不计),记录有关信息如表格所示。水的比热容$c=4.2×10^3J/(kg•℃),$求:(1)炖煮机高温档的功率;$(2)R_1$电热丝的阻值;(3)0~29min炖煮机消耗的电能。_____


答案:
【答案】
(1)2200W;
(2)44Ω;$(3)2.673×10^6J。$
(1)2200W;
(2)44Ω;$(3)2.673×10^6J。$
查看更多完整答案,请扫码查看