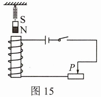
22.如图15所示的电路连接中,当开关闭合时,螺线管上端为




S
极,在滑片P向右移动的过程中,弹簧测力计的示数变小
(选填“变大”“变小”或“不变”)。
答案:
S 变小
23.如图16所示,将小磁针置于螺线管的左侧附近。闭合开关S,小磁针转动,小磁针的
S
极靠近螺线管的左端,当向左移动变阻器滑片P时,M点的磁性将增强
(选填“增强”或“减弱”)。
答案:
S 增强
24.如图17所示实验装置中,磁体和导体棒均水平放置,将开关的接线柱1与2接通,保持磁体不动,使导体ab向右水平运动,灵敏电流计G指针向左偏转。若要使G的指针向右偏,可使导体ab向
左
运动。开关的接线柱1与3接通,导体棒能运动起来,依此可制成电动机
(选填“电动机”或“发电机”)。
答案:
左 电动机
25.如图18所示,小华运用电磁感应技术对智能手机进行无线充电,其主要工作原理如下:电流通过充电底座中的送电金属线圈时产生变化的磁场,带有金属线圈的智能手机靠近它就能充电,
动圈式话筒
(选填“动圈式话筒”或“扬声器”)的工作原理与之相同。
答案:
动圈式话筒
26.开关S闭合后小磁针静止时的指向如图19所示,请在图中两个虚线框内分别标出螺线管的磁极和电源的正负极。

答案:
27.小磁针静止时的指向如图20所示,请画出通电螺线管的绕线情况。
答案:
28.小明对电压表指针偏转的原因产生了兴趣,他在实验室找到一只可拆卸的电压表,拆开后电压表的内部结构图如图21所示。(1)在使用电压表测电压时,应该将电压表与被测用电器_____联接人电路中,图中接AC时,所选的量程为_____(选填“0~3V”或“0~15V”)。(2)正确接入并通电后线圈转动,带动指针偏转;撤去磁体再次通电,指针不动。这说明电压表指针偏转的原因是通电线圈在_____中受力转动,这与_____的工作原理相同。(3)若在电压表AB接线柱之间连接一根导线,用手拨动电压表指针,导线中会产生感应电流,这种现象叫做_____,据此可制成_____。

答案:
并 0~15V 磁场 电动机 电磁感应现象 发电机
查看更多完整答案,请扫码查看