30. (2024•陕西)在“探究串联电路电压的特点”实验中:(1)将电压表接入电路前,观察到指针位置如图19甲所示,为保证测量结果准确,接下来应进行的操作是_____。(2)实验电路如图19乙所示,请用笔画线代替导线将电路连接完整,使电压表测量小灯泡$L_1$两端的电压。_____(3)用电压表分别测出小灯泡$L_1$两端的电压$U_1,L_2$两端的电压$U_2,L_1$和$L_2$两端的总电压U。换用不同规格的小灯泡多次实验,记录实验数据,如表所示。分析数据可知,串联电路两端的总电压与各部分电路两端的电压的关系为$_____($用本题中给出的字母写出关系式)。换用不同规格的小灯泡多次实验的目的是_____。



答案:
对电压表进行调零 $U= U_1+U_2$ 寻找普遍规律
1. 我国自主研发的氢燃料电池电动汽车已经亮相,氢燃料电池使用氢做燃料。与传统内燃机驱动汽车相比,它的能量转化效率高达60~80%。燃料电池的燃料是氢和氧,生成物是水,实现了零排放。下列有关氢燃料电池和四冲程内燃机的说法中,正确的是(
C
)A.氢燃料电池用氢作为燃料是因为氢的比热容大B.此电动车的效率更高,所以做的有用功更多C.四冲程内燃机的四个冲程中,将内能转化为机械能的冲程是做功冲程D.飞轮的转速为1800r/min的四冲程内燃机,每秒钟的做功次数为30次
答案:
C
2. 如图20所示,两只灯泡都不亮。在闭合开关且不拆开导线的情况下,将M接电源“+”极,N依次试触A、B接线柱,发现电压表示数前后两次相等,且接近3V。若故障是由两灯引起的,则可能是$(

D
)A.L_1、$$L_2$都短路$B.L_1、$$L_2$都断路$C.L_1$短路且$L_2$断路$D.L_1$断路且$L_2$短路
答案:
D
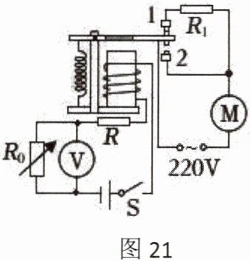
3. 商场中的电梯,在没有人时运动较慢,当有人站在电梯上时电梯运动就快了起来。控制电梯运行快慢的电路如图21所示,R₀的阻值随压力的变化而变化,当人站在电梯上时,S闭合,通过电磁铁线圈的电流变大,电磁铁的磁性变强,动触点与静触点2连接,电动机的转速变快。以下说法正确的是(

B
)A.R₀的阻值随压力的增大而增大B.当压力增大时,电压表示数减小C.当开关S闭合时,电磁铁上端为N极D.若将$R_1$换成阻值更小的电阻,没人时电动机转速变得更慢
答案:
B
查看更多完整答案,请扫码查看