9.如图3所示电路,下列分析正确的是(

C
)A.只闭合$S_1$时$,L_2$发光、$L_1$不发光$,A_2$测$L_2$电流 B.只闭合$S_2$时$,L_1$发光、$L_2$不发光$,A_1$测$L_1$电流 C.闭合$S_1、$$S_2$时$,L_1、$$L_2$并联$,A_2$测$L_2$电流 D.闭合$S_1、$$S_2$时$,L_1、$$L_2$串联$,A_1、$$A_2$示数相等
答案:
C
10.易烊同学按如图4(a)所示电路进行实验,当开关闭合后$,V_1$和$V_2$的指针位置完全一样如图4(b)所示,电路各处完好,则$R_1、$$R_2$两端的电压分别是(

C
)A.1.20V,6.00V B.1.20V,1.20V C.4.80V,1.20V D.1.20V,4.80V
答案:
C
11.有几位同学拿来一个滑动变阻器,如图5所示铭牌上标有“20Ω 1A”的字样,关于这个滑动变阻器的说法中,正确的是(

C
)①铭牌的含义是:连入电路中的最小值是20Ω,允许通过的最小电流是1A ②铭牌的含义是:连入电路中的最大值是20Ω,允许通过的最大电流是1A ③当滑片P向右移动时滑动变阻器的阻值变大,应该把A、C两个接线柱接入电路 ④当滑片P向右移动时滑动变阻器的阻值变大,应该把B、C两个接线柱接入电路 A.②④ B.①③ C.②③ D.①④
答案:
C
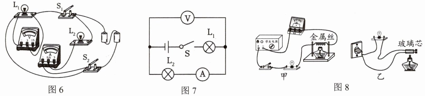
12.(2024•眉山)如图6所示电路,闭合开关$S_1、$$S_2,$小灯泡$L_1$和$L_2$均正常发光,电流表和电压表均有示数。下列关于电路分析正确的是(

C
)A.小灯泡$L_1$与$L_2$串联 B.电流表测量电路的总电流 C.若只断开$S_1,$小灯泡$L_1$熄灭$,L_2$正常发光 D.若灯$L_1$突然熄灭,是因为电压表发生断路
答案:
C
13.(2024•达州)如图7所示电路,闭合开关后,整个电路正常工作。其中一盏灯突然熄灭,两只电表示数均变大,则该电路可能发生的故障为$(
A
)A.L_1$短路$ B.L_2$短路$ C.L_1$开路$ D.L_2$开路
答案:
A
14.如图8所示两个实验,若点燃两个实验中的酒精灯,实验甲用酒精灯加热金属丝,实验乙将灯丝断开的玻璃芯加热到红炽状态时,灯泡将发光,下面描述这两个实验现象中说法正确的是(
C
)A.加热金属丝会使其电阻变小,电流表示数增大 B.加热使玻璃芯由导体变成了绝缘体 C.第一个实验说明导体电阻受温度影响,第二个实验说明,导体和绝缘体可以相互转化 D.不加热时,这两个实验所示的电路在闭合开关后没有电流
答案:
C
查看更多完整答案,请扫码查看