第71页
- 第1页
- 第2页
- 第3页
- 第4页
- 第5页
- 第6页
- 第7页
- 第8页
- 第9页
- 第10页
- 第11页
- 第12页
- 第13页
- 第14页
- 第15页
- 第16页
- 第17页
- 第18页
- 第19页
- 第20页
- 第21页
- 第22页
- 第23页
- 第24页
- 第25页
- 第26页
- 第27页
- 第28页
- 第29页
- 第30页
- 第31页
- 第32页
- 第33页
- 第34页
- 第35页
- 第36页
- 第37页
- 第38页
- 第39页
- 第40页
- 第41页
- 第42页
- 第43页
- 第44页
- 第45页
- 第46页
- 第47页
- 第48页
- 第49页
- 第50页
- 第51页
- 第52页
- 第53页
- 第54页
- 第55页
- 第56页
- 第57页
- 第58页
- 第59页
- 第60页
- 第61页
- 第62页
- 第63页
- 第64页
- 第65页
- 第66页
- 第67页
- 第68页
- 第69页
- 第70页
- 第71页
- 第72页
- 第73页
- 第74页
- 第75页
- 第76页
- 第77页
- 第78页
- 第79页
- 第80页
1. 新素养 科学思维 如图甲所示,电磁铁A、薄铁片B和支架组成的装置悬挂于弹簧测力计C的下端.当电磁铁A通电后,铁片B被突然吸引到如图乙所示的位置时,弹簧测力计C的示数将( )

A. 增大
B. 减小
C. 不变
D. 无法确定
A. 增大
B. 减小
C. 不变
D. 无法确定
答案:
A
2. 如图所示,质量和形状完全相同的金属线框A和塑料线框B从同一高度同时自由落下,途中经过某一磁场区域(“×”表示磁场方向垂直纸面向里).不计空气阻力,两线框中________先落地,你的判断依据是:______________________________.

答案:
B 见解析 解析:不计空气阻力,金属线框由静止自由下落到地面的过程中,通过磁场时会产生感应电流,有一部分能量转化为电能,所以在此过程中金属线框的重力势能转化为动能和电能;塑料线框由静止自由下落到地面的过程中,通过磁场时不会产生感应电流,所以重力势能全部转化为动能;又因为金属框和塑料线框质量相等,在最高点时,它们的重力势能相等,可知A下落的平均速度小于B,所以B 先落地。
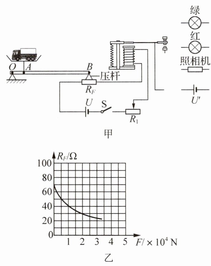
3. 新趋势 学科融合(2024·江苏无锡三模)车辆超载是造成公路桥、梁损坏的重要原因,因此限制车辆超载有着重要意义.某物理兴趣小组的同学设计了一个“汽车超载记录器”原理图,如图甲所示.图中使用了一个水平杠杆OAB,其中O为支点,OA∶AB = 1∶9;RF为力敏电阻,其所受压力与电阻的关系图像如图乙所示.已知滑动变阻器R1规格为“50 Ω 2 A”,电磁继电器线圈电阻忽略不计,当通过线圈的电流达到0.1 A时,电磁继电器的衔铁被吸下.(g取10 N/kg)

(1)检测时,杠杆A点受到的压力与压杆对力敏电阻的压力之比为________.
(2)将图甲连接完整.要求:未超载,绿灯亮;超载,红灯亮、拍照,记录违法行为,红灯与相机需独立工作.
(3)某路段限重20 t,当车辆刚好达20 t时,力敏电阻阻值为________Ω;计算可知此时控制电路电源电压U的取值范围是________.
(4)若给控制电路提供恒为5 V的电压,其他条件不变的情况下,该报警器能设置的最低限载是________t.
(5)某些主干道抗压能力较好,允许通行质量更大的车辆,需适当调高限载,下列措施不可行的是________.
A. 适当增大R1的阻值
B. 将A点向左移
C. 适当减小控制电路电源电压
D. 将B点向左移
(1)检测时,杠杆A点受到的压力与压杆对力敏电阻的压力之比为________.
(2)将图甲连接完整.要求:未超载,绿灯亮;超载,红灯亮、拍照,记录违法行为,红灯与相机需独立工作.
(3)某路段限重20 t,当车辆刚好达20 t时,力敏电阻阻值为________Ω;计算可知此时控制电路电源电压U的取值范围是________.
(4)若给控制电路提供恒为5 V的电压,其他条件不变的情况下,该报警器能设置的最低限载是________t.
(5)某些主干道抗压能力较好,允许通行质量更大的车辆,需适当调高限载,下列措施不可行的是________.
A. 适当增大R1的阻值
B. 将A点向左移
C. 适当减小控制电路电源电压
D. 将B点向左移
答案:
(1)10:1
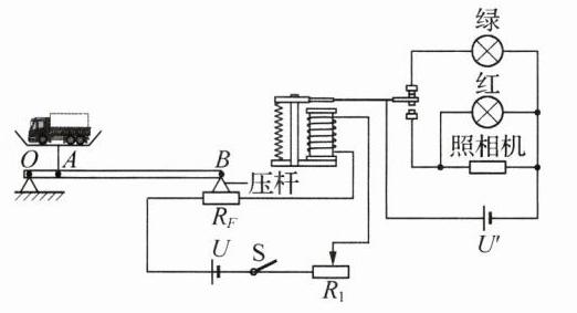
(2)如图所示
(3)30 3~8 V
(4)5
(5) D
(1)10:1
(2)如图所示
(3)30 3~8 V
(4)5
(5) D
查看更多完整答案,请扫码查看