第19页
- 第1页
- 第2页
- 第3页
- 第4页
- 第5页
- 第6页
- 第7页
- 第8页
- 第9页
- 第10页
- 第11页
- 第12页
- 第13页
- 第14页
- 第15页
- 第16页
- 第17页
- 第18页
- 第19页
- 第20页
- 第21页
- 第22页
- 第23页
- 第24页
- 第25页
- 第26页
- 第27页
- 第28页
- 第29页
- 第30页
- 第31页
- 第32页
- 第33页
- 第34页
- 第35页
- 第36页
- 第37页
- 第38页
- 第39页
- 第40页
- 第41页
- 第42页
- 第43页
- 第44页
- 第45页
- 第46页
- 第47页
- 第48页
- 第49页
- 第50页
- 第51页
- 第52页
- 第53页
- 第54页
- 第55页
- 第56页
- 第57页
- 第58页
- 第59页
- 第60页
- 第61页
- 第62页
- 第63页
- 第64页
- 第65页
- 第66页
- 第67页
- 第68页
- 第69页
- 第70页
- 第71页
- 第72页
- 第73页
- 第74页
- 第75页
- 第76页
- 第77页
- 第78页
- 第79页
- 第80页
1.(2024·吉林长春模拟)小明家买了一台电饭煲,在使用时闻到橡胶的焦糊味,用手摸其电源线发现很热,而电饭煲仍正常工作,发生这一现象的原因可能是( )
A. 电压太高
B. 电源线太短
C. 电源线太粗
D. 电源线太细
A. 电压太高
B. 电源线太短
C. 电源线太粗
D. 电源线太细
答案:
D
2. 如图,将三个相同的空烧瓶口分别用相同的气球密封,将多个阻值相同的电阻R以不同的连接方式接入电路中. 通电一段时间后,体积变化最大的气球是 ( )

A. a
B. b
C. c
D. 三个相同
A. a
B. b
C. c
D. 三个相同
答案:
B
3.(2024·陕西西安模拟)如图所示,使用电热器时插头和插座被烧焦了,这个现象属于电流的________效应,是由于插头和插座接触处电阻________,产生热量太多造成的.

答案:
热@@太大
4. 电脑的中央处理器(CPU)工作时发热显著,常采用散热片与风扇组合冷却. 某电脑CPU的发热功率为8 W,铜质散热器的质量为0.8 kg. 若工作半小时,CPU产生的热量为________J,这些热量可使散热器温度升高________℃. [铜的比热容为0.4×10³ J/(kg·℃)]
答案:
14400@@45
5. 某品牌家用吸尘器的铭牌如表所示,正常工作10 s电动机做的总功为________J,若电动机线圈的阻值为1 Ω,10 s内电动机线圈产生的热量为________J.
|产品尺寸/mm|358×248×307|
|----|----|
|额定电压/V|220|
|额定功率/W|1 100|
|产品尺寸/mm|358×248×307|
|----|----|
|额定电压/V|220|
|额定功率/W|1 100|
答案:
$1.1×10^{4}$@@250
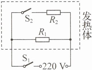
6. 如图所示是某电热器的工作原理图,它有高温、低温两挡,其发热体由R₁和R₂两个电热丝构成,它们的阻值分别为110 Ω、220 Ω. 求:
(1)S₁闭合、S₂断开时,电热器的功率.
(2)S₁、S₂都闭合时,电热器的工作电流.
(3)S₁、S₂都闭合时,电热器100 s内产生的热量.

(1)S₁闭合、S₂断开时,电热器的功率.
(2)S₁、S₂都闭合时,电热器的工作电流.
(3)S₁、S₂都闭合时,电热器100 s内产生的热量.
答案:
440 W@@3 A@@$6.6×10^{4} J$
7. 如图所示,在左、右两个相同烧杯中分别装有质量和温度都相同的水和煤油,通电一段时间后,两容器中的液体同时升温到60 ℃. 由此可知 ( )

A. R₁=R₂
B. R₁<R₂
C. R₁>R₂
D. 条件不足,无法确定
A. R₁=R₂
B. R₁<R₂
C. R₁>R₂
D. 条件不足,无法确定
答案:
B
查看更多完整答案,请扫码查看