第51页
- 第1页
- 第2页
- 第3页
- 第4页
- 第5页
- 第6页
- 第7页
- 第8页
- 第9页
- 第10页
- 第11页
- 第12页
- 第13页
- 第14页
- 第15页
- 第16页
- 第17页
- 第18页
- 第19页
- 第20页
- 第21页
- 第22页
- 第23页
- 第24页
- 第25页
- 第26页
- 第27页
- 第28页
- 第29页
- 第30页
- 第31页
- 第32页
- 第33页
- 第34页
- 第35页
- 第36页
- 第37页
- 第38页
- 第39页
- 第40页
- 第41页
- 第42页
- 第43页
- 第44页
- 第45页
- 第46页
- 第47页
- 第48页
- 第49页
- 第50页
- 第51页
- 第52页
- 第53页
- 第54页
- 第55页
- 第56页
- 第57页
- 第58页
- 第59页
- 第60页
- 第61页
- 第62页
- 第63页
- 第64页
- 第65页
- 第66页
- 第67页
- 第68页
- 第69页
- 第70页
- 第71页
- 第72页
- 第73页
- 第74页
- 第75页
- 第76页
- 第77页
- 第78页
- 第79页
- 第80页
13. 新素养 科学思维 如图甲所示,电子水平向右飞过小磁针正上方时,实验现象:小磁针的N极向纸外发生偏转. 若将一通电直导线放在小磁针正上方或正下方,如图乙所示(图中只画出了通电直导线放在小磁针正上方的情况),请你根据图甲的实验现象,判断下列分析正确的是(不考虑地磁场的影响) ( )

A. 通电直导线放在小磁针正上方时,小磁针的N极向纸外发生偏转
B. 通电直导线放在小磁针正上方时,小磁针的N极向纸内发生偏转
C. 通电直导线放在小磁针正下方时,小磁针的N极向纸内发生偏转
D. 通电直导线放在小磁针正上方或正下方,小磁针的N极均向纸外发生偏转
A. 通电直导线放在小磁针正上方时,小磁针的N极向纸外发生偏转
B. 通电直导线放在小磁针正上方时,小磁针的N极向纸内发生偏转
C. 通电直导线放在小磁针正下方时,小磁针的N极向纸内发生偏转
D. 通电直导线放在小磁针正上方或正下方,小磁针的N极均向纸外发生偏转
答案:
B
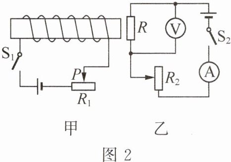
14. 物理学中常用磁感线来形象地描述磁场,用磁感应强度(用字母B表示)来描述磁场的强弱,它的国际单位是特斯拉(符号是T),磁感应强度B越大表明磁场越强;B=0表明没有磁场. 有一种电阻,它的大小随磁场强弱的变化而变化,这种电阻叫作磁敏电阻,如图1所示是某磁敏电阻R的阻值随磁感应强度B变化的图像. 为了研究该磁敏电阻R的性质,小刚设计了如图2所示的电路进行实验.

(1)当开关S1断开、S2闭合时,电压表的示数为3 V,则此时电流表的示数为________A.
(2)只闭合S1,通电螺线管的左端为________极;闭合S1和S2,移动两个滑动变阻器的滑片,当电流表示数为0.04 A时,电压表示数为6 V,由图像可得,此时该磁敏电阻所在位置的磁感应强度为________T.
(3)实验中小刚将甲电路中电源的正负极对调,发现乙电路中电压表和电流表的示数不变,这表明:该磁敏电阻的阻值与磁场的________无关.
(4)实验中小刚通过改变滑动变阻器连入电路中的阻值来改变磁敏电阻所在位置的磁感应强度,请你再提供一种改变磁感应强度的方法:______________________________.
(1)当开关S1断开、S2闭合时,电压表的示数为3 V,则此时电流表的示数为________A.
(2)只闭合S1,通电螺线管的左端为________极;闭合S1和S2,移动两个滑动变阻器的滑片,当电流表示数为0.04 A时,电压表示数为6 V,由图像可得,此时该磁敏电阻所在位置的磁感应强度为________T.
(3)实验中小刚将甲电路中电源的正负极对调,发现乙电路中电压表和电流表的示数不变,这表明:该磁敏电阻的阻值与磁场的________无关.
(4)实验中小刚通过改变滑动变阻器连入电路中的阻值来改变磁敏电阻所在位置的磁感应强度,请你再提供一种改变磁感应强度的方法:______________________________.
答案:
0.03@@S@@0.3@@方向@@改变通电螺线管的线圈匝数 (合理即可)
查看更多完整答案,请扫码查看